桃花源qm花论坛(品茶),凤楼阁论坛官网入口网址,一品楼品凤楼论坛最新动态,风楼阁全国信息2024登录入口

你的位置:首页 > 光电显示 > 正文

快来看看,这款器件如何降低LCD LED背光源的成本和复杂性

发布时间:2021-12-10 来源:亚德诺半导体 责任编辑:lina

【导读】一个电感器、一个IC、一串LED,这就是构建一款用于LCD显示器背光源的升压型LED驱动器的传统方式。尽管对于那些只需要几串LED的小型LCD显示器而言这是一种非常合乎需要的解决方案,但在较大的显示器当中,控制器IC和电感器的数目将以倍数地增加,从而使成本开支和PCB面积要求也是节节攀升。


一个电感器、一个IC、一串LED,这就是构建一款用于LCD显示器背光源的升压型LED驱动器的传统方式。尽管对于那些只需要几串LED的小型LCD显示器而言这是一种非常合乎需要的解决方案,但在较大的显示器当中,控制器IC和电感器的数目将以倍数地增加,从而使成本开支和PCB面积要求也是节节攀升。在人们竞相采用坚固且具有出众频谱特性的LED来替代中等尺寸明亮显示器中的CCFL之过程中,这是一个重大的障碍。


需要一种更好的驱动器以使LED背光源的成本和复杂性与CCFL大致相当。通过以高达每串30mA的电流来驱动6串各由10个LED组成的LED串,LT3598满足了上述要求。该器件还具有一个内置的电源开关以节省空间和设计时间。效率通过一个自适应反馈环路来优化,该反馈环路负责监视所有的LED引脚电压,以提供一个高至正好足以点亮全部LED串的输出电压。即使在VIN高于VOUT的情况下,LT3598也将继续调节LED电流。LED电流降额可基于编程LED温度(通过一个NTC电阻分压器或通过设置晶片结温来实现)。


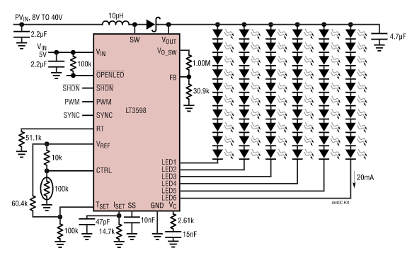
典型应用


图1示出了LT3598用于驱动60个LED的6个通道,每串LED的电流被设置为20mA。CTRL引脚和PWM引脚分别负责提供模拟调光和数字调光功能。True Color PWM?调光提供了恒定的LED色彩和一个3000:1的调光比。图2示出了LED串之间的+0.5%典型电流匹配准确度,它产生了始终如一的光分布,这在大型背光源应用中是非常重要的。


快来看看,这款器件如何降低LCD LED背光源的成本和复杂性

图1:用于驱动60个20mALED的LED驱动器


快来看看,这款器件如何降低LCD LED背光源的成本和复杂性  

图2:图1所示电路的电流匹配


需要更多的电流?


对于那些每串LED需要多于30mA电流的应用,可以容易地通过LT3598多个通道的组合来提供较高的LED电流。图3示出了一种能够以高达每串90mA的电流来驱动两串LED的配置。在125°C结温(最坏情况)条件下的1000:1 PWM调光波形示于图4。


快来看看,这款器件如何降低LCD LED背光源的成本和复杂性

图3:用于驱动两串90mA LED的LED驱动器


快来看看,这款器件如何降低LCD LED背光源的成本和复杂性

图4:图3所示电路提供的1000:1 PWM调光(在125°C)


用于提供热?;すδ艿腡SET引脚


可通过设置TSET引脚电压来限制LT3598的内部结温。当达到该温度时,如果结温继续增加,则LED电流将线性地减小(如图5所示)。这种热调整功能在高环境温度条件下提供了重要的?;ぷ饔茫⒃市碚攵缘湫?而不是最坏情况)环境温度来对某种给定的应用进行优化。


快来看看,这款器件如何降低LCD LED背光源的成本和复杂性

图5:TSET功能在高温条件下将减小LED电流


停用通道能力


可以把未使用的LED引脚连接至VOUT来将它们停用,这样就没有电流流入停用的通道。故障检测将忽略任何连接至VOUT的通道。图6示出了一款具两个停用通道的应用电路,它产生了高达90%的效率。


快来看看,这款器件如何降低LCD LED背光源的成本和复杂性

图6:两个停用的通道和4串LED


结论


LT3598是一款具有一个内置电源开关的通用型LED驱动器,适合驱动多串LED。凭借其坚固的故障检测功能,甚至还可以提供高PWM调光比。此外,当所有的LED串均开路时,一个电压环路将调节输出电压。

(来源:亚德诺半导体)


免责声明:本文为转载文章,转载此文目的在于传递更多信息,版权归原作者所有。本文所用视频、图片、文字如涉及作品版权问题,请电话或者邮箱editor@52solution.com联系小编进行侵删。



推荐阅读:

AoP技术如何扩展雷达传感器在汽车应用中的布局

2022武汉国际电子元器件、材料及生产设备展览会与您相约武汉

大功率二极管晶闸管知识连载——损耗

VIAVI为XL Axiata提供面向5G的远程光纤测试和监控解决方案

平衡精密数据采集系统的ADC尺寸、功耗、分辨率和带宽


特别推荐
技术文章更多>>
技术白皮书下载更多>>
热门搜索

关闭

?

关闭