【导读】电动化日益发展的汽车的功耗抑制已成为一个重要的课题。LED的功耗、寿命、设计自由度和控制性优异,被前照灯和室内照明等多种功能使用。TDK集团中的功率电感器根据使用的LED驱动器不同,形成了最合适升压型、降压型和升降压型等不同系统的广泛电感器系列产品。

电动化日益发展的汽车的功耗抑制已成为一个重要的课题。LED的功耗、寿命、设计自由度和控制性优异,被前照灯和室内照明等多种功能使用。TDK集团中的功率电感器根据使用的LED驱动器不同,形成了最合适升压型、降压型和升降压型等不同系统的广泛电感器系列产品。
驱动LED需要恒定电流电路。为了从变动的蓄电池电压中取出稳定的电力,必须使用直流转换器。使用的直流转换器(LED驱动器)根据使用的LED数量和系统的不同,区分使用升压型、降压型和可同时升降压的类型。假设蓄电池电压降至6V左右,仅使用1个正向电压为3.5V的一般白色LED时,使用降压型,而串联连接2-4个LED时,使用升降压型,串联连接5个以上时使用升压型。此外,如果是具有前照灯、日间行车灯和转向灯等多种功能的系统,有时会组合使用电路。

表1 LED驱动器的种类
虽然各个公司都有不同的称呼,但是高功能的LED前照灯使用了改变照射范围或自由改变辉度的配光可变功能。使用多个LED,根据需要调整各LED的辉度,改变亮度和照射范围?;镜缏饭钩扇缤?所示。升高电池电压(Boost)(约40-60V),然后用降压转换器(Buck)为LED供电。

图1 前照灯用LED灯电路构成
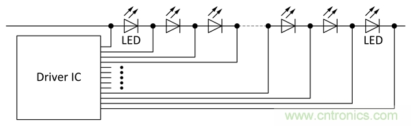
降压转换器(Buck)后面有多个LED串并联连接。(图2)为了改变辉度,调整流过各LED的电流,在极端情况下,只点亮一个LED,对上图的降压(Buck)转换器的输出电感器上施加接近60V的电压。因此,在这种用途中使用时,选择电感值比较高的电感器(例:100μH)。在前面的升压转换器的平滑用电容器中,为了瞬间改变照射范围,必须相对急剧的变动保持稳定,因此需要耐压100V、1-10μF的容量较大的电容器。

图2 多个LED串并联时的电路例
单灯型采用1个转换器的方式,使用升降压或升压型。用于单功能车外照明、室内照明、车载信息娱乐系统等。
多光束型采用2个转换器,前面使用升压电路,后面使用降压电路或恒定电流电路,车外照明中的前照灯时,在高光束和低光束的切换构成中使用?;蛘吒郊覦RL(日间行车灯)。
自适应前照灯系统也是2个转换器,前面使用升压电路,后面使用降压电路或恒定电流电路,作为主前照灯、DRL、方向指示器等LED前照灯系统使用。

表2 LED前照灯的驱动电路

表3 TDK推荐电感器的产品系列
单灯型LED前照灯简化了功能,切换高/低光束使用。这种情况下,使用约15W-30W的升压(Boost)转换器,代表性的电路构成如下所示。
输出电压由LED的串并联数决定,大约为20-30V。升压电路时,与降压电路相比,开关损耗较大,难以实现高频化。目前主要是200-400KHz。

图3 升压转换器的电路实例

日间行车灯和室内照明等、背光灯、方向指示器等功耗相对较少的照明使用恒定流电路、升降压电路。
LED电路中使用的升降压电路常使用SEPIC电路。

图4
图4所示的SEPIC电路实例中,使用2个电感器(L1、L2)和直流切断用电容器(C1)。输出以与一般升降压转换器相同的方式进行控制,通过以下公式求得。虽然以往的升降压转换器(电路B)输入和输出的极性相反,而SEPIC电路是相同的极性?;竟叵凳饺缦滤?,输出电压与电容器(C1)的输入电压相同。

根据上述关系式,理论上在L1和L2施加的电压(VL1、VL2)相同,可以替换为圈数1:1的联结双线圈(电路C)。采用双线圈时,施加在磁芯上的负担是1个时的两倍,并且需要磁芯损耗小、直流重叠大的电感器。B82477D*系列适合TDK的电感器产品。DR磁芯使用低损耗材料,抑制磁芯的发热。

图5 2合1电感器:B82477D*系列
推荐阅读:




