【导读】超声系统中要求最苛刻的临床诊断工具是连续波多普勒(CWD)接收器。对小尺寸、低成本的要求不得不牺牲CWD系统的灵敏度性能,通过分析当前使用的CWD接收器方案,设计人员开发出了新一代解决方案,该方案采用了已经投产的高集成度、低功耗双极型放大器和CWD混频器/波束成型芯片组。新方案能够保证CWD接收机无需折衷诊断特性。
CWD基本概念
典型的相控阵CWD架构中,64至128个超声传感器在孔径中心附近均分成两部分,一半的传感器单元用于发送器,聚焦超声CWD发射波束,另一半用于接收器,聚焦接收波束。作用在发射单元的信号是方波信号,典型频率为1.0MHz至7.5MHz多普勒频率。将适当相位的信号作用到发射单元来聚焦发射波束。同样,CWD接收信号通过对每个接收单元的信号进行相位调整、求和进行聚焦。
“波束成型”CWD接收信号由固态组织反射的强信号(通常称其为杂波)以及流动的血液反射回来的较弱的多普勒信号组成。每个相控阵接收通道输入端的典型杂波可能高达200mVP-P,而接收机参考输入的噪底会低至1nV/。为了优化接收性能,需要每通道的SNR达到大约157dBc/Hz。
对于一个64通道的CWD接收机,其SNR的要求非常极端。每个接收通道的噪声不相关,结果对于64个通道的噪底,波束成型后的信号噪底可能比单个通道的噪底高出18dB。然而每个通道的CWD是相关的,波束成型后的CWD信号会比单个通道的CWD信号高出36dB。考虑到“求和增益”的作用,波束成型后SNR的要求会比单个通道高出18dB,达到175dBc/Hz! 更加困难的是,感兴趣的低速多普勒信号的频率会在1kHz以内或低于杂波信号。由此可见超声检测设备面临巨大的设计挑战。
基于延时线的CWD波束成型
目前,超声系统大多采用模拟延时线接收器实现CWD信号检测(图1),来自超声接收单元的输入信号经过缓冲、放大,LNA提供大约20dB的增益。LNA输出被转换成电流信号,随后通过交叉开关和模拟延时线对RF频率信号进行波束成型。

图1. 基于CWD延时线的接收机简化电路
这种架构很容易集成,因为它所需要的电压-电流转换器、模拟开关、无源延时线以及单路I/Q混频器很容易集成。通过配置交叉开关求和,适当的延时线抽头切换信号,达到每个接收器的延时要求。
波束成型后的RF CWD信号混频后得到基带I、Q音频信号,这两路信号经过带通滤波后由高分辨率ADC进行数字转换,用于数字频谱分析。RF至基带的混频处理通常是接收链路保证SNR的瓶颈,这个处理过程对CWD的性能影响较大,以64通道设计为例,I/Q RF混频器需要在处理波束成型信号时具有175dBc/Hz (1kHz频偏)的动态范围。
很难找到或设计能够达到这一指标的混频器,此外,本振驱动信号还必须保持极低的抖动。遗憾的是很难从市场上获得能够达到这样指标的逻辑器件。虽然CWD延时线波束成型器能够满足结构紧凑的超声系统的最低要求,上述性能的局限性也是亟待解决的问题。
基于混频器的CWD波束成型
为了获得更高性能,在CWD系统中引入一个CWD混频器/波束成型器,简化框图如图2所示。该架构中,每个通道都具有一个I/Q混频器,在基带端(而非RF端)进行波束成型求和;每路I/Q混频器的LO相位可以调节在n (n = 8至16相)个相位的其中之一。LO相位的变化将改变接收信号的相位,达到波束成型的目的。

图2. 低功耗双极型LNA和CWD混频器/波束成型电路能够简化高性能CWD接收机的设计
由于混频器的实现基于每个通道,对每个通道混频器的要求可以降低到157dBc/Hz (1kHz频偏)。这一SNR指标虽然苛刻,但利用双极型混频器和标准逻辑器件可以实现?;炱灯魇涑鑫缌?,而且在声波基带进行无源求和,可以满足CWD波束成型的SNR要求。
基于混频器的CWD波束成型方案
过去,由于缺乏适当的集成工艺,很难实现高性能的CWD波束成型架构。但目前这一问题已经得到解决,对于功耗不敏感的应用无需降低CWD和成像质量,可以使用带有可编程CWD混频器/波束成型器的集成双极型八通道VGA。图3给出了接收链路的MAX2038 VGA原理图。

图3. 由MAX2038和MAX2034构成的超声接收机的单通道简化框图。MAX2038集成了八路VGA和CWD I/Q混频器/波束成型器,MAX2034集成了四路LNA。
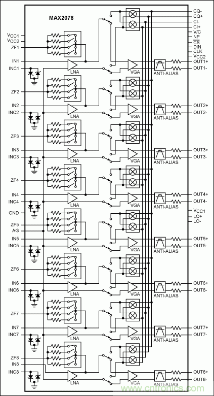
对于功耗和空间要求苛刻的高端应用,可以选择图4所示MAX2078新款、具有更高集成度、更低功耗的解决方案。该款完全集成的八通道接收器在单芯片双极型IC中包含了:LNA、VGA、抗混叠滤波器以及完全可编程的CWD混频器/波束成型器,这些器件使得各种超声系统不再受早期延时线CWD架构的制约,能够达到出色的CWD性能。

图4. MAX2078超低功耗、八通道超声接收器,带有CWD波束成型器,器件内部集成了八个高性能、低功耗超声接收通道,每个通道包括:LNA、VGA、抗混叠滤波器以及完全可编程的I/Q混频器/波束成型器。
构建CWD接收器的另外一个潜在问题是LNA放大器的SNR指标,为了降低功耗、减小尺寸,许多超声设计人员选择了CMOS LNA,这样的器件可能适合某些能够控制CWD性能的应用。利用几何尺寸低于0.35µm的CMOS工艺制作放大器时需要特别注意这个问题,在如此小尺寸的制造工艺中生产出的电路往往具有较大的1/f噪声,1/f噪声会引起LNA增益的低频调制,这是一个极其负面的影响。
较强的RF CWD杂波通过这种LNA时将产生较大的低频调制噪声,从而降低SNR指标和CWD检测灵敏度。因此,为了满足高性能的应用需求,应选择类似于MAX2034 4通道超声LNA的低功耗双极型放大器。
本文来源于Maxim。
推荐阅读:




