桃花源qm花论坛(品茶),凤楼阁论坛官网入口网址,一品楼品凤楼论坛最新动态,风楼阁全国信息2024登录入口

你的位置:首页 > 光电显示 > 正文

电路解读:51单片机LED系统设计方案

发布时间:2015-02-12 责任编辑:sherryyu

【导读】本文为大家介绍的是51单片机LED系统电路设计方案,主要为大家解读该系统,主要包含了系统硬件原理图,光耦传感器??榈纳杓?,显示??榈纳杓频鹊?,想学习的人不同错过。
 
LED 旋转显示器时基于视觉暂留原理,开发的一种旋转式LED 显示屏。其在具有一定转速地载体上安装16 个LED 发光器件,各LED 发光管等间距排位一条直线,随着旋转速度的加快,在计算机软件精确的时序控制下,不断扫描出预设的文字,图案等。使用一个光耦(U 型槽的红外对管)作为定位传感器,当旋转一周时,挡光板遮挡光源,光敏三极管的集电极输出高电平,当离开挡光板时,集电极再次输出低电平,从而给单片机一个下降沿的跳变型号,产生一个中断,从而更新显示。供电部分,因为整个装置是在不停的高速旋转当中,所以我们做了一个简单的电刷装置,把220V 的交流电通过变压器变成12V 的交流电,再由桥式整流电路,和滤波电路,变为平滑的直流电,最后通过7805 芯片输出我们需要的5V 直流电源,通过电刷把电源和指针板上的单片机连接为其供电。而旋转载体因为需要12V 的电压源,所以采用分别供电的方式。
  
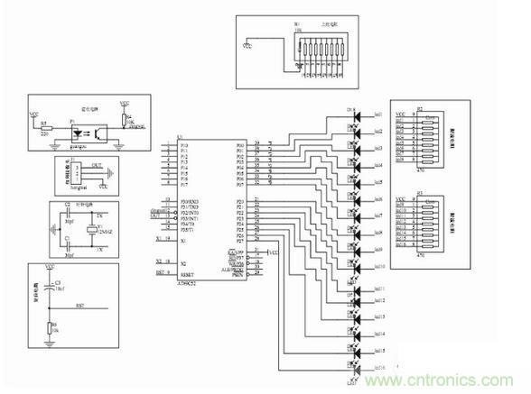
系统硬件原理图
  
系统硬件原理如下图所示
系统硬件原理如下图所示
光耦传感器??榈纳杓?/strong>
光耦传感器??榈纳杓? width=
对射式U 型槽光耦具有,响应速度快,驱动简单,安装容易,容易于单片机通信等特点。如图所示,当上电之后,光耦的光敏三极管的集电极时输出低电平,当有物体挡住了光敏三极管感应的红外光线时,光敏三极管的集电极和发射极处于高阻态,所以集电极输出高电平,当光敏三极管再次感应到红外光源的时候,集电极再次输出低电平,从而给单片机一个中断信号。
  
显示模块的设计
显示??榈纳杓? width=
LED 显示器具有功耗低,接口控制方便等优点,而且??榈慕涌谛藕藕筒僮髦噶罹哂泄惴旱募嫒菪?,并能直接与单片机接口,可方便地实现各种不同的操作,在各类测量及控制仪表中被广泛的应用。当在LED 上显示汉字时,应先取得汉字的点阵构成数据,然后将其写入显示存储器中进行显示。旋转LED 显示器是一种通过同步控制发光二极位置和点亮状态来实现图文显示的新型显示器,其结构新颖,成本低廉,可视角度达360°。
 
要采购传感器么,点这里了解一下价格!
特别推荐
技术文章更多>>
技术白皮书下载更多>>
热门搜索

关闭

?

关闭