1 简介
本文档介绍的是一款功率因数校正LED驱动器,它可以在90 VAC至265 VAC的输入电压范围内为LED灯串提供额定电压50 V、额定电流0.3 A的驱动。该LED驱动器采用了PowerIntegrations的LinkSwitch-PH系列IC中的LNK406EG器件。
详细内容请下载:
15 W、PFC、适合T8灯管的隔离式LED驱动器(DER-256)
相关阅读:
第一讲:100W高可靠性LED球泡灯驱动电源设计
第二讲:150W高可靠性LED路灯驱动电源设计
第四讲:能效高达85%的15W筒灯驱动电源设计
第五讲:PI 5W-16W TRIAC调光LED照明驱动解决方案
第六讲:针对B10型LED灯泡设计的高效率、超紧凑驱动器
LinkSwitch-PH IC可以帮助您设计出具有成本效益且元件数量极少的LED驱动器,不仅能满足功率因素和谐波限值,同时还能为最终用户带来不同凡响的使用体验。其特性包括超宽调光范围(本样板未采用)、无闪烁工作(即使使用的是低成本的AC输入可控硅调光器)以及快速、平滑的开启上电过程。
所使用的拓扑结构是运行于连续导通模式下的隔离反激。输出电流调节完全从初级侧检测,因此无需配备次级反馈元件。在初级侧也无需检测外部电流,而是在IC内部进行,从而进一步减少了元件和损耗。内部控制器调整MOSFET占空比以保持输入电流为正弦交流电,从而确保高功率因数和低谐波电流。
LNK406EG也可提供各种复杂的?;すδ?,包括环路开环或输出短路条件下自动重新启动。输入过压可帮助电源改善对输入电压故障和浪涌的耐受能力,输出过压可避免在负载断开时可能对电源造成的损坏,精确的迟滞热关断可确保在所有条件下PCB板平均温度都处于安全范围内。
此设计的主要目标是超薄和高效率。这样有助于使驱动器板适应T8灯管内LED负载板后的空间,并将工作时的温升保持在可接受的范围以内。为此,必须认真选择元件和安装方法,但这相比于方案的更换更加简单,因为初级侧调节的LinkSwitch-PH设计所需的元件数量很少。
本文档包含LED驱动器规格、电路原理图、PCB电路图、物料清单、变压器文件和典型性能特征。




2 电源规格
下表给出的是设计的最低可接受指标。实际性能在后续的测试结果部分给出。

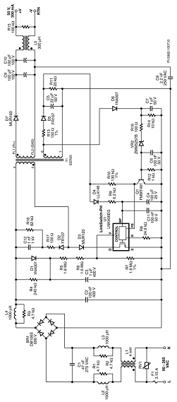
3 电路原理图

图4—电路原理图。
欲了解全文内容请下载技术白皮书:
15 W、PFC、适合T8灯管的隔离式LED驱动器(DER-256)
http://m.5r3h.cn/whitepaper/download/id/817



