- 基于光电跟踪检测调试仪的研制
- 检测调试仪设计
- 采用方位锁定机构
- 对检测调试仪硬件软件的设计
首先介绍了光电跟踪仪锁定机构检测调试仪研制的必要性和紧迫性,接下来介绍了方位锁定机构的特点及主要功能是完成对设备方位锁定机构状态的检测,能够在单板上实现对方位锁定机构加锁、解锁的控制,并能够判断锁定机构状态,实现脱离整机单独调试、排故,并以此制定出检测调试仪的设计方案。对硬件和软件设计部分作出详尽介绍,最后对光电跟踪仪锁定机构检测调试仪的优点作以总结:结构简单、操作简单,为工作提供极大便利。
检测调试仪的主要功能是完成对设备方位锁定机构状态的检测,能够在单板上实现对方位镇定机构加锁、解锁的控制,并能够判断锁定机构状态,实现脱离整机单独调试、排故。设计中采用89C52单片机作为处理器,实现对方位镇定机构的各项检测。
1 某光电设备锁定机构简介及检测调试仪方案
1.1 方位锁定机构
锁定机构在现代机电产品中有着极其广泛的应用。常用的锁定机构有手动和自动两大类。某光电跟踪仪采用小功率直流电机驱动的锁定机构,配合一定的电气回路和控制程序,该锁定机构可以在系统总电源通时自动松开,系统断电时自动锁定。该镇定机构的工作原理是:控制信号控制电机两个方向转动,推动凸轮对方位机构进行加锁或解锁。
加锁状态下,计算机检测光电开关输出(上)信号,若为低电平,则输出加锁控制信号到电机,控制凸轮向上运动,挡片(图1中虚线所示)随凸轮运动逐渐挡住光电开关(上)发光部分,K1停止工作,光电开关输出(上)变为高电平,即加锁到位信号,控制计算机接收高电平并撤销对电机的控制信号;解锁状态下,计算机检测光电开关输出(下)信号,若为低电平,则输出解锁控制信号到电机,控制凸轮向下运动,挡片随凸轮运动逐渐挡住光电开关(下)发光部分,K2停止工作,光电开关输出(下)变为高电平,即解锁到位信号,控制计算机接收高电平并撤销对电机的控制信号。

锁定机构工作,控制计算机和锁定机构之间要经过多块控制板,接口板等电路板以及20m长线传输进行通讯,尤其是经过20 m长线后主机和方位机构已经不处于同一舱室,当故障发生时,故障定位难度可想而知。
本设计的主要工作是通过检测装置对方位锁定机构单独供电,通过单片机89C52实现对光电开关输出(上)、(下)信号的自主检测,并控制电机双向转动,实现对方位锁定机构的各项功能检测。检测调试仪具体设计设计方案如下:1)处理器采用89C52单片机,实现自主采集方位锁定机构的状态信号,如加解锁到位信号等,并通过程序判断机构状态,控制电机工作状态;2)由于程序执行会有一些时延,为防止机构加锁到位或解锁到位时由于单片机未能及时切断控制信号而导致硬件损伤,故设计中要有硬件?;さ缏?3)设计中要保证电路有足够驱动能力,采用SN54LS245作为驱动;4)检测仪工装中要有测试端口和各类指示灯,如电源,复位,加解锁到位灯等,以及复位等按钮;5)电源转换??椋迪?8 V转5 V,为单片机等供电;6)具有完备的检测程序,能够对锁定机构进行完整检测。
[page]
2 检测调试仪设计
2.1 硬件设计
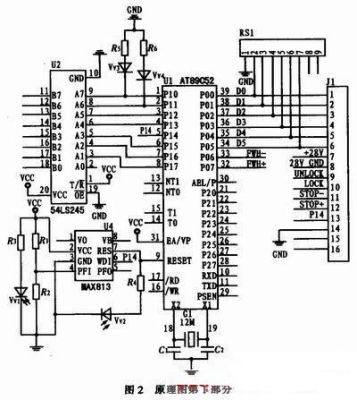
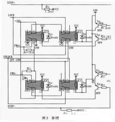
如图2所示,单片机通过读取外来信号D0—D5,程序内部判断后对锁定机构进行加锁或解锁控制,控制信号通过SN54LS245驱动后,控制图3中继电器的吸合来控制电机工作。没有加解锁控制信号或到位信号输入时,继电器K1、K2、K3、K4都处于3、4和9、10导通状态;当信号控制时,继电器K1、K2、K3、K4处于4、5和8、9导通状态。

当信号D0-D5为10000时,单片机通过P10口对方位锁定机构发出加锁命令,控制命令经SN54LS245驱动后作用于R9和VQ1,VQ1导通后,继电器K2的4、5导通,输出+28 VLOCK信号控制电机进行加锁。完全锁定后,光电开关输出(上)信号输出高电平即图3中STOP+,STOP+通过上拉电阻R16作用于R10和VQ2,VQ2导通后,继电器K3的4、5和8、9导通,+28 V LOCK信号切断,硬件上先停止加锁控制,防止造成机构硬件损伤。而K3的8、9导通后,FWH+输出+5 V电平给单片机,单片机接收信号后,终止加锁命令,VQ1截止,K3恢复常态。解锁过程和加锁过程类似,在此不作赘述。

[page]
2. 2 软件设计根据上述工作过程,软件设计流程图如下。

该检测调试仪可以在系统断电的状态下,通过外部电源供电,很好地控制锁定机构的各个方向的运动,完成对锁定机构全方位的检测,这大大方便了故障定位,减少了排故时对系统造成的损害。该装置还可以作为调试工具,对锁定机构进行上整机之前的单独调试,这对降低系统故障率有很大帮助。
该检测调试仪未设计在线调试功能,故障监测性差,下一步的改进中,将实现用串口通信实时检测测试信号,这样在整机调试中,可以在线监测系统对锁定机构的控制信号。
4 总结
该检测调试仪工装具有以下特点:
结构简单,便于携带,只需用舰船配备28 V电源即可工作;电路结构简洁,可靠性好;操作简单,单人即可完成,节省人力。
实验证明,该锁定机构检测调试仪能够在跟踪仪不加电状况下,独立完成对方位锁定机构的全方位检测。这为今后的调试工作,以及设备的售后维护和维修工作提供了极大的便利,为高效率的工作奠定了良好的基础。



