中心议题:
- 太阳能路灯电源系统
- 传统升压驱动器存在的问题
- LM3423 芯片
解决方案:
- LM3423 升压驱动电路的设计
- 避免漏电流存在
- 提供LED 短路?;?/strong>
一、引言
太阳能是绿色能源中最重要的能源,是取之不尽、用之不竭、广泛存在的天然能源,其优点是极为丰富、洁净、安全、价廉,对生态平衡没有任何影响。太阳能LED 路灯不仅能利用清洁免费的太阳能以及高效环保的LED 给道路带来照明,而且同时可以减少温室气体排放,实现绿色照明的目的。利用太阳能和LED 光源制成各种新型太阳能路灯,相同照度情况下比不用LED 的太阳能路灯节约太阳能电池和蓄电池容量40% ,光源寿命增加10 倍,可靠性提高5 倍,系统成本降低40%以上,同时也解决了常规太阳能路灯系统用交流逆变不可靠、低温启动难、系统造价高等缺点。[1]传统太阳能路灯驱动器存在的问题是电池寿命短,升压转换器没有任何防止短路出现的?;ぷ爸?,必须加设输入保险丝提供?;?,以免出现短路。采用NI(美国国家半导体)公司的LM3423 芯片,设计适用用于12/24V 电池输入的太阳能LED 路灯驱动器,能够有效解决传统方式所存在的问题。提高社会经济效益。
二、传统升压驱动器存在的问题
1.太阳能LED 路灯的电源系统结构

图1 太阳能路灯电源系统结构
太阳能LED 路灯的结构如图1 所示。太阳能电池板在太阳光的照射下,其内部PN 结会形成新的电子空穴对,在一个回路里就能产生直流电流,这个电流流入控制器,会以某种方式给蓄电池充电。蓄电池在白天的时候会接受充电,而在晚上则会提供能量给LED.
太阳能路灯采用升压工作方式,这样可以减少系统中LED 驱动器的数目,节约系统成本。升压结构使得LED 串联的数目不再受限于IC的耐压,而是由MOS 来决定,因而可以串联较多的LED.由于大多数的太阳能电池的输出电压都不高,因此太阳能路灯较适合使用升压结构。
而选用电流模式的恒流设计,可以让输出电流不受输入电压变化的影响,在电池满载以及快没电时,都能让路灯维持相同的亮度。
2.传统升压驱动存在的问题

图2 传统升压驱动电路
(1)电池使用寿命短:图2 中,即使关断升压转换器主开关,Vin 与Vout 之间仍会形成一条电流泄露路径,如果在输出端接有任何负载,其中泄露电流Ileak 接近于Vin/Rload,那么漏电流的存在使的蓄电池一直处于工作状态,这样将会缩短电池的使用寿命。
(2)无短路保护装置:图2 中,当出现输出端短路时,电流经过电感器,整流器和地,仅仅受到印刷电路板迹线电阻、整流器寄生电阻和电感器DCR 电阻的限制,没有其他任何?;ご胧?,即使主开关关断,也照样存在这个问题。因此必须加设输入保险丝提供?;?,以免出现短路。[page]
三、适用于太阳能路灯的LM3423 升压驱动电路的设计
1.LM3423 芯片功能介绍
美国国家半导体研发的LM3423 芯片输入电压范围在4.5V 到75V之间,适用于极宽的输入电压范围;50KHZ 的快速PWM调光;内部基准电压50mV- 1.25V;工作频率最大可达到1MHZ;内部驱动能力750mA,超低电流?;∮?uA.可以用来配置升压、浮动降压、浮动降压/ 升压和SEPIC 拓扑结构中低侧外部MOSFET的控制器;使用峰值电流模式控制器和预测性关闭时间设计来调节LED 电流,峰值电流模式控制器与预测性关闭时间设计的组合简化了回路补偿设计,同时提供内在的输入电压前馈补偿;设有用于控制外部调光FET 和系统"零电流"关闭特点的集成驱动器;并且具有LED 状态输出标记、故障标记、可编程故障计时器和逻辑针脚,用于控制调光驱动器的极性。
2.避免漏电流存在
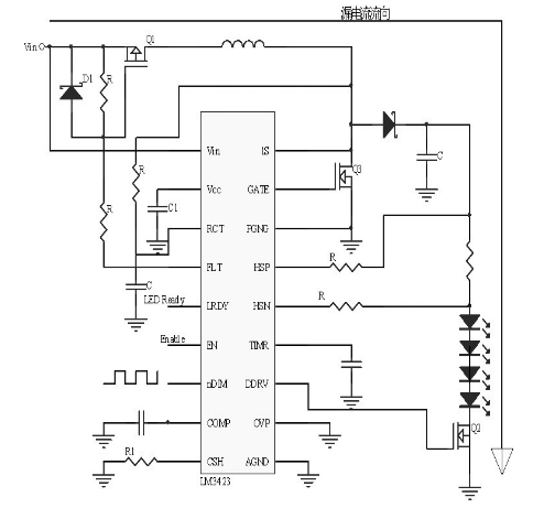
利用LM3423 设计升压LED 驱动器电路如图3 所示。图3 中,当EN 引脚命令升压转换器失效之后,主开关,nDIMFET 引脚和FLT 引脚会被关闭,从Vin 流入的电流就会趋近与零,有效避免任何漏电流流入串联一起的LED,因为此时的升压转换器已经失效。由于漏电流不再存在,?;毙畹绯乜梢源锏匠浔プ刺?,这样可以有效延长电池使用寿命。

图3 LM3423 升压LED 驱动电路
3.提供LED 短路?;?/strong>
图3 中,如果串联LED 与接地连接,形成短路,由FLT 引脚负责驱动的输入端P- FET(图3 中的Q1)会随即被关闭,令输入路径成为开路,这样不需要外加保险丝就能够简单实现LED 短路?;ぁ?br />
四、结论
基于美国国家半导体公司LM3423 芯片设计的太阳能LED 路灯驱动器,能够有效延长电池使用寿命,提供可靠的短路?;ご胧?,经测试,升压效益也有了很大提高。随着太阳能的普遍应用,太阳能LED 路灯的不断完善,性价比的不断提高,太阳能LED 将会普遍应用于城乡道路照明系统,为社会提供环保经济的资源。




