中心议题:
- 单线串接通信的LED显示系统方案
解决方案:
- LED显示系统的系统架构设计
- LED显示系统的通信方法
本文介绍了一种基于单线串接通信的LED显示系统方案。该方案可以有效地解决传统LED通信系统信号传输苛刻的时序配合问题,提高整个LED显示系统的稳定性和控制灵活性,同时也比当前LED通信系统具有更高的效率,具有通信方式简单、生产成本低、应用支持方便等特点。
1 、引言
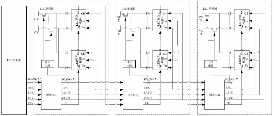
目前国内外大多数大型LED 显示系统基本由LED 控制板和若干个依次串接的LED 单元板组成。
LED 控制板与LED 单元板构成的LED 显示系统的主体,如图1 所示。其中,LED 单元板包括了增强信号驱动能力的BUFFER 电路、产生动态显示扫描时序的译码电路、若干个开关管和若干个LED 驱动电路。其通信过程为:LED 控制板发出的通信信号依次经过各串接的LED 单元板的BUFFER 电路进行驱动增强;各LED 单元板中经BUFFER 电路增强后的扫描信号(SCANO)提供给本LED 单元板的译码电路,译码电路译码产生动态显示扫描时序控制开关管;各LED 单元板中经BUFFER 电路增强后的使能信号(ENO)、锁存信号(LATO)、时钟信号(CLKO)分别提供给本LED 单元板中所有LED 驱动电路。

图1 常用的LED显示系统[page]
当前的LED 显示系统因数据信号经过依次串接的各LED 单元板上所有的LED 驱动电路,显示刷新频率受限于LED 驱动电路的数量及LED 驱动电路的通信速度,LED 驱动电路大多采用成本控制较严格的高压、大电流、大尺寸工艺,一般通信速度不超过30 MHz,当显示分辨率较高时,为了保证显示所需的显示刷新频率,LED 控制板需发出多组通信信号,分别控制多组依次串接的LED 单元板,大部分应用场合下,往往需要几十组控制信号,造成生产成本较高,应用支持复杂,如图2 所示。

图2 常用的大型LED显示系统
本文提出的新型LED 显示系统基于当今热点通信技术之一的单总线技术。它通过单条连接线解决了通信和供电的问题,具有结构简单、成本低廉、节省I/O 口资源、便于总线扩展和维护等优点。该LED 显示系统可以有效地解决上述问题。
2、 系统架构及其通信方法
2. 1 系统架构
本文提出了一种通信速度高、在大部分应用场合下LED 控制板只需输出一组通信信号、生产成本低、应用支持方便的新型LED 显示系统。系统由一个LED 控制板和若干个依次串接的LED 单元板组成,LED 单元板的数量视LED 显示系统的规模而定。该系统基于单线通信协议,系统架构图如图3 所示。

图3 LED显示系统架构[page]
LED 单元板由一个LED 通信电路、若干个开关管和若干个LED 驱动电路组成。其中,LED 通信电路端口包括通信信号输入端、通信信号输出端、动态显示扫描时序输出端、控制信号输出端和数据输出端。
2. 2 通信方法
LED 控制板发出通信信号提供给第一个LED单元板上LED 通信电路的通信信号输入端,此后的各LED 单元板的LED 通信电路的通信信号输出端连接下一个LED 单元板的LED 通信电路的通信信号输入端,最后一个LED 单元板的LED 通信电路的通信信号输出端悬空或者返回到LED 控制板,组成了本文所述的LED 显示系统的通信系统。
基于图2 所示的LED 显示系统架构和以上所述的通信系统,其通信方法如下:
定义LED 通信电路包括通信信号输入端、通信信号输出端、动态显示扫描时序输出端(SCAN<7:0>)、控制信号输出端(En、Lat、Clk)、数据输出端(DATAOUT);定义通信信号包括通信信号输出指令、动态显示扫描时序解析指令、控制信号时序控制解析指令、数据;各LED 单元板上LED 通信电路根据接收到的通信信号,解析出通信信号输出并经通信信号输出端提供给下一个LED 单元板的LED 通信电路的通信信号输入端;各LED 单元板的LED 通信电路根据接收到的通信信号,解析出动态显示扫描时序并经动态显示扫描时序输出端(SCAN<7:0>)控制本LED 单元板的开关管;各LED 单元板的LED 通信电路根据接收到的通信信号,解析出控制信号时序并经控制信号输出端(En、Lat、Clk)控制本LED 单元板的LED 驱动电路;各LED 单元板的LED 通信电路根据接收到的通信信号,解析出数据,经数据输出端(DATAOUT)提供给本LED 单元板的第一驱动电路数据信号输入,本LED 单元板的各LED 驱动电路的数据信号输出连接下一个LED 驱动电路的数据信号输入,最后一个LED 单元板的LED 通信电路的通信信号输出端悬空或者返回到LED 控制板。
通信原理是系统将需要传输给各个LED 单元灯驱动电路的信号用一组串行的帧数据表示,接收这些信号的LED 单元灯驱动电路从输入帧数据中,根据通信模式和指令类型接收并处理接收到的数据,将处理后的数据构建成新的帧数据作为输出,根据通信模式和指令类型发送给后续地址有效的LED 驱动电路,完成一次通信。LED 通信电路根据接收到的通信信号进行解析的方法可采用《LED显示系统的单线串接通信方法》文中公开的方法。
3、 结论
本文提出的LED 显示系统中,通信信号中包括的数据只需经过依次串接的各LED 单元板的LED通信电路,再由LED 通信电路的数据输出端控制本LED 单元板上的LED 驱动电路,显示刷新频率仅仅受限于LED 单元板的数量及LED 通信电路的通信速度,从而使通信速度得到了数量级的提高,在大部分应用场合下LED 控制板只需输出一组通信信号,即可实现LED 显示系统的控制,该LED 显示系统具有生产成本低、应用支持方便等优点。





