- 针对LED 路灯的高效率电源驱动器的AC/DC
- 控制方式及零电压开通设计
- 同步整流驱动设计
- 变压器设计
- 实验结果与总结
本文分析并提出了一种方案主要针对LED 路灯的高效率电源驱动器的AC/DC 部分。电路采用了零电压开通技术降低了一次侧Mos 管的开关损耗。本文还提出了一种可用于高输出电压情况下的混合型同步整流方案并对其工作原理和工作过程进行了较为详细的分析, 并就如何减小变压器的损耗提出了一些看法。最后, 本文介绍了设计样机进行的实验结果。
1. 引言
近年来, 随着大功率白光LED 技术的发展, 照明产业开始面临新的机遇与挑战。LED 越来越多地被应用于通用照明领域, 道路照明则是其中一个极具潜力的重要应用领域。由于LED 本身所特有的长寿命、潜在的高光效的特征, 设计一款能够充分发挥此特征的高效率恒流驱动电源则显得尤为重要。
2. 高效率LED 电源驱动器的设计与分析
2.1 设计概述
在本次针对LED 路灯进行电源设计时, 需充分考虑到此应用的特点与要求:
1) 单灯最大功率不超过100W。
2) 为提高路灯的可用性, 灯具中LED 分为若干组, 每组中LED 串联驱动, 组间分别驱动, 单组损坏不影响其它组LED。
3) 为提高安全性, 输入与输出之间需要电气隔离。
4) 电源需具有较高的功率因数。
为满足以上要求, 本设计采取ACPDC 恒压电源与多路DCPDC 恒流驱动级联的方式驱动多路LED。
ACPDC 部分采用反激式拓扑, 输出52V , 100W。
DCPDC 部分采用国半的LED 恒流驱动芯片LM3404。
本文仅介绍AC/DC 部分的设计。
反激式电源的损耗主要在于3 个地方: 1) 一次侧Mos 管的损耗, 包括导通损耗和开关损耗。2) 二次侧整流二极管的损耗。3) 高频变压器的损耗, 主要包括铁损、铜损及漏感造成的损耗。为提高电源的效率, 主要需从这三个方面采取措施, 减小损耗。
2.2 控制方式及零电压开通设计
本设计中, 采用ST 公司的L6562 作为主控芯片, L6562 是一款经济型功率因数校正控制器。反激式电源工作在不连续导电模式(DCM) , 通过前端EMI 滤波器自动实现高的功率因数。
为减小初级Mos 管损耗, 我们选用ST 公司的Mos 管STP11NM60 , 导通电阻0145 Ω , 可以有效减少导通损耗, 并采用准谐振技术, 实现对Mos 管的零电压开通, 可以最大限度地减小开关损耗。
自从20 世纪70 年代以来, 软开关得到了充分发展, 准谐振技术也有了成熟的应用。L6562 本身就具有零电压开通检测管脚, 可以较为方便地实现当Mos 管漏极电压降到谷底时将其开通。
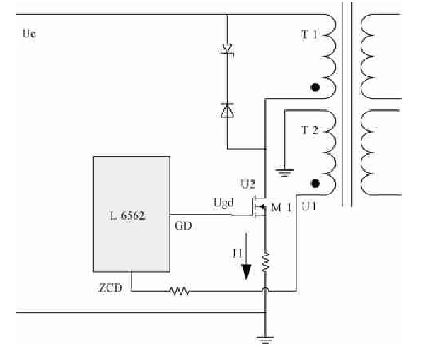
具体设计如图1 所示, 其中, T1 为变压器的一次侧绕组, T2 为辅助绕组。1) t0 ~ t1 时段, Mos 管M1 开通, 整流输出电压Uc 流经变压器T1 绕组, 电流I1 上升。2) t1 时刻, Mos 管关断, Mos 管电压U2上升, 变压器初级绕组电流I1 换流到次级绕组电流I2。3) t1 ~ t2 时段, 变压器开始向副边输送能量,副边的充电电流I2 随时间线性减小。4) t2 时刻, I2降为0 , 储存于变压器中的能量释放完毕。5) t2 ~t3 时段, 变压器T1 绕组电感L1 , 漏感L2 与Mos 管漏极对地电容C1 开始谐振, 谐振频率。T2 作为辅助绕组之一, 其一端电压U1 随U2 降低, 当低于ZCD 的阈值下限116V , 即位于图2 所示A 点时, L6562 再次开通M1 , 下一周期开始。

图1 实现零电压开通电路的原理图[page]
此电路实现了在Mos 漏极电压达到谷底时开通,尽可能地减小了Mos 管漏极对地电容在高电压情况下放电造成的损耗。

图2 电路工作时各点波形图
2.3 同步整流驱动设计
在一般的反激式开关电源中, 二次侧的整流二极管损耗也是电源效率的重要影响因素之一, 可以通过选用低导通压降的肖特基二极管来缓解这个问题。但一方面, 这种改良对性能的影响并不是非常显着; 另一方面, 在本应用中, 输出电压较高, 而肖特基二极管的反向耐压一般较低, 难以满足要求。
比较好的方法就是采用同步整流技术, 用导通电阻低的Mos 管替代传统的整流二极管。同步整流按照工作方式可以分为外驱型和自驱型,按工作原理分, 又可以分为电压型驱动 、电流型驱动和谐振型驱动等。这些同步整流方式各具特点,但也各有不足。文献中提出了一种较为实用的电流型同步整流驱动方案, 但由于将Mos 管的门极驱动电压钳位在输出电压, 而门极击穿电压较低, 因此只适用于较低输出电压的情况。
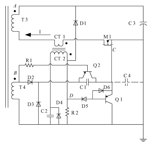
本文提出了一种新型的混合型同步整流方案,电路结构如图3 所示, 其工作原理简单描述如下:

图3 同步整流方案的电路结构
T3 与T4 分别为变压器上的两个绕组: 其中, T3 为二次侧绕组, 用于能量的传递, T4 为辅助绕组。T4上的电压跟随T3 的电压升高, 用以开启同步整流Mos 管M1。CT1 与CT2 则为电流互感器CT 的两个绕组, 其中, 初级绕组CT1 被串在主电路中, 用于检测流经Mos 管的电流。当CT1 中的电流下降到零时, CT2 将把M1 关断。因此, 此方案以电压信号控制Mos 管导通, 电流信号控制Mos 管关断, 不仅效率高, 而且工作稳定, 不存在误开通的情况。下面将对这种驱动方案的工作过程做详细分析。
1) 第一阶段, 变压器一次侧Mos 管关断, 电流从变压器的一次侧换流到二次侧。T3 绕组通过CT1 , M1 为输出电容器C3 充电。T3 绕组的输出电压被钳位于C3 两端电压(在本应用中约为52V) 。
由于T4 绕组为变压器的一个辅助绕组, 因此, 同名端B 点的电压比例上升至一个高电压(在此应用中约为10V) 。则B 点电压通过二极管D2 为电容器C1、C4 充电。其中, 电容器C4 为Mos 管M1 的门极输入电容, 通常小于1nF , 以虚线示出。电容器C1为外加电容, 取C4 电容值的10 倍以上。由于C4 远小于C1 , 并且电容值很小, 根据电容器的串联分压原理, C 点电压很快被充至近10V , M1 导通。同时, 电流互感器CT 中的能量从绕组CT2 通过二极管D1 馈入输出电容器C3 , 降低了开关驱动损耗,D 点电压也被钳制在约52V。
2) 第二阶段, 流经D1 的电流降为0 , 此时流经CT1 的电流降为Ioff 。D1 关断, D 点电压开始降低, 最终使PNP 型三极管Q1 导通, C4 上的电被放掉, C 点变为低电压, M1 关断, 同步整流结束。由于此时Ioff > 0 , 变压器二次侧的充电过程仍未结束,改经M1 的寄生体二极管续流, A 点、B 点仍为高电压。由于C4 被Q1 短路, T4 通过D2、Q1 为C1 充电, 直到C1 被充满。值得注意的是, C1 之所以选用电容而不使用电阻, 一方面保证了第一阶段中对C4 的快速充电, 另一方面使得第二阶段中Q1 导通后在其上的损耗得以降低, 提高了驱动的效率。
3) 第三阶段, 变压器一次侧Mos 管再次导通,A 点、B 点为负电压, PNP 三极管Q2 导通, C1 被放电, 保证了下一周期能够再次正常工作。C 点电压保持在低电压, 不会造成M1 的误开通。值得注意的是, 在每个周期中, C1 都会被反复冲放电。其损耗由公式P = 1/2 CU2 f 可得。其中, 设C = 10nF ,U = 10V , f = 100kHz。因此P = 50mW, 此即在C1上损耗的功率。当变压器一次侧Mos 管在一段时间后再次关断后, 新的一个周期开始。
这种新型的同步整流方案具有如下特点: 1) 可以广泛适用于各种输出电压。2) 电路结构和原理较为简单。3) 驱动损耗小, 效率高。4) 电路确定性好, 无误动作。电路在PSpice 下的Mos 管电流波形和门极驱动电压波形的仿真结果如图4 所示。

图4 Mos 管电流波形和门极驱动电压波形的Pspice 仿真结果[page]
2.4 变压器设计
高频变压器作为隔离型电源中必不可少的组件,在提升效率方面所起的作用也是不容忽视的。变压器的损耗主要分为铜损、铁损及漏感造成的损耗三大块。
铜损是指变压器线圈电阻所引起的损耗。当电流通过线圈电阻发热时, 一部分电能就转变为热能而损耗。在低频时, 变压器的铜损主要是铜导线的直流电阻造成的, 但工作在50kHz~100kHz 的高频电源变压器则必须考虑到集肤和邻近效应。为减小两者带来的交流铜阻变大的现象, 可以采取用里兹线替代单股粗铜线绕制变压器, 一次侧线圈与二次侧线圈交错绕制等方法。
铁损即磁芯损耗, 包括磁滞损耗、涡流损耗和残留损耗。其大小由公式Pc = Kp ×Bn ×f m ×vol所决定。其中, B 为铁芯中的工作磁感应强度, f 为工作频率, vol 为铁芯体积。Kp , n , m 则为与铁芯材料有关的常数。要减小铁损, 可以在增加线圈匝数的同时增大气隙, 以此来减小工作磁通, 但最根本的措施还是选用更好的磁芯材料。
另外要使铁损与铜损之和最小, 必须满足以下两个条件: 1) 铁损= 铜损。2) 原边铜损= 副边铜损。
变压器损耗的另一重要组成部分则是由漏感造成的。漏感Lσ 上损耗的功率由公式P = 1P2LσI2 f确定。其中, I 为变压器一次侧的峰值电流, f 为开关频率。漏感的存在使初级Mos 管上需要承受更大的电压应力。而在反射电压一定的条件下, 漏感越大, 则变压器的效率越低 。要减小变压器的漏感, 需要从铁芯结构的选取, 气隙的位置, 绕组绕制的方式等方面综合考虑。
近年来, 平面变压器作为一种新的变压器技术正在日趋成熟。该变压器使用的是高度较低, 底部面积较大的平面磁芯。同常规的漆包线绕组不同,该变压器的绕组是利用印制板上的螺旋形印制线来实现的。与传统变压器相比, 平面变压器具有效率高、工作频率高、体积小、漏感小、热传导性好、一致性好等众多特点。虽然其目前在国内还面临着成本较高、技术仍不完善等缺陷, 但随着进一步的发展, 平面变压器必将在一些高端应用中取代传统变压器。
3 实验结果与总结
根据以上分析, 我们制作了一台100W 样机进行实验。样机的输入电压范围为176V~264V , 输出电压为52VDC , 二次侧Mos 管选用IR 的IRF4229。
图5 所示为220V 输入情况下一次侧开关管电压波形和门极驱动波形。由图可见, 一次侧开关管可以实现在电压谷底开通, 大大降低了开关损耗。

图5 220V 输入下一次侧开关管电压波形和门极驱动波形
图6 所示为二次侧Mos 管电流波形及同步整流的驱动电压波形。由图可见, Mos 管的开通和关闭信号都具有较陡的边沿, 工作效果好。

图6 二次侧Mos 管电流波形及同步整流的驱动电压波形
表1 是在100W 电阻负载下测试的样机效率和功率因数, 可见本文提出的高效率电源驱动器可以在要求的电压范围内实现高于90 %的效率和较高的功率因数。

表1 不同输入电压下电源效率及功率因数
另外, 由于变压器制作工艺的限制, 本样机的变压器并不算非常好, 对效率的影响也比较大。如果能够在这方面加以改进, 效率仍有较大的上升的空间。
结论:
本文分析并设计了一种针对LED 路灯的高效率电源驱动器的AC/DC 部分。电路的主拓扑采用了基于L6562 的反激式变换器。电路工作于DCM并自动实现了高功率因数。变压器的一次侧采用了零电压开通技术以实现低的开关损耗。本文还提出了一种可用于高输出电压的混合型同步整流方案并对其工作原理和工作过程进行了较为详细的分析。最后, 本文就如何减小变压器的损耗提出了一些看法。实验结果表明, 按照此方法设计出的样机具有高效率和高功率因数的优点, 设计是较为成功的。




