- 分析并提出恒流驱动电路的设计方式
- 分析LED显示屏常规驱动电路的设计
- 发现常规型驱动电路存在的缺陷
- 提出LED显示屏恒流驱动电路的设计方案
1、引言
LED显示屏是80 年代后期在全球迅速发展起来的新型信息显示媒体,它利用发光二极管构成的点阵??榛蛳袼氐ピ?,组成大面积显示屏幕,以其可靠性高、使用寿命、环境适应能力强、性能价格比高、使用成本低等特点, 在信息显示领域已经得到了非常广泛的应用。
LED显示屏主要包括发光二极管构成的阵列、驱动电路、控制系统及传输接口和相应的应用软件等,其中驱动电路设计的好坏, 对LED 显示屏的显示效果、制作成本及系统的运行性能起着很重要的作用。所以,设计一种既能满足控制驱动的要求, 同时使用器件少、成本低的控制驱动电路是很有必要的。本文就常规型驱动电路的设计作些分析并提出恒流驱动电路的设计方式。
2 、LED显示屏常规驱动电路的设计
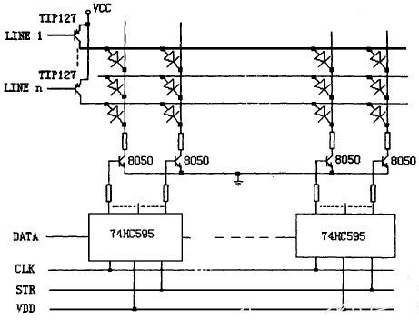
LED 显示屏驱动电路的设计,与所用控制系统相配合,通常分为动态扫描型驱动及静态锁存型驱动二大类。以下就动态扫描型驱动电路的设计为例为进行分析:
动态扫描型驱动方式是指显示屏上的4行、8行、16行等n 行发光二极管共用一组列驱动寄存器, 通过行驱动管的分时工作,使得每行LED的点亮时间占总时间的1/n ,只要每行的刷新速率大于50Hz,利用人眼的视觉暂留效应,人们就可以看到一幅完整的文字或画面。
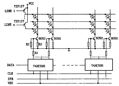
常规型驱动电路的设计一般是用串入并出的通用集成电路芯片如74HC595或MC14094 等作为列数据锁存,以8050 等小功率NPN 三极管为列驱动,而以达林顿三极管TIP127等作为行扫描管,其电路如图1 所示。


图2 工作时序图
3、常规型驱动电路存在的缺陷
(1) 当某一行行驱动管有效时,该行所对应的所有LED发光二极管的点亮电流都将流过该行驱动扫描管,而一行中点亮LED管子的多少随所要显示的文字或图形而不断改变,所以行扫描管中流过的电流有较大的变化,将使其管压降有所改变;
(2) 点亮LED管子的多少而引起电流的变化也将影响到电源电压值的波动,由此将影响到第一行LED管子两端的电压,使其随不同的显示文字或图形不断波动,影响了整个显示屏亮度的均匀性。
4 、LED显示屏恒流驱动电路的设计

图3
图3 给出了发光二极管的相对亮度与其中流过的电流之间的关系,从曲线中可以看出: 在一定的正向电流工作范围内,其发光亮度与其中流过的电流近似成正比,属于电流驱动型器件。所以只要能保证每个L ED 发光管中流过的电流为一常数,就能保证其亮度一致。
而从常规型驱动电路的工作原理中可以看出,由于其行、列驱动管都工作在饱和状态,无法控制其电流的大小,所以外加电源电压的波动、行扫描驱动管管压降的改变等,就直接影响L ED 发光管中流过的电流,也即改变了其显示亮度。如果将列驱动管由饱和状态改为线性放大状态, 变成恒流型驱动,就可以消除由上述因素造成的显示屏亮度不均允的现象。列恒流型驱动电路见图4。
在电源电压VDD 稳定时,74HC595 的高电平输出电压V 也很稳定,如电源电压VDD为6V 时,V = 5.9V。所以当74HC595 的某一位输出为高电平时, 其对应列的L ED 将被点亮,且其中流过的电流近似为:

[page]
用这种列恒流驱动方式工作,可以做到不管一行中LED管子点亮数的多少,其行驱动管的管压降虽然仍有变化,电源电压VCC也可以有所改变, 由于每个LED发光二极管中流过的电流恒定不变, 从而保证了LED 显示屏亮度的均允性。

图4 列恒流型驱动电路
总结
本文主要是对LED显示屏恒流驱动电路的设计分析的技术文章,通过本文我们可以从中学到LED显示屏常规驱动电路的设计,常规型驱动电路存在的缺陷以及LED显示屏恒流驱动电路的设计等方面的技术知识。通过本文,广大的电子工程师们一定能从中选择合适的ED显示屏恒流驱动电路的解决方案。





