- LED太阳能草坪灯的设计
- 太阳能草坪灯的控制器用于蓄电池充放电控制
- 太阳能草坪灯大多数采用超高亮白光LED
1、引言
太阳能作为一种新兴的绿色能源,以其无可比拟的优势得到迅速的推广应用。作为第四代新光源,在城市亮化美化、道路照明、庭院照明、室内照明以及其他各领域的照明和应用中得到了有效的利用。尤其是在偏远无电地区,太阳能照明灯具更具有广泛的应用前景。 一般人认为,节能灯可节能4/5是伟大的创举,但LED比节能灯还要节能1/4,这是固体光源伟大的革新。
除此之外,LED还具有光线质量高,基本上无辐射,可靠耐用,维护费用极为低廉等优势,属于典型的绿色照明光源。超高亮LED的研制成功,大大地降低了太阳能灯具使用成本,使之达到或接近工频交流电照明系统初装的成本报价,并且具有?;せ肪?、安装简便、操作安全、经济节能等优点。由于LED具有的光效率高,发热量低等优势,已经越来越多地应用在照明领域,并呈现出取代传统照明光源的趋势。
在我国西部,非主干道太阳能路灯、太阳能庭院灯渐成规模。随着太阳能灯具的大力发展,“绿色照明”必将会成为一种趋势。而LED太阳能草坪灯作为其中的一个代表,也将得到大力的推广和应用,本文主要介绍它的一些知识,希望能给大家一些启发。
2、LED太阳能草坪灯的定义及结构组成
太阳能草坪灯主要利用太阳能电池的能源来进行工作,当白天太阳光照射在太阳能电池上,把光能转变成电能存贮在蓄电池中,再由蓄电池在晚间为草坪灯的LED(发光二极体)提供电源。其优点主要为安全、节能、方便、环保等。适用于住宅社区绿草地美化照明点缀,公园草坪美化点缀。LED太阳能草坪灯的结构组成:由太阳能电池组件(光电板)、超高亮LED灯(光源)、免维护可充电蓄电池、自动控制电路、灯具等组成。
3、太阳能草坪灯的系统组成、控制原理和电路原理
3.1 太阳能草坪灯的系统组成
LED太阳能草坪灯是一个独立的发电系统。它能够独立的完成把太阳能转换为电能,并能把电能转换成热能供照明和装饰使用,而不需要电线的传输。一个独立的光伏系统一般由以下三部分组成:太阳电池组件;充、放电控制器、逆变器、测试仪表和计算机监控等电力电子设备和蓄电池或其它蓄能和辅助发电设备。光伏系统具有以下的特点:没有转动部件,不产生噪音; 没有空气污染、不排放废水;没有燃烧过程,不需要燃料; 维修保养简单,维护费用低;运行可靠性、稳定性好;作为关键部件的太阳电池使用寿命长,晶体硅太阳电池寿命可达到25年以上;根据需要很容易扩大发电规模。[page]


图1:几种常见的LED太阳能草坪灯
图2是一个典型的供应直流负载的光伏系统示意图。其中包含了光伏系统中的几个主要部件:光伏组件方阵:由太阳电池组件(也称光伏电池组件)按照系统需求串、并联而成,在太阳光照射下将太阳能转换成电能输出,它是太阳能光伏系统的核心部件。

图2:直流负载的太阳能光伏系统
[page]LED太阳能草坪灯是一个小型的太阳能供电系统(图3是一个简单的太阳能供电系统)。它的结构非常简单主要由太阳能电池板、充放电控制器、蓄电池、照明电路和灯杆等部分组成(如图4)。

图3:小型太阳能供电系统

图4:LED太阳能草坪灯的组成
3.2 太阳能草坪灯的控制原理
太阳能草坪灯的控制器主要是用于蓄电池充放电的而控制。图4-4就是一个最基本的充放电控制器。在该图中,由光伏电池板、蓄电池、太阳能控制器和负载组成了一个基本的光伏应用系统。这里的开关K1和K3为充电开关,K3为放电开关,它们均属于太阳能控制中心的一部分。图中开关的开合由控制电路根据系统的充放电状态来决定。当蓄电池充满电时断开充电开关,需要充电时闭合充电开关;当蓄电池放电时闭合K2,否则断开。而这些控制电路可以采用三极管、电阻、电容、电感构成的电压比较升压充放电电路,也可以采用光控电路,或者采用集成运放构成的电压滞回比较器,还可以采用单片机。鉴于廉价的考虑一般采用前者。

图5:充放电控制器的基本原理

图6:蓄电池放电示意图
一般来说,一个合格的太阳能充放电控制器具有以下几种充放电?;つJ剑?br /> [page]
a 直充保护点电压:直充也叫急充,属于快速充电,一般都是在蓄电池电压较低的时候用大电流和相对高电压对蓄电池充电,但是,有个控制点,也叫保护点,就是上表中的数值,当充电时蓄电池端电压高于这些?;ぶ凳保νV怪背?。直充?;さ愕缪挂话阋彩?ldquo;过充?;さ?rdquo;电压,充电时蓄电池端电压不能高于这个?;さ?,否则会造成过充电,对蓄电池是有损害的。
b 均充控制点电压:直充结束后,蓄电池一般会被充放电控制器静置一段时间,让其电压自然下落,当下落到“恢复电压”值时,会进入均充状态。为什么要设计均充?就是当直充完毕之后,可能会有个别电池“落后”(端电压相对偏低),为了将这些个别分子拉回来,使所有的电池端电压具有均匀一致性,所以就要以高电压配以适中的电流再充那么一小会,可见所谓均充,也就是“均衡充电”。均充时间不宜过长,一般为几分钟~十几分钟,时间设定太长反而有害。对配备一块两块蓄电池的小型系统而言,均充意义不大。所以,路灯控制器一般不设均充,只有两个阶段。
c 浮充控制点电压:一般是均充完毕后,蓄电池也被静置一段时间,使其端电压自然下落,当下落至“维护电压”点时,就进入浮充状态,目前均采用PWM(既脉宽调制)方式,类似于“涓流充电”(即小电流充电),电池电压一低就充上一点,一低就充上一点,一股一股地来,以免电池温度持续升高,这对蓄电池来说是很有好处的,因为电池内部温度对充放电的影响很大。其实PWM方式主要是为了稳定蓄电池端电压而设计的,通过调节脉冲宽度来减小蓄电池充电电流。这是非常科学的充电管理制度。具体来说就是在充电后期、蓄电池的剩余电容量(SOC)>80%时,就必须减小充电电流,以防止因过充电而过多释气(氧气、氢气和酸气)。
d 过放?;ぶ罩沟缪梗赫獗冉虾美斫?。蓄电池放电不能低于这个值,这是国标的规定。蓄电池厂家虽然也有自己的?;げ问ㄆ蟊昊蛐斜辏钪栈故且蚬昕柯5?。需要注意的是,为了安全起见,一般将12V电池过放保护点电压人为加上0.3V作为温度补偿或控制电路的零点漂移校正,这样12V电池的过放?;さ愕缪辜次?1.10V,那么24V系统的过放?;さ愕缪咕臀?2.20V 。目前很多生产充放电控制器的厂家都采用22.2V(24V系统)标准。
3.3 太阳能草坪灯充放电控制器的设计
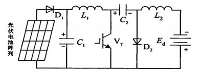
充电控制器作为光伏电池和铅酸蓄电池的接口电路,一般都希望让其工作在最大功率点,实现更高的效率,但是在实现最大功率点跟踪(MPPT)的同时,还需要考虑进行蓄电池充电控制。目前常用的主电路拓扑主要有降压型电路(Buck)变换器、升压型电路(Boost)变换器、丘克电路(Cuk)变换器等。一般光伏电池输出电压波动较大,而Buck变换器或Boost变换器只能进行降压或升压变换,受此影响,光伏电池不能在大范围内完全工作于最大功率点,从而造成系统效率下降。同时,Buck变换器输入电流纹波较大,如果输入端不加一个储能电容就会使系统工作在断续状态下,从而导致光伏电池输出电流时断时续,不能处于最佳工作状态;而Boost变换器输出电流纹波较大,用此电流对蓄电池进行充电,不利于蓄电池的使用寿命;Cuk变换器同时具有升压和降压功能,将Cuk变换器应用于光伏系统充电控制器中,可以在较大范围内实现最大功率点跟踪,有利于系统效率的提高。因此,常选用Cuk变换器作为充电控制器的主电路,其系统拓扑如图7所示。

图7:Cuk充电控制器主电路
Cuk变换器在负载电流连续的情况下,其电路的稳态过程有:
1、开关管Vr导通期间
此期间开关管Vr导通,电容C2上的电压使二极管D2反偏而截止,这时输入电流iL2使Ll储能;C2的放电电流iL2使L2储能,并供电给负载,如图8(a)所示。
2、开关管Vr截止期间此期间开关管Vr截止,二极管D2正偏而导通,电源和Ll的释能电流iLl向C2充电,同时L2的释能电流iL2以维持负载,如图8(b)所示。因此,Vr截止期间C2充电,Vr导通期间C2向负载放电,C2起能量传递的作用。

图8:Cuk变换器连续工作模式等效电路图
3.4 太阳能草坪灯的电路原理
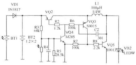
太阳能草坪灯的电路原理比较简单。下面我们具体介绍一种简单的太阳能草坪灯的电路原理。它的控制器就是采用升压电路来实现的。

图9:一种简单的太阳能草坪灯的电路原理图
[page]元器件选择:BT1选用3.8V/80mA太阳能电池板,单晶硅为好,多晶硅次之;BT2选用两节1.2V/600mA Ni-Cd电池,如需要增大发光度或延长时间,可相应提高太阳能板及电池功率。VQ2、VQ3、VQ5的β在200左右,VQ4需β值大的晶体管。VD1尽量选管压低的,如锗管或肖特基二极管。LED可选用白、蓝、绿色超高亮度散光或聚光。当选用红黄橙等低压降LED时,电路需重新设定。R3、R5建议选用1%精度电阻;R4用亮阻10kΩ~20kΩ,暗阻1MΩ以上的光敏电阻。其他电阻可选用普通碳膜(1/4)W、(1/8)W电阻。L1用(1/4)W色电感,直流阻抗要小。
该电路的工作原理:白天有太阳光时,由BT1把光能转换为电能,由VD1对BT2充电,由于有光照,光敏电阻呈低阻,VQ4 b极为低电平而截止。当晚上无光照时光敏电阻呈高阻,VQ4导通,VQ2 b极为低电平也导通,由VQ3、VQ5、C2、R6、L1组成的DC升压电路工作,LED得电发光。
DC升压电路其核心就是一个互补管振荡电路,其工作过程为:VQ2导通时电源通过L1、R6、VQ4向C2充电,由于C2两端电压不能突变,VQ3 b极为高电平,VQ3不导通,随着C2的充电其压降越来越高,VQ3 b极电位越来越低,当低至VQ3导通电压时VQ3导通,VQ5相继导通,C2通过VQ5 ce结、电源、VQ3 eb结(由于VQ2导通,我们假设其ec结短路,VQ3 e极直接电源正极)放电。
当放完电后VQ3截止,VQ5截止,电源再次向C2充电,之后VQ3导通,VQ5导通,C2放电,如此反复,电路形成振荡,在振荡过程中,VQ5导通时电源经L1和VQ5 ce结到地,电流经L1储能,VQ5截止时L1产生感应电动势,和电源叠加后驱动LED,LED发光。本可以提高电池电压直接驱动LED,以提高效率,但电池电压提高,相应的太阳能电池价格也大幅提高,只要电路元件设置合适,其效率还是可以接受的。当白天充电不够时(如遇上阴雨天等),BT2可能发生过放电,这样会损坏电池,为此特加R5构成过放?;ぃ旱钡绯氐缪菇抵?V时,由于R5的分压使VQ4基极电位不足以使VQ4导通,从而?;さ绯?。增加R5会影响VQ4的导通深度。
4、光源优势及选择
目前多数草坪灯选用LED作为光源,LED寿命长,可以达到100000小时以上,工作电压低,非常适合应用在太阳能草坪灯上。特别是LED技术已经经历了其关键的突破,并且其特性在过去5年中有很大提高,其性能价格比也有较大的提高。另外,LED由低压直流供电,其光源控制成本低,使调节明暗,频繁开关都成为可能,并且不会对LED的性能产生不良影响?;箍梢苑奖愕乜刂蒲丈?,改变光的分布,产生动态幻景,所以它特别适用在太阳能草坪灯上。
但是LED有它许多固有的特性,使用时如果不注意就会造成不良后果。LED目前市场上销售的发光效率仅能达到15lmW,只能达到三色基色高效节能灯1/3,三色基色高效节能灯的发光效率可以达到50-60lmW,从价格上看,目前生产每1m的成本:三色基色高效节能灯(含电子镇流器)0.022元,2002年φ5mm白光LED价格为1.9-3.0元,目前生产每1m的成本价格相差悬殊。从使用寿命上看,三色基色高效节能灯(含电子镇流器)的寿命可以达到6000h,LED可以达到100000h以上,从表面上看LED寿命是三色基色高节能灯(含电子镇流器)的几十倍,但是事实并非如此。
目前太阳能草坪灯大多数采用超高亮白光LED,它在20mA下超高亮白光LED光通维持率达到初始强度50%的时间(寿命)不到10000h,复旦大学电光源所曾经证明上述论点。这就是说,目前在许多情况下LED并非最好的太阳能草坪灯光源,除非它是低档的使用年限仅1-2年的太阳能草坪灯,或者是1W以下的太阳能草坪灯。对于1W以上的太阳能草坪灯,最好使用三色基色高效节能灯。目前有一些太阳能草坪灯用30-40只超高亮白光LED,输入功率2W以上,在这种情况下如果用三色基色高效节能灯,价格只有LED的1/10,光通量是原来的4倍,可喜的是现在已经研制成功2-10W的低压直流三色基色高效节能灯,寿命可以达到6000h。
根据上面分析,我们认为1W以下的小功率太阳能草坪灯,有调节明暗,频繁开关的功能,一般应该使用LED作为光源。但是在使用超高亮白光LED时特别要注意光通维持率问题,否则容易引起质量事故。对于功率较大的太阳能草坪灯,目前使用三色基色高效节能灯比较合理。这里要强调的是,以上结论仅仅是目前的分析,当LED技术水平提高以后,价格下降,以上结论需要调整。
5、遇到的问题
5.1 光敏传感器
太阳能草坪灯需要光控开关,设计者往往会用光敏电阻来自动开关灯,实际上太阳能电池本身就是一个极好的光敏传感器,用它做光敏开关,特性比光敏电阻好。对于仅仅使用一只1.2VNi-Cd电池的太阳能草坪灯来说,太阳能电池组件由四片太阳能电池串联组成,电压低,弱光下电压更低,以至天没有黑电压已经低于0.7V,造成光控开关失灵。在这种情况下,只要加一只晶体管直接耦合放大,即可解决问题。
5.2 按蓄电池电压高低控制负载大小
太阳能草坪灯往往对连续阴雨可维持时间要求很高,这就增加系统成本。我们在连续阴雨蓄电池电压降低时减少LED接入个数,或者减少太阳能草坪灯每天的发光时间,这样就能减少系统成本。
5.3 太阳能电池封装形式
目前太阳能电池的封装形式主要有两种,层压和滴胶。层压工艺可以保证太阳能电池工作寿命25年以上,滴胶虽然当时美观,但是太阳能电池工作寿命仅仅1-2年。因此,1W以下的小功率太阳能草坪灯,在没有过高寿命要求的情况下,可以使用滴胶封装形式,对于使用年限有规定的太阳能草坪灯,建议使用层压的封装形式。
5.4 闪烁变光
渐亮渐暗是节能的好办法,它一方面可以增加太阳能草坪照射效果,另一方面可以通过改变闪烁占空比控制蓄电池平均输出电流,延长系统工作时间,或者在同等条件下,可减小太阳能电池的功率,成本将大幅度下降。
5.5 三色基色高效节能灯的开关速度
这个问题非常重要,它甚至决定着太阳能草坪灯的使用寿命,三色基色高效节能灯启动时有高达10-20倍的启动电流,系统在承受这样大的电流情况下可能电压有大幅度下降,太阳能草坪灯无法启动或者反复启动,直至损坏。
5.6 升压电路效率的提高及对LED灯的影响
小功率太阳能草坪灯一般都有升压电路,如果采用振荡电路,电感升压。电感采用标准色码电感器,标准色码电感器中使用开放磁路,磁通损失大,所以电路效率低。如果采用闭合磁路制造电感升压,如磁环,升压电路效率将有很大提高。LED的特性接近稳压二极管,工作电压变化0.1V,工作电流可能变化20mA左右。为了安全,普通情况下使用串联限流电阻,极大的能量损失显然不适合太阳能草坪灯,并且LED亮度随工作电压变化,而且一定要自动限流,否则将损坏LED。一般LED的峰值电流50-100mA,反高能电池反接或者蓄电池空载,升压电路峰值电压过高时很可能超过这个极限,损坏LED。
6 总结
本文通过对太阳能LED草坪灯照明设计思路的讨论,来整体概述LED草坪灯照明技术所要考虑的问题,我所采用的解决方案。太阳能作为一种新兴的绿色能源,以其无可比拟的优势得到迅速的推广应用。相信太阳能太阳能LED草坪灯在不久的将来能得到普及,并且会成为技术发展的新趋势。




