中心论题:
- 许多采用白光LED 照明和背光的消费类产品都支持开关时的渐进性 LED">LED 发光变化
- 白光 LED 的渐进性发光变化通常要借助可提供 PWM 发光变化控制功能的微处理器来完成
- 在不采用微处理器控制的情况下通过驱动电路中电容的缓慢充放电也可以实现开关时的渐进性发光变化
解决方案:
- 通过电容器件的缓慢充放电过程可以达到控制LED">LED渐进性发光的效果
- 通过增加电阻可以避免因三极管导通电压而产生的延迟
许多采用白光 LED">LED 照明和背光的消费类产品都支持开关时的渐进性 LED">LED 发光变化。这种渐进性的发光变化通常要借助可提供 PWM 发光变化控制功能的微处理器来完成。在此,我们将介绍一款采用德州仪器 (TI) TPS61040 白光 LED">LED 驱动器的电路,其在不使用微处理器的情况下同样也可以实现开关时的渐进性发光变化。
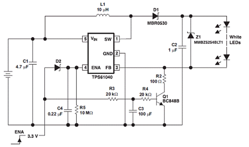
以下电路可生成 101mA 的恒定电流,能为 PDA 和数码相机等便携式应用驱动高达 6 个白色 LED">LED。其输入电压工作范围为 1.8 V 至 6 V,可以采用两节碱性电池或镍氢电池输入(1.8 V 到 ~3 V)、三节碱性电池或镍氢电池输入(2.7 V 到 ~4.8 V)以及单体锂离子电池输入(3 V~4.2 V)。这种升压转换器采用 R1 来设置流过 LED">LED 的恒定电流。TPS61040 产品说明书 (SLVS413) 给出了本电路的详细描述。

图 1、恒定电流 LED">LED 驱动电源
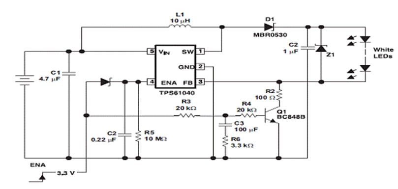
图 1 所示的电路闭合时可立即生成最大编程负载电流,并在电路断开时立即变为零电流;而图 2 所示的电路会在闭合和断开时慢慢增加和减小 LED">LED 的亮度(1–2 秒的时间)。我们只需对原始电路略作修改,就能实现上述效果。

图 2、更多的组件实现了 LED">LED 电流的渐进式开关功能
应用使能信号 (enable signal) 时,R3 将慢慢给 C3 充电,此举会慢慢开启 Q1。TPS61040 会通过 D2 被立即启用。在电路闭合时,FB 到接地的初始电阻极高,从而将 LED">LED 电流限制为 0 mA。随着 Q1 慢慢开启,有效电阻逐渐下降,电阻的下降与 LED">LED 电流的升高有直接的关系。LED">LED 从亮度为 0% 变为 100% 的亮度,需时 1 到 2 秒钟,具体的时间长短取决于选定的时间常数。图 3 显示了电路闭合时的相关波形。

图 3、电路闭合时的波形
ENA 信号在电路断开时下降,此时 D2 会阻止 C4 放电。TPS61040 保持开启状态,直到 C4 通过 R5 放电。在 TPS61040 仍为开启状态时,C3 开始通过 R3 和 R4 放电。随着 Q1 可用基线电流 (base current) 的下降,Q1 的有效电阻开始升高。随着 FB 引脚上总电阻的升高,LED">LED 电流会成比例下降。图 4 显示了电路断开时的相关波形。

图 4. 电路断开时的波形
在电路闭合时,ENA 信号上升和电流开始通过 LED">LED 之间会有较短的延迟,之所以会出现这一情况,是因为只有当 Q1 的基线电压达到约 0.7 V 时,Q1 才开始进行传导。如图 5 所示,我们可以添加 的电阻 R6,这样就可以使基线电压在电路闭合时立即升至约 0.5 V,从而将启动延迟从 500 ms 缩短到约 100 ms。图 6 和图 7分别显示了添加 R6后电路闭合和电路断开时的波形。

图 5、为缩短电路闭合延迟而进行的修改

图 6、电路闭合时延迟的缩短

图 7、电路断开时延迟的缩短
本应用报告介绍了在不采用微处理器控制的情况下如何实现白光 LED">LED 的渐进性开关。





