【导读】LED驱动一直都是LED领域最热门的话题,为满足国际法规,在允许的尺寸范围内。改变灯具中的驱动器,使之简化设计,提供强大的保护功能和可靠性。本文就简单介绍了具有高功率因数和超宽输出电压的LED驱动器。
1. 初级端调节控制器及其运行模式
LED 驱动器的初级端调节 (PSR) 解决方案使得固态照明 (SSL) 产品符合国际法规(比如 Energy Star)。PSR 仅仅根据电源初级端的信息,精确控制输出电流,不仅消除了输出电流感测损耗,而且无需次级反馈电路。因此,允许在小尺寸改型灯具中使用驱动器电路以及满足国际法规,而不会过多增加 SSL 应用的成本。Fairchild 的 FL7733 脉宽调制 (PWM) PSR 控制器有助于简化设计从而满足 SSL 要求,同时无需使用外部元件。FL7733 提供高精度输出电流调节,以应对变压器磁化电感、输入和输出电压信息的改变,并提供强大的?;すδ苁迪窒低晨煽啃?。

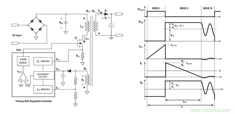
图 1. 初级端调节反激式转换器和关键波形
模式 I
在 MOSFET 导通期间 (tON),输入电压 (VIN) 施加在变压器的初级端电感 (Lm) 上。然后,MOSFET 的漏电流 (IDS) 从零线性增加至峰值 (IDS.PK),如图 1所示。在此期间,电能从输入获取并存储在电感中。
模式 II
MOSFET (Q) 关断时,变压器中存储的电能迫使整流二极管 (D) 导通。当二极管导通时,输出电压 (VOUT) 和二极管正向压降 (VF)施加到变压器次级端电感,二极管电流 (ID) 从峰值 (IDS.PK·NP/NS) 线性减小至零。在电感电流放电时间 (tDIS) 结束时,变压器中存储的所有能量都被传输至输出。
模式 III
当二极管电流达到零时,变压器辅助绕组电压开始因初级端电感 (Lm)与 MOSFET (Q) 上加载的有效电容之间的谐振而振荡。
输出电流可以通过峰值漏电流和电感电流放电时间估计,因为输出电流与稳态下的二极管电流平均值相同。漏电流峰值由 CS 峰值电压检测器确定,而电感电流放电时间由 tDIS检测器检测。根据峰值漏电流、电感电流放电时间和工作开关周期信息,创新型 TRUECURRENT 计算模块可估算输出电流如下:

图 2. DCM 控制
应该保证 DCM,以实现反激式拓扑中的高功率因数。为了在较宽的输出电压范围内维持 DCM,在线性频率控制中由输出电压线性调节开关频率。输出电压由辅助绕组和连接至 VS 引脚的电阻分压器检测,如图 2所示。当输出电压降低时,次级二极管导通时间增加,DCM 控制会延长开关周期,从而在较宽的输出电压范围内保持 DCM 运行。
[page]
2. 具有较宽输出电压范围的 LED 驱动器
2.2. 系统设计
本小节介绍基于FL7733的单级反激式 LED 驱动器的设计步骤。选择了50 W 离线 LED 驱动器作为设计示例。设计指标如下:
● 输入电压范围: 90 ~ 277 VAC、 50 ~ 60 Hz
● 标称输出电压和电流: 50 V/1.0 A
● 工作输出电压: 12 V ~ 50 V
● 最低频率: 88%
● 工作开关频率: 65 kHz
● 最大占空比: 40%
初级匝数由法拉第定律确定。Np,min是由初级绕组两端的最小线路输入电压峰值和最大导通时间固定??杀苊獯判颈ズ偷谋溲蛊鞒跫抖俗钚≡咽捎上率礁觯?br />

由于饱和通量密度随着温度的升高而减小,如果变压器用于封闭外壳内,应考虑高温特性。

图 3. 实现较宽输出电压范围的 VS 电路
选择 R1 和 R2的第一个考虑因素是将 VS设置为 2.7 V,以确保额定输出功率下能够以高频率运行。第二个考虑因素是 VS 消隐。输出电压由辅助绕组和连接到 VS 引脚的电阻分压器检测。然而,在不包含 DC 母线电容器的单级反激式转换器中,在低线路电压下由于较小的 Lm 电流会引起 VS 电压检测错误,辅助绕组电压无法箝位至反射的输出电压。
在线路电压过零点,频率快速下降,可能导致 LED 灯闪烁。为了在整个正弦线路电压范围内维持恒定频率,VS 消隐会通过检测辅助绕组在低于特定线路电压 VIN.bnk时禁用 VS 采样。第三个考虑因素是 VS 电平,应该介于 0.6 V 与 3 V 之间,以避免在宽输出应用中触发 SLP 和 VS OVP。
[page]
由于 FL7733 的 VDD工作范围是 8.75 ~ 23 V,如果输出电压低于 VOUT-UVLO (8.75×NS /NA),应该通过触发 UVLO 关断 MOSFET开关。因此,应该在较宽的输出电压范围内12 ~ 50不触发 UVLO,从而提供合理的 VDD。通过添加外部绕组 NE和包含电压调节器的 VDD电路,可以提供VDD。NE的设计应该确保以最低输出电压 (Vmin.OUT) 提供 VDD时,不会触发 UVLO。外部绕组 NE可通过下式确定:

2.2. 设计测试结果
为了展示本应用指南中所介绍设计步骤的有效性,构建并测试了设计示例中介绍的转换器。图 4显示在整个线路和输出电压范围内测得的 CC 容差。额定输出电压下通用线路上的 CC 低于 ±0.26 % 而整个线路和输出电压范围 (12 V ~ 51 V) 内的总 CC 调节是 ±1.23%。图 5和图 6 显示分别在各种负载条件下测得的 PF和 THD 性能。

图 4. 整个输入和输出电压范围内的 CC 性能


图 5. 根据负载条件变化的 PF 性能与输入电压


图 6. 根据负载条件变化的 THD 性能与输入电压
结语为了针对各种 LED 灯规范和 LED 特性提高灵活性和兼容性,本文介绍了覆盖较宽输出电压范围的 LED 驱动器。Fairchild 的 PSR 控制器 FL7733 提供出色的高 PF 和低 THD 性能,并在非??淼氖涑龅缪狗段谔峁┖懔鞯鹘?。此外,本文中设计的 LED 驱动器可用于具有简单设计和较低成本的各种 LED 照明灯具。
相关阅读:
专家浅析非隔离式升压拓扑的LED驱动器电路
LED驱动解析:分析LED驱动电源及线性IC电源
一款大功率LED驱动电源电路设计解析



