【导读】智能汽车硬件系统的核心就是电路系统,硬件电路系统的稳定性是整个系统的性能指标。智能车属于轮式移动机器人,集环境感知、路径规划、自动驾驶等多功能于一体。智能汽车的能动性、中心、电路板的紧凑型都是硬件电路必须要考虑的因素。
智能汽车技术将许多领域联系在一起,如计算机科学、人工智能、图像处理、模式识别和控制理论等。智能汽车与一般所说的自动驾驶有所不同,它更多指的是利用GPS 和智能公路技术实现的汽车自动驾驶。这种汽车不需要人去驾驶,因为它装有相当于人的“眼睛”、“大脑”和“脚”的电视摄像机、电子计算机和自动操纵系统之类的装置,这些置都装有非常复杂的电脑程序,所以这种汽车能和人一样会“思考”、“判断”、“行走”,可以自动启动、加速、刹车,可以自动绕过地面障碍物在复杂多变的情况下,能随机应变,自动选择最佳方案,指挥汽车正常、顺利地行驶。
电路系统是智能汽车硬件系统的核心,对于本硬件电路系统而言,稳定性是需要优先保证的性能指标,毕竟跑完全程才是取得成绩的前提。在此基础上,还应当综合考虑智能汽车的动力性、重心及电路板的紧凑性等其他指标。
电机驱动???/a>
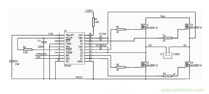
电机驱动??槲悄芷档男惺惶峁┒?,它的性能直接影响到后轮电机的控制性能,包括加速、减速与制动等性能。本文采用MOSFET 驱动芯片加全桥驱动方案,只需合理的选择MOSFET驱动芯片和功率MOSFET 以保证性能即可。电路图如图1所示。

图1
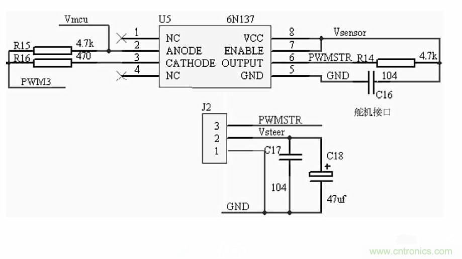
舵机负责智能汽车的转向,舵机??槟芊裎榷üぷ髦苯佑跋斓街悄芷翟谌郎细咚傩惺皇钡奈榷ㄐ砸约白蚴钡牧槊舳群途范?。舵机工作原理为:舵盘角位由单片机发出的PWM 控制信号的脉宽决定,舵机内部电路通过反馈控制调节舵盘角位。由于自身即为角度闭环控制,而且性能较好,故系统中就不必考虑外加舵机闭环。舵机驱动??榈缏啡缤?所示。舵机驱动??橥粲诠β什糠郑?N137光耦进行信号隔离。

图2
相关阅读:
“步步惊心”步进电机控制系统的设计步骤详解
3大三相无刷直流电机控制和驱动系统方案对比
专家精讲:计算体系结构的三种电机控制




