【导读】测量元器件和电路的频率响应特性是确保电子设备性能的关键步骤。汽车、医疗设备、航空航天与国防行业对电子设备的可靠性要求极高,因此在从低频至高频的各种频率范围内对各类元器件和电路进行测量非常必要。在这些应用中,低频网络分析仪在确保低频模拟电路器件(例如传感器系统和电源部件)实现稳定可靠工作方面具有重要作用。为此,您需要在了解射频网络分析(S参数测量)的同时,也需要很好地对低频网络分析(增益相位测量)的应用有所了解。
本应用指南通过对网络分析仪的介绍,阐述了有关低频网络分析的基础原理。我们在此主要介绍简单的低频 2 端口器件测量,以及高阻抗探测技术和大衰减测量等相关主题。
50 Ω 被测件的基本测量配置

首先,针对使用低频网络分析仪测量 2 端口器件的传输特性的配置,我们简要介绍一下典型的被测器件的连接方法。第一种情况是测量50 Ω 的器件的传输响应特性,例如滤波器和电缆。图2显示的是使用仪表的增益相位测试端口进行此类测试的配置情况。R通道接收机(VR)用于测量在50 Ω 系统阻抗的激励源的输出电压(50 Ω 传输线输入信号的电压),T通道接收机(VT)用于测量经过被测器件传输之后输出信号的电压,然后仪表计算测量到的电压比(VT/VR),即可得到传输系数S21。
图3是用仪表的S参数测试端口进行测量的配置。在S参数测试端口的后边有多个内置的定向桥,因此无需使用图2中从外部接入测量配置中的功率分离器。大部分情况下,S参数测试端口用于测量50 Ω 的器件的传输响应特性。是德科技:电容测量原理 - 测试参数第八章图3是用仪表的S参数测试端口进行测量的配置。在S参数测试端口的后边有多个内置的定向桥,因此无需使用图2中从外部接入测量配置中的功率分离器。大部分情况下,S参数测试端口用于测量50 Ω 的器件的传输响应特性。
对于大部分50 Ω 器件的传输响应特性的测试情况,使用仪表的S参数测试端口就可以了。但是,对于大衰减器件的测量,例如测量DC - DC转换器和大电容旁路电容器的只有毫欧量级的阻抗时,通常需要采用分流直通(Shunt-Thru)的测量方法,这种传输响应特性的测量就要使用仪表的增益相位测试端口而不是S参数测试端口进行测量。在这种情况下,增益相位测试端口接收机的半浮地结构可以避免低频范围的测量误差,该误差是由激励号源与接收机之间测试电缆的接地环路引起的(稍后会有详细介绍)。

图2 使用增益相位测试端囗测量50 Ω被测器件传输系数的测量配置

图3 使用S参数测试端口测量 50 Ω 被测器件传输系数的测量配置
基本测量配置
非50 Ω 被测件,实例1
低频2端口器件通常都是非50 Ω 的阻抗,低频放大器电路就是一个最典型的例子。图4是用增益相位测试端口测量低频放大器的频率响应特性的测量配置实例。被测器件的输入阻抗很高,输出端口接的是一个非50 Ω 的负载ZL。根据实际应用的要求,负载阻抗ZL可以是电阻性负载,也可以是电抗性负载。
待测参数是从被测器件输入端口到输出端口的电压传递函数,即/out//in。与图2和图3显示的测量50 Ω 器件的传输系数所不同的是,R通道接收机(VR)使用高阻抗探测方式直接测量被测器件输入阻抗Zin上的交流电压,而不是测量50 Ω 系统阻抗上的电压。使用高阻抗探测可以在不影响被测器件的负载条件下测量输出电压(Vout)。
根据所要求的最高测量频率、探头的输入阻抗、探头的输入电容等不同的情况(会在后边进行介绍),可以用同轴测量电缆或10:1的无源探头把仪表的高阻抗测量接收机与被测器件连接起来。使用同轴测试电缆时,在R通道探测点上可以使用一个T型连接器。为了补偿两个探头/测试电缆之间的频率响应和相位误差,需要做直通响应校准,方法是把与T通道连接的探头点在TPI测试点上,然后进行测量。

图4 使用增益相位端囗测量放大器的配置(最高测量量频率可达 30 MHz)
如果要在30 MHz以上的测量频率上测量放大器的频率响应,或者需要使用电容极小的探头对放大器进行测量,那就要用有源探头在仪表的S参数测试端口上进行测量,如图5所示。与图4的配置所不同的是,在这里进行比值测量是以仪表内R1接收机的50 Ω 阻抗为参考,并且必须要在TP1测试点上进行直通响应校准,才能正确地测量电压传递函数/out//in。如果不进行直通响应校准(或者没有连接馈通件,如图5所示),测得的增益会比正确值高出6 dB,原因是内部50 Ω 参考接收机测得的交流电压仅为Vin的一半。
在几十MHz以上的高频范围内进行测量时,将50 Ω 馈通件连接至被测器件的输入端口可以防止由仪表50 Ω 阻抗和被测器件的高输入阻抗间的阻抗失配所引发的驻波。但是,连接馈通件会在测量电缆的在中心导体与接地之间形成分流信号的路径,它可能会在进行大衰减器的测量(例如CMRR和PSRR)时产生与接地环路相关的测量误差,因此必须引起注意。如果严格考虑的话,最好不要连接馈通。

图5 使用S参数测试端囗和有源探头测量大器的配置(最高测量频率可达 30 MHz)
非50 Ω被测件,实例2
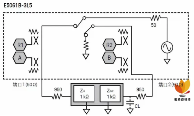
图6和图7是测量2端口器件的配置实例,器件输入与输出阻抗的范围是数百 Ω 至1或2 kΩ 。典型应用为低频无源滤波器,例如陶瓷滤波器和LC滤波器。在这些实例中,只需连接一个串联电阻即可实现阻抗匹配。图6是使用增益相位测试端口进行测试的配置方式,比值VT/VR就是1 kΩ系统阻抗的传输系数。
在有些滤波器的测量中,需要与负载电阻并联一个负载电容CL再进行测试。为了防止测量中对滤波器的特征参数产生影响,高阻抗探头的输入电容必须极低。因此,高阻抗T通道接收机应连接输入电容约为10 pF的 10:1无源探头。否则,如果被测器件对电容性负载很敏感的话,就应该用有源探头在仪表的S参数测试端口上进行测量,请看图5所示的测量放大器的配置。
使用T通道的50 Ω 内阻而不用高阻抗探头进行测量,并且按照图7所示连接另一个匹配电阻器,可以得到等效的测量结果。这种配置更为简单,优点是在T通道内不会引入探头的电容。但是,此配置不适合测量高抑制比的滤波器,因为串联匹配电阻会降低测量的动态范围。在这种情况下,动态范围会下降20*Log(50/1000)=26 dB。

图6 使用高阻抗探头膊量无源中频滤波器的测量配置(被测器件对电容性负载不是很敏感的情况)

图7 使用仪表50 Ω 输入端口测量无源中频滤波器的测量配置
使用探头在电路板上直接进行测量
第二个应用的例子是使用探头直接在电路板上进行测量一测量被测电路板上两个测试点之间的电路或器件的频率响应特性。图8显示的是如何使用增益相位测试端口测量电路模块2的频率响应特性。通过使用两个高阻抗探头在TP1和TP2测试点上进行探测,可直接测量电路???的频率响应特性。
与图4中测量放大器的配置相似,在把仪表的高阻抗接收机与被测器件连接时,应根据最高测试频率、探头的输入阻抗和探头的输入电容等情况,适当地选择使用同轴测试电缆或10:1 无源探头进行连接。

图8 使用增益相位测试端囗和两个高阻抗探头对电路板上的被测器件行测量(最高测试频率达 30 MHz)
E5061B矢量网络分析仪增益相位测试端口的最高测试频率为30 MHz。如果使用探头对电路板上的器件进行测量的频率超过了30 MHz,解决办法是把一个有源探头连接在S参数测试端口上,然后按照图9所示分两步完成测量。
首先,把有源探头点在TP1测量点上测量电路???的响应特性,并把测量结果存为寄存器轨迹。然后把探头点在TP2测量点上测量电路???和2的整体响应响应特性,把测量结果存为数据轨迹。最后我们可以用仪表进行数据轨迹/寄存器轨迹的运算功能得出电路模块2的频率响应特性。
如果先把探头点在TP1测量点上做直通响应校准,然后再把探头点在TP2测量点上进行测量,这样也可能得到等效的测量结果。这样做无需使用轨迹的运算功能,直接就可以得出电路???相对于TP1参考点的响应特性。
如果被测器件在TP2点上的输出特征对TP1点的电容很敏感的话,第二步测量中被测器件的条件将会与第一步测量略有不同,由这两步测量结果的计算而得到的最终测量结果中会因此而有误差。为了最大限度地减少测量误差,如图9所示,仅仅在进行第二步测量时,需要连接一个电容值与与有源探头的输入电容大致相当的虚拟电容C2。采用这种电容补偿方式的应用之一是使用上述两步测量法测量高速运算放大器的相位裕量,在后面我们会介绍一个实际测量的例子。

图9 使用一个高阻抗探头测量电路板内的器件(最高测试频率达 30 MHz)
低频测量的中频带宽(IFBW)设置
在测量中如何设置 IFBW(中频带宽)是许多低频网络分析仪的用户首先遇到的常见问题之一。进行高频测量时一般使用较宽的IFBW以获得更快的扫描速度,但低频测量需要用较窄的IFBW,来以避免主要由 LO馈通引起的测量误差。以测量一个大衰减的器件为例,假设测量的起始频率为1 kHz,IFBW为3 kHz,通过被测器件衰减的小信号会上变频到一个中频(IF)信号上,并能够通过接收机的中频滤波器。这时就会出现一个问题,如图10所示,本地振荡器的泄露信号(LO馈通)的频率也是非常接近中频频率的,它也能通过中频滤波器,这会造成不真实的频率响应测量结果。
图11显示的是一个用E5061B增益相位测试端口测量60 dB衰减器的测量结果,测量信号的功率为-10dBm,测量起始频率为1kHz, IFBW设为3kHz, T测量通道和R测量通道的衰减器设置为20dB。您可以在所显示的测量结果中看到,起始频率附近出现了由LO馈通导致的错误测量响应。即便是在测量像低通滤波器这样的器件,测得的射频信号的功率较高时,也会有类似的情况出现。
在这种情况下,在起始频率附近测得的的轨迹会因与射频信号频率极为接近的LO馈通的干扰而变得不稳定。为了避免这些问题,可将IFBW设置为远低于起始频率的值(例如,设定为起始频率的1/5),或者使用IFBW AUTO(中频带宽自动)的模式 一 仪表在进行对数扫描时频率每变化十倍就由窄至宽自动设置IFBW的值,这样可以使总的扫描时间不会太长。E5061B的IFBW AUTO模式随着扫描频率的增加把各个IFBW的值设定为每十倍频程起始频率的五分之一。

图10 LO馈通导致的测量误差

图11 对60 dB衰减器进行测量的结果(开始频率 =1 kHz, IFBW=3 kHz 和AUTO)
使用高阻抗探头的测量方法
采用恰当的探测方法对于精确地使用高阻探头进行测量是十分重要的,要特别留意的地方是探头的输入电容。探头上较大的输入电容在高频测量条件下会降低探头的输入阻抗。例如,如果探头尖的输入电容(Cin)为100pF,在测量频率为100k Hz时它的输入阻抗为15.9 k Ω (1/(2*pi*f*Cin)),仍为高阻抗。但是测量频率若升至10 MHz,它的输入阻抗就成了159 Ω ,对很多测量的情况来说,这样的阻抗是不够高的。另外,探头的输入电容太高还会影响对电容性负载比较灵敏的器件的测量结果,例如无源中频滤波器、谐振电路和放大器的某些由电容条件决定的参数(例如放大器的相位裕量)。对于这些应用,如果网络分析仪有高阻抗输入端口(例如E5061B),则有必要使用低输入电容的探测方法。在测量时连接DUT的最简单的方法就是使用同轴电缆(例如一端是测试线夹的BNC电缆)或1:1的无源探头把DUT连接到仪表的高阻抗输入端口上,如图12所示。
如果测量频率范围低于1 MHz,并且作为电容负载的探头的输入电容不会影响到被测器件,该方法是一个好的解决方案。与10:1的无源探头相比,这种1:1 的探测方法不会降低测量的动态范围,即便是测量很小的信号,也可以有良好的信噪比(SNR)。该方法的缺点是,由于测试电缆电容与高阻抗输入端口电容的叠加,探头的输入电容会较高。即使采用很短的电缆,电缆末端的输入电容也会达到几十个pF。因此,该方法不适合测量频率超过1MHz的高频测量,也不适用于对电容性负载比较敏感的测量。

图 12 同轴测试电缆或1:1无源探头
如图13所示,用示波器常用的10:1无源探头可以降低探头输入电容,这种探头专门为与高阻抗输入端口一起使用而设计。10:1无源探头末端的输入电容一般约为10pF左右,这使它能够用于更高测量频率的探测。与通用示波器应用类似,如果仪表内有高输入阻抗测量端口的话,使用10:1无源探头进行高阻抗探测是常见的方式。它的缺点是测量动态范围会因受到探头10:1衰减的影响而降低20dB。因此,该方法不适用于测量极小信号的情况。
有源探头有很高的输入电阻和极小的输入电容,而且因为在探头的端口附近有有源电路部件,因此它对被测信号不会进行衰减,如图14所示。例如,41800A有源探头(从直流至50 Ω MHz)的输入电阻//电容分别是100 k Ω //3pF。另外,您可以通过在探头末端连接一个10:1的适配器,使得探头的阻抗和电容可以达到1 M Ω //1.5 pF, 不过这样会使动态范围降低20 dB。如果您需要在超过30 MHz的高频率范围内进行测量,或是被测器件对电容性负载极为敏感,我们推荐您选择有源探头。

图13 10:1无源探头

图14 有源探头
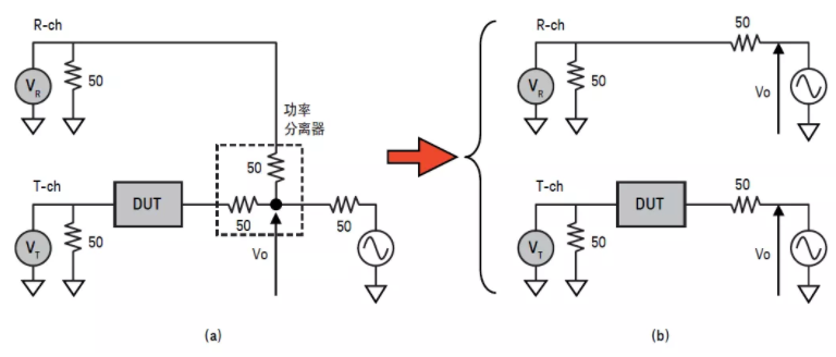
做比值测量时对信号的分离
为了测量50 Ω 器件的传输系数,例如系统阻抗Z0 = 50 Ω 的无源滤波器,或特征阻抗Z0为其它值的器件的传输系数(需使用匹配电路对系统阻抗进行转换), 需要把仪表激励源输出的信号分离开分别送给仪表50 Ω 的R通道测量接收机(参考信号)和被测器件的输入端口。如果所使用的激励源的输出端口没有内置的信号分离器件(例如:内置功率分离器或内置定向桥),则需要使用恰当的分离器件在仪表的外部完成信号的分离。
E5061B-3L5 有S参数测试端口,对大部分50 Ω 器件的传输特性的测量,都可以使用S参数测量端口而无需使用外部的信号分离器件。但在有些需要使用仪表的增益相位测试端口测量传输系数的应用中,例如用分流直通法 (Shunt-thru) 测量DC-DC转换器的输出阻抗,就有必要采用外部信号分离器件。
对于以测量线性器件为主的通用网络分析来说,对信号分离器件最重要的要求是能够在进行比值测量时保证有50 Ω 的激励源输出阻抗(源匹配)。最常见也是最被推荐使用的信号分离器件是双电阻型功率分离器,频率范围从DC至GHz, 能够在比值测量中保证有极好的源输出阻抗。
图15-a所示的使用功率分离器完成的比值测量等同于图15-b完成的两个测量一图15-a上分支点的交流电压(Vo)可以视为图15-b上的两个虚拟激励源电压。如图所示,R通道和T通道测量中的等效源输出阻抗值为50 Ω ,这通常是50 Ω 网络测量的理想源匹配条件。
请注意,双电阻型功率分离器仅适用于比率测量,不适用于50 Ω 系统阻抗的绝对电压测量,原因在于从被测器件方向看过去分离器的物理输出阻抗为83.3 Ω, 而不是50 Ω。

图15 使用功率分离器对50 Ω 的器件行比值测量
除了功率分离器之外,另外可以分离信号的器件是低频定向耦合器或无功功率分配器(与变压器交流耦合),它们的两个输出端口之间有较高的隔离度(25或30dB)。(minicircuits.com)生产的ZFDC-15-6定向耦合器(0.03至35 MHz, BNC接口)或ZFSC功率分配器(0.002至60 MHz,BNC接口)就是其中的代表产品。尽管它们的最高频率只有30 MHz或60 MHz左右,低频频率只能到几kHz或数十kHz,但在频率范围能够满足应用要求的时候,这些器件都是理想的选择。因为它们两个输出端口之间的高隔离度,被测件输入端口的反射信号不会直接进入R通道接收机,因此不会影响到R通道的测量结果。
如果在比值测量中用上述器件作为分离信号的器件,它们的等效源匹配的效果会不如使用双电阻型功率分离器的效果,为了改善源匹配的效果,有时有必要在其输出端口与被测器件之间连接一个衰减器(6 dB左右)。这种信号分离器件相对于功率分离器的优势在于其绝对源输出阻抗(端口匹配)为50 Ω ,这使您能在50 Ω 的环境下进行绝对电压测量,虽然一般情况下在低频测量的应用中进行电压的绝对测量不像在射频应用中进行绝对值测量那么有意义。
由三个电阻组成的电阻功率分配器的三个电阻臂的电阻值为Z0/3,这种功率分离器不适用于比值测量。如果我们将三电阻型电阻功率分配器的分支点作为虚拟信号源(与双电阻型功率分离器类似), 那么其等效源输出阻抗就不是50 Ω ,而是50/3=16.7 Ω ,而且输出端口之间的隔离度也较低(只有6dB)。除非被测器件的输入阻抗精确为50 Ω ,否则在比值测量中使用三电阻型功率分配器会产生严重的测量误差。

图16 定向耦合器/电桥

图17 电阻功率分配器(不适用于比值测量)
在低频范围测量大衰减器件
测量误差
使用传统低频网络分析仪测量大衰减的器件,当测量频率在100 KHz以下时,测量结果很可能会受到与测试电缆接地环路相关的误差的影响。这些误差在测量低频放大器的CMRR和PSRR等指标时会很明显。最严重的问题是由测量电缆的屏蔽电阻(金属编织层的电阻)引起的误差,该误差在100 kHz以下的低频范围内是不容忽视的。
图18是使用网络分析仪测量大衰减器件的情况。当被测器件的衰减值非常高时,被测器件的输出电压Vo将非常小。在理想的情况下,测量接收机VT测到的AC电压也应该是Vo。
但是,在低频范围内,外部共模噪声很可能会进入激励源与接收机之间的测试电缆的接地环路,如图18所示。在测量电缆外部屏蔽层电阻Rc2上的电压降为Vc2。由于被测电压Vo本身就是很小的一个值,因此电压Vc2会引起接收机VT的电压测量误差,这样最终测得的衰减值将是错误的。
根据Vo和Vc2之间不同的相位关系,实际测量得到的衰减值可能会高于或低于被测器件真实的衰减值?;蛘咴谟行┣榭鱿?,在测量结果的轨迹线上会出现一个比较明显的的下陷。

图18 由电缆屏蔽层电阻引起的测量误差(1)
测试电缆的接地环路会在低频测量范围内引起另外的测量误差。您可以设想被测器件有一个分流信号路径,其阻抗Zsh非常小的情况,典型例子就是用分流直通 (Shunt-thru) 方法测量供电网络(Power Distribution Network)上的元器件在低频频段的毫欧量级的阻抗,例如直流一直流转换器和大容值旁路电容器的阻抗等。
理想情况下,激励源的信号在经过被测器件之后应该通过测量电缆的外部屏蔽层金属返回到激励源一侧。
但是,在低频测试时,激励源的电流也会流入到T通道测量接收机一侧测试电缆的屏蔽层中。与共模噪声的现象相似,流入T通道测量电缆屏蔽层的激励源电流会在测量电缆外屏蔽层的电阻Rc2上产生电压降Vc2,这会在接收机VT的测量结果中造成误差。在这种情况下,测得的衰减值将大于被测件的真实衰减值。
需要注意的是,这些与测试电缆接地环路相关的测量误差只会在测量频率低于100 kHz的范围内出现。在较高的测量频率范围内,同轴测试电缆的电感起到了共模扼流器(巴仑)的作用,使得引起测量结果误差的电流不会通过VT接收机一侧测量电缆的屏蔽层。

图19 由电缆的屏蔽层电阻引起的测量误差(2)
在低频范围内测量大衰减器件
传统解决方案
目前有几种技术可以最大程度地降低前面所述的测量误差。传统上最常用的方法是把小磁环套在测试电缆上或将测试电缆在大磁环上绕几圈,这种使用磁环方法的等效电路如图20所示。磁环可以增加测量电缆屏蔽层的阻抗并抑制流经电缆屏蔽层的电流,同时不会影响流入测量电缆中心导体和返回到激励源一侧的电流。
由磁环自身的电感在测量电缆屏蔽层上产生的阻抗会降低流经接地环路的共模噪声电流和流入VT接收机一侧测量电缆屏蔽层的激励源电流。另外,在激励源一侧的测量电缆上也使用磁环可以使激励源电流通过电缆的屏蔽层返回到激励源一侧。
但实际上这种方法做起来不太容易,因为我们需要找到电感量很高(高磁导率)的优质磁环,使其能完全消除出现在很低测量频范围内的误差。另外,有时候很难判断磁环是否在有效地工作,特别是在被测器件的衰减特征不平坦的情况下。
针对这种应用,我们推荐使用的环形磁芯是Metglas Finemet F7555G (Φ 79 mm) 。请参考www.metglas.com.

图20 使用磁环降低测量误差的解决万案
使用E5061B-3L5 的解决方案
E5061B-3L5 的增益相位测试端口(5 Hz至30 MHz)具有独特的硬件体系结构,能够消除信号源至接收机测试电缆接地环路引起的测量误差。图21是使用增益相位测试端口进行测量的简化方框图。接收机串接一个半浮地的阻抗 |Zg|, 该阻抗在100 kHz以下的低频范围内大约是30 Ω 。与使用磁环的情况相似,我们可以直观地看到阻抗|Zg| 阻止了测量电缆的屏蔽层电流?;蛘?,我们设被测器件接地一侧的电压摆幅是Va,如图21所示,由于RshieId要比接收机输入阻抗50 Ω 小得多,因此可通过以下公式近似得出VT:
VT=Vc2+Vo=Va x Rc2/(Rc2+Zg)+Vo
因为Rc2 << |Zg|, 上式中的第一项可以忽略不计,所以VT几乎就是我们真正需要测量的Vo。因此,可以通过最大程度地降低屏蔽电阻的影响,能够正确地测量出被测器件的大衰减量或毫欧级并联阻抗。E5061B的增益相位测试端口可以轻松、精确地测量低频范围内的大衰减值。
另一方面,与其他现有的低频网络分析仪一样,E5061B-3L5 的S参数测试端口的测量接收机采用标准的接地体系结构。如若使用S参数测试端口(例如,测量测频超过30 MHz无法使用增益相位测试端口进行测量时)测量低频大衰减器件,那么还是需要使用磁环来消除测试电缆的接地环路引起的误差。

图21 使用E5061B- 3L5增益相位测试端口的解决方案
增益相位测试端口的有效性
图22显示的是用E5061B S参数测试端口和增益相位测试端口对90 dB同轴衰减器进行传输测量的结果,测试频率范围为100 Hz至10 MHz。图中左侧通道1的测量轨迹是使用S参数测试端口的测量结果。如图所示,没有使用磁芯的测量结果在低频频段内显示出不正确的数值偏大的测量结果,这是由激励源和接收机之间测试电缆的接地环路引起的误差。同一图中的另一条轨迹是在测试电缆上加了磁环后的测量结果,虽然在低频频段上的测量结果有所改善,但在极低的测量频率上测量结果仍不够精确。
图的右侧通道2的测量轨迹是使用增益相位测试端口的测量结果。如图所示,该方法可以正确地测量出测量频率在 100 Hz以下时 -90dB的衰减,测量结果不会受到测试电缆接地环路的影响。

图22 三种不同测量方得到的测量结果的比较
运算放大器测量实例
闭环增益
以下章节详细说明测量运算放大器各种频率响应特征的实例。
图23显示的是用增益相位测试端口(测量频率最高30 MHz)测量一个简单的反相放大器 (Av= -1)的闭环增益配置的实例。
为了最大限度地降低探头电容对放大器负载条件的影响,建议使用10:1探头,它具有相对较小的输入电容。
为了精确测量增益和相位的频响特性,需要把T测量通道的探头点在TP1测试点上做直通响应校准,这样可以消除两个探头之间的增益和相位的误差。

图23 使用增益相位试端口进行环增益测量的配置实例
如果您需要在30 MHz以上的频率上测量放大器的频率响应特性,则需要使用S参数测试端口和有源探头。图24显示了一个配置实例,我们必须要把探头点在TP1测试点上做直通响应校准,因为R通道的接收机的输入阻抗是50 Ω 的,我们需要把参考点设置在TP1上,这样就可以测量被测器件输入和输出端口的电压传输函数。
图25显示的是用E5061B的S参数测试端口和41800A有源探头对高速运算放大器进行闭环增益测量的实例。游标位于-3 dB的截止频率上,这表明该放大器电路的带宽约为20 MHz。

图24 使用S参数测试端囗进行环增益测量的配置实例
频率=100Hz至100MHz
激励源功率=0dBm
中频带宽自动(上限=1kHz时)

图25 闭环增益测量实例
开环增益
测量运算放大器开环增益的方法有很多种。最常用的方法是测量电路中的电压比VT/VR,如图26所示。假设运算放大器的开环增益为A,如果电流为Ir2,可得出下列公式:
(VT-VR)/R2 = {VT-(-A x VR)}/Zout
如果Zout << R2,可根据下式计算出电压比VT/VR
VT/VR = (-A-Zout/R2)/(1-(Zout/R2)) = -A
对于高增益运算放大器的情况,如果闭环增益Av很?。ㄈ纾篈v=-R2/R1=-1),则电压VR会太小而无法精确测量,特别是在低频率范围内开环增益非常高时更加无法精确测量。
在线性工作区域内,如果闭环增益Av增加了,电压 VR也将成比例增加,用仪表测量起来也将更加容易。例如,如果 |Av| = R2/R1 = 10, VR 将是当 |Av| =1 时 VR的值。

图26 闭环增益测量的配置实例
图27显示的是用增益相位端口进行测量的配置方法。比值测量T/R的结果可直接表示开环增益A。为了能够精确地测量出相位的频率响应特性而不受到由于很大的探头电容引起的负载条件的影响,测量时应该使用10:1无源探头,而不是同轴测试电缆。

图27 使用增益相位测试端囗进行开环增益测量的配置买例
图28显示的是用图27的增益相位配置方法测量单位增益条件(R1=R2=1 kΩ)下运算放大器开环增益的测量结果,测试频率范围从10 Hz至30 MHz。相位裕量可从这些测量结果中得出。在假设没有相移的情况下,通过简单地找出反馈路径传递函数阝:RI/()I+R2)= ½ = -6 dB的线,再把一个游标置于 +6 dB 的点上,就可以找出环路增益I-A×阝]=0 dB的交叉点。相位裕量可以从这个游标在相位轨迹上相对应的位置直接读出,就像我们在运算放大器输入端口所看到的循环传递函数 -Ax阝(其中包括 180度反转)。
高增益区域中的迹线波动是由无源探头的20 dB损耗所引起的动态性能下降造成的。由于我们是在放大器的单位增益的条件下进行开环增益测量,在高增益区域内R通道接收机测得的交流电压将非常小,这将导致迹线的波动。高增益区域内的迹线波动对于测量低增益区域内测量数据的相位裕量来说,并不是什么问题。
但是,如果您还想在低频率范围内测量非常高的增益,那么您需要用同轴测试电缆替代10:1无源探头再单独测量另一个开环增益。R端口接收机的衰减器应设置为0 dB, T端口接收机的衰减器应设为20 dB, 从而可以在信噪比非常良好的情况下在R通道接收机上测量非常小的电压。请注意,此测量配置只适用于在中低频率范围,其中开环增益比较高,R通道接收机上的电压不会超过接收机的最大输入电平(衰减器设置为0d。

图28 使用增益相位端囗的开环增益和相位测量实例
如果在超过30 MHz的情况下测量运算放大器的开环增益,需使用有源探头和S参数测试端口。由于S参数测试端口只允许使用一个有源探头,您需要使用两步测量法。具体步骤如下:
1.把探头点在TPI测试点上做响应校准。
2.把探头点在TP2测试点上测量S21,并通过DATA->MEM操作(测量的第一步)存储轨迹线数据。
3. 将一个虚电容连接到TP2,然后把探头点在TP3测试点上测量S21(测量的第二步)。
4. 使用仪表的数学函数计算功能把第二步的测量结果除以第一步已经存储在寄存器中的的数据(数据/存储器)就可以得到开环增益的结果。
在第二步测量中连接的虚电容是和在第一步测量中的探头电容一样的,在高频测量范围内会对开环相位的测量结构有所影响,这个虚电容的电容应值该与有源探头的输入电容相同。
如果您需要测量一个非常高的开环增益,最好在测试电缆上使用磁环,以消除接地环路引起的测量误差,这种测量误差可能会影响到第一步测量中对很小信号的测量结果。

图29 使用一个有源探头进行开环增益测量的配置实例
图30显示的是用图29中的配置测量开路增益和相位的实例。轨迹1是在TP2测试点上测得的响应结果,它是输入电压与TP2处经过衰减的电压的比值。轨迹2是在TPB测试点上测得的响应结果,它是闭环增益和相位。轨迹3是从这些测量结果中计算出的开环增益和相位,这些结果是通过对已经测量到的轨迹进行数学函数计算(数据/存储器)得出来的。
如前所述,相位裕量是当开环增益等于6 dB 时所对应的相位测量结果的值,此时环路增益为0dB。在这个例子中,相位裕量约为86度。
图30 使用一个有源探头测量开环增益和相位测量实例
共模抑制比CMRR
运算放大器和其他低频率差分放大器的CMRR(共模抑制比)通常很难测量,因为您需要测量非常大的共模输入衰减。共模抑制比的定义为CMRR=Ad/Ac,其中Ad是差模增益,Ac是共模增益。图31显示的是用增益相位测试端口进行测量的配置。为了测量大的衰减值,需要使用同轴测试电缆连接接收机和被测件,而不是使用有20 dB损耗的 10:1无源探头。
您可以将开关SW1打到位置A测量共模增益(衰减)Ac,把SW1打到位置B测量差分增益Ad。然后根据Ad/Ac(=20×Log(Ad/Ac)以dB为单位)计算出CMRR。该电路的差分增益是IAdI=R2/R1=10,它的共模增益Ac是IAdI=1时的10倍(即20 dB),这种测量方法可以使仪表测量超过100 dB的CMRR。
由于增益相位测试端口是半浮地的接收机体系结构,您可以通过消除测试电缆接地环路导致的测量误差来精确地测量高CMRR。

图31 使用增益相位测试端口进行共模抑制比CMRR测量的配置实例
使用S参数测试端口和有源探头可以测量频率高于30 MHz的CMRR。在这种情况下,需要在测试电缆上使用磁环,如图32所示,以消除共模噪声引起的测量误差??梢允褂肕etglas Finemet F7555G型磁环( Φ 79 mm:metglas.com)。
图33.显示的是用增益相位测试端口进行测量的实例。轨迹1表示共模增益Ac,轨迹2是差模增益Ad(= 20dB)。通过消除接地环路的影响,可精确地测出约为 -90 dB的共模增益Ac。轨迹3是由这些结果计算出来的CMRR。其上的游标表明在100 kHz时CMRR约为80 dB 。在低频范围内,CMRR大于100 dB。

图32 使用S参数端口进行CMRR测量的配置实例
频率=100Hz至100MHz
激励源功率
对于Ac测量:0 dBm
对于Ad测量: -15 dBm
中频带宽=自动(最大100 HZ)
接收机ATT设置
Ac测量:20 dB (R通道)
0 dB (T通道)
Ad测量:20 dB(R通道和T通道)
在这个测量例子中RI和R2之间的平衡并未完全优化。

图33. 使用增益相位端口进行CMRR测量的实例
电源抑制比(PSRR)
放大器的电源抑制比(PSRR)是另一个比较难测量的参数,因为它要求进行大衰减值的测量。此处其定义为PSRR=Av/Ap, 其中Av是放大器电路的闭环增益,Ap是从电源的输入端口(正极/负极)至输出端口的增益。与CMRR测量相似,在线性工作范围内Ap与Av成正比。
图34显示的是用增益相位端口测量PSRR(正PSRR)的配置实例。由于IAvI=R2/R1=1,测得的电路增益直接指示为运算放大器的PSRR(=1/Ap,一个值为负数的dB值)的倒数。测量的激励源信号加在供电电源的正极上,有直流偏置电压。E5061B有一个内置直流偏置源,使您能够在内部将直流电压偏置附加到激励源的交流信号上。

图34 使用增益相位测试端囗进行PSRR测量的配置实例
使用S参数测试端口和有源探头可以测量频率高于30 MHz的PSRR。与使用S参数测试端口进行CMRR测量相似,我们推荐将磁环用在测试电缆上,以消除测试电缆接地环路引起的测量误差。图36显示的是用增益相位测试端口进行PSRR测量的实例,其上的游标表明在1 kHz时PSRR约为-87 dB。E5061B-3L5具有直流监测功能,可用于检查实际加在被测器件上的直流电压的值。

图35 使用S参数测试端囗进行PSRR测试的配置实例

图36 使用增益相位测试端囗进行PSRR测量的实例
输出阻抗
运算放大器输出阻抗的测量不是双端口传输参数的测量,而是单端口阻抗测量。通常情况下,运算放大器的闭环输出阻抗范围从低频率的几十毫欧到高频率的100欧。为了能够完全在这个阻抗范围内进行测量,反射测量法将是一种适当的解决方案。图37显示的是测量运算放大器闭环输出阻抗的配置实例。测量时必须要做开路/短路/负载校准(全单端口校准)。

图37 输出阻抗测量的配置实例
图38是闭环输出阻抗的测量实例。测得的迹线显示的是经过阻抗转换函数的计算绘制的阻抗值的幅度。左侧的迹线显示的是用对数刻度[20x log IZI dB]表示的输出阻抗。右侧的迹线显示的是用线性刻度[Ω]表示的输出阻抗。

图38 输出阻抗测量实例
免责声明:本文为转载文章,转载此文目的在于传递更多信息,版权归原作者所有。本文所用视频、图片、文字如涉及作品版权问题,请联系小编进行处理。
推荐阅读:






