【导读】许多系统设计人员使用Σ-Δ型ADC和RTD(电阻式温度检测器)进行温度测量,但实现ADC数据手册中规定的高性能时有困难。例如,一些设计人员可能只能从16位至18位ADC获得12至13个无噪声位。本文介绍的前端技术能够使设计人员在其系统设计中获得16个以上的无噪声位。
在比率式测量中使用RTD有一定优势,因为它能消除激励电流源的精度和漂移等误差源。下面是4线RTD比率式测量的典型电路。4线式配置的优势是可消除由引脚电阻产生的误差。

图1. 4线RTD比率式测量电路。
我们可以从上述电路推导出下面两个公式:

当ADC工作在双极性差分模式时,计算RTD电阻(RRTD)的通用表达式如下所示:

其中:
CodeRTD为ADC码。
CodeADC_Fullscale为ADC满量程代码。
RTD的测量电阻值理论上仅与基准电阻的精度和漂移相关。 通常,RREF为精确的低漂移电阻,精度为0.1%。
当工程师使用此类电路设计产品时,他们会在模拟输入和外部基准电压源引脚前添加一些电阻和电容,以获得低通滤波和如图2所示的过电压?;?。在本文中,我们将展示选择合适的电阻和电容以获得更好的噪声性能时应该考虑的因素。

图2. 典型4线RTD比率式测量电路。
从图2中可以看出,R1、R2、C1、C2和C3用作为差分和共模电 压信号提供衰减的一阶低通RC滤波器。R1和R2的值应相同, C1和C2的值也选择相同的值。同样,R3、R4、C4、C5和C6用 作参考路径的低通滤波器。
共模低通RC 滤波器
图3所示为共模低通滤波器等效电路。

图3. 共模低通滤波器。
因为a点的共模电压等于b点的电压,所以没有电流流过C3。 因此,共模截止频率可表示为:

差分模式低通RC 滤波器
为了更好地理解差分信号的低通RC滤波器截止频率,可将图 4中的C3电容视作图5中的两个独立电容:Ca和Cb。

图4. 差分模式低通滤波器。

图5. 差分模式低通滤波器等效电路。
图5中,差分模式截止频率为:

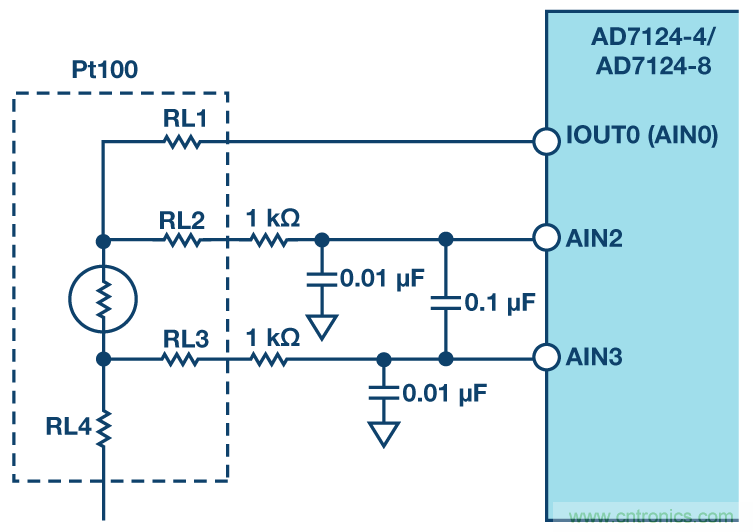
通常,C3的值是Ccm的值的10倍。这是为了降低C1和C2不一致 产生的影响。例如,如图6所示,ADI电路笔记CN-0381中使 用模拟前端设计时,差分信号的截止频率约为800 Hz,共模 信号的截止频率约为16 kHz。

图6. 使用AD7124进行RTD测量的模拟输入配置。
电阻和电容考虑
除了作为低通滤波器的一部分外,R1和R2还可提供过电压保 护。如果图6中的 AD7124-4 AIN引脚前使用的是3 kΩ电阻,则最高可保护30 V接线错误。不建议在AIN引脚前使用更大的电阻,原因有二。第一,它们将产生更大的热噪声。第二,AIN引脚具有输入电流,电流将流经这些电阻并引入误差。这些输入电流的大小不是恒定值,不匹配的输入电流将产生噪声,并且噪声将随电阻值增大而增大。
电阻和电容值对确定最终电路的性能至关重要。设计人员需要理解其现场要求,并根据上述公式计算电阻和电容值。对于具有集成激励电流源的ADI Σ-Δ型ADC器件和精密模拟微控 制器,建议在AIN和基准电压源引脚前使用相同的电阻和电容值。这种设计可确保模拟输入电压始终与基准电压成比例, 并且激励电流的温度漂移和噪声所引起的模拟输入电压的任何误差,都可通过基准电压的变化予以补偿。
用比率式测量法测得的ADuCM360 噪声性能
ADuCM360是完全集成的3.9 kSPS、24位数据采集系统,在单芯片上集成双路高性能多通道Σ-Δ型ADC、32位ARM® Cortex®-M3处理器和Flash/EE存储器。同时还集成了可编程增益仪表放大器、精密带隙基准电压源、可编程激励电流源、灵活的多路复用器以及其它许多特性。它可与电阻式温度传感器直接连接。
使用ADuCM360进行RTD测量时,REF–引脚通常接地,因此图2中的R4和C5无电流通过,可将其移除。C4和C6并联一起。 由于C4远远小于C6,因此可忽略。最后便可得到简单的模拟 前端电路,如图7所示。

图7. 用于RTD测量的ADuCM360模拟前端电路。
表1列出了模拟和参考输入路径前具有匹配和不匹配滤波器时 的噪声水平。使用100 Ω精密电阻代替RRTD,以测量ADC输入 引脚上的噪声电压。RRef 的值为5.62 kΩ。
Table 1. Noise Test Results

从表1我们可以看出,使用R1和R2的值与R3相同的匹配模拟前 端电路时,噪声与不匹配电路相比降低约0.1 μV至0.3 μV,这 意味着ADC无噪声位的数量增加约0.25位至16.2位,ADC PGA增益为16。
结论
按照本文介绍的考虑因素,使用匹配RC滤波器电路和根据现 场要求选择合适的电阻和电容值,比率式测量应用中的RTD 能够获得最佳的结果。
参考电路
CN-0381电路笔记。"采用低功耗、精密、24位Σ-Δ型ADC的全集成式4线RTD测量系统"ADI公司
CN-0267电路笔记。"具有HART接口的完整4 mA至20 mA环路供电现场仪表"。 ADI公司
推荐阅读:





