【导读】想要学习时间继电器,必须先要了解时间继电器的分类、工作原理、各个引脚的含义、接线方法以及控制原理图。
时间继电器作为电工基础中常用的继电器之一,在控制领域应用广泛,虽然现在都在使用可编程控制器、时控开关等智能控制设备,但是都是基于基础的时间继电器原理,那么下面我们开始学习吧。

时间继电器是指当加入(或去掉)输入的动作信号后,其输出电路需经过规定的准确时间才产生跳跃式变化(或触头动作)的一种继电器。是一种使用在较低的电压或较小电流的电路上,用来接通或切断较高电压、较大电流的电路的电气元件。
一、继电器的分类
时间继电器可以按照工作原理和延时方式分为好几大类,我们着重分析常用的几类,根据工作原理可以分为,空气阻尼式时间继电器、电动式时间继电器、电磁式时间继电器、电子式时间继电器等。
常用的有两种,因为价格低廉、原理清晰、控制要求不高,我们一般选择空气阻尼式时间继电器、电磁式时间继电器。

根据延时方式我们分为通电延时型、断电延时型,工作原理和含义顾名思义。
二、工作原理

空气阻尼是时间继电器:主要的延时原理是利用气囊式阻尼器,线圈得电以后,释放或者吸合阻尼器,空气通过微小孔缓慢进入,到达时间以后,实现接通断开作用;
电磁式时间继电器:主要原理是接通或者断电以后,磁通缓慢衰减的原理让衔铁释放让线路得到延时的作用。
三、各个引脚的含义
我们以这款通电延时型时间继电器为例:

1-2脚为电源线圈,这两个脚是需要连接电压的,根据自己选用的电压值正确连接,常用的为220V,24V;
1-3脚为通电延时闭合触点,接通电源,给了信号之后线圈得电,等到设置时间到达以后,触点闭合;
1-4脚为通电延时断开触点,接通电源,给了信号之后线圈得电,等到设置时间到达以后,触点断开;
5-8脚为通电延时闭合触点,接通电源,给了信号之后线圈得电,等到设置时间到达以后,触点闭合;
6-8脚为通电延时断开触点,接通电源,给了信号之后线圈得电,等到设置时间到达以后,触点断开;
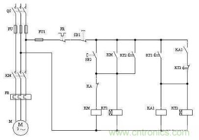
四、接线方法以及控制原理
各个引脚的含义我们已经搞清楚了,下面就可以根据控制原因进行接线,我们以下图为例,在电路中加入KT通电延时时间继电器,当按下启动按钮SB2线圈KT1、KM1得电交流接触器KM1吸合,电动机M1转动,延时闭合开关KT1到达时间吸合,KM2、KT2得电,交流接触器KM2得电吸合,电动机M2转动,延时断开开关KT2在到达时间以后断开,整个控制回路断开,所有电机停止转动;

这就是时间继电器在一条控制电路中起到的延时断开、延时闭合的作用。
下面分享几个经典时间继电器控制电路原理图:

星三角降压启动

延时启动、关闭控制






