桃花源qm花论坛(品茶),凤楼阁论坛官网入口网址,一品楼品凤楼论坛最新动态,风楼阁全国信息2024登录入口

你的位置:首页 > 测试测量 > 正文

如何提高隔离Δ-Σ 调制器电流采样短路保护性能?

发布时间:2018-10-25 责任编辑:lina

【导读】伺服控制系统广泛的应用在工业机器人、数控机床、电子制造、印刷机械、纺织机械等领域,在工业生产中发挥重要的作用。在工业机器人和数控机床等领域,响应速度快、转矩抖动小和精度高的伺服控制系统越来越关键。伺服控制系统的由位置环、速度环和电流环组成,电流环是内环,电流环的性能决定了整个控制系统的精度和响应速度。
 
伺服控制系统广泛的应用在工业机器人、数控机床、电子制造、印刷机械、纺织机械等领域,在工业生产中发挥重要的作用。在工业机器人和数控机床等领域,响应速度快、转矩抖动小和精度高的伺服控制系统越来越关键。伺服控制系统的由位置环、速度环和电流环组成,电流环是内环,电流环的性能决定了整个控制系统的精度和响应速度。
 
一个影响电流环性能的因素是电流采样方式,目前主流的电流采样方式包括霍尔电流采样、隔离运放电流采样和隔离Δ-Σ 调制器电流采样。TI的隔离Δ-Σ 调制器 AMC1305的精度高、绝缘等级高和抗干扰性能强,广泛的应用在工业伺服、变频器和太阳能逆变器等领域。
 
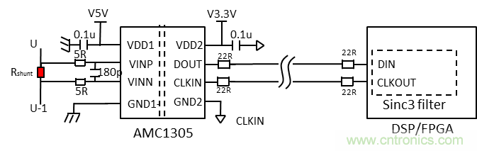
AMC1305的电流采样方式如图1所示,AMC1305将电流信息转换为单线的数据流,该数据流通过DSP等控制芯片中的滤波器???,还原得到电流信息。相比于前两种电流采样方式,隔离Δ-Σ 调制器用于电流采样,具有精度高和抗干扰能力强的优点。但是,隔离Δ-Σ 调制器的电流采样方式的带宽低,响应速度慢,当电机过载或短路时,需要较长的时间才能反映在电流数字量上,有可能会造成?;なА?/div>
 
如何提高隔离Δ-Σ 调制器电流采样短路?;ば阅??
 
图1:AMC1305的电流采样示意图
 
为了提升AMC1305电流的采样方式的性能,兼顾电流环控制和过流保护功能,可以在DSP等控制器中,设置两组数字滤波器(见图2),一组具有较低的带宽和较高的精度,用于内部电流环控制;另外一组,具有较高的带宽和较低的精度,用于过流?;ぁ?/div>
 
 
如何提高隔离Δ-Σ 调制器电流采样短路?;ば阅??
 
图2:一种兼顾电流环控制和过流?;すδ艿牡缌鞑裳瞬ㄆ鞯姆绞?/div>
 
使用AMC1305的电流采样方式,通常采用Sinc3 滤波器提取电流信息,Sinc3滤波器的过采样率(Over Sample Rate,OSR)决定了电流采样的精度和带宽(见图3)。采用同样的滤波器结构,OSR和滤波器频率响应如图3 (a)所示,OSR越大,带宽越低。同样的滤波器结构下,不同OSR下的有效位数(ENOB)如图3(b)所示,OSR越大,ENOB越大。
 
 
如何提高隔离Δ-Σ 调制器电流采样短路?;ば阅埽? title=
 
 
图3:Sinc3滤波器的OSR、带宽和有效位关系
 
AMC1305用于电流采样时,采用Sinc3滤波器,不同的OSR,电流采样的带宽和ENOB如表1所示。
 
表1:Sinc3滤波器的OSR、带宽和有效位关系
 
 
如何提高隔离Δ-Σ 调制器电流采样短路保护性能?
 
 
通过以上分析,电流环对精度要求高,Sinc3滤波器的OSR设置为128或256,ENOB大于13位;过流?;すδ芏钥焖傩砸蟾?,Sinc3滤波器的OSR设置为8或16,响应带宽大于330kHz。
 
本文提出一种改进的隔离Δ-Σ 调制器电流采样方式的方案,该方案有以下优点:
 
● 在满足了电流环控制的高精度要求时,满足了过流?;さ目焖傩砸?;
● 实现简单,无需改动外部电路
 
 

关闭

?

关闭