【导读】CAN总线一直以实时性强、传输距离远、抗干扰能力强、数据保证到达等特点而广泛应用于高可靠性的场合。但常常在观察CAN通信波形时,我们会发现差分电平在ACK段突然增高,这是什么原因导致的呢?这里结合测试实例对ACK电平偏高的原因做简单分析。
一、ACK简介
ACK的作用:确认一帧报文是否正常接收。
以标准数椐帧为例,从结构上看分成7段,分别为起始段、仲裁段、控制段、数椐段、CRC校验段、ACK应答段、帧结束段,如图1所示:

图1 标准数椐帧结构
ACK段长度为2个位,包含应答间隙(ACK SLOT)和应答界定符(ACK DELIMITER)。在应答场里,发送站发送两个“隐性”位。当接收器正确地接收到有效的报文,接收器就会在应答间隙(ACK SLOT)期间(发送ACK信号)向发送器发送一“显性”的位以示应答。如图2 (CANScope测试的ACK段波形图)所示:

图2 ACK应答位结构
应答间隙:所有接收到匹配CRC序列(CRC SEQUENCE)的节点会在应答间隙(ACK SLOT)期间用一“显性”的位写入发送器的“隐性”位来作出回答,由于CAN总线线与的原理,只要总线上有一个节点正确接收到数据,则ACK SLOT就会被填入显性电平。
ACK界定符:ACK界定符是ACK场的第二个位,并且是一个必须为“隐性”的位。因此,应答间隙(ACK SLOT)被两个“隐性”的位所包围,也就是CRC界定符(CRC DELIMITER)和ACK界定符(ACK DELIMITER)。
当一个接收节点接收的帧起始到CRC段之间的内容没发生错误时,它将在ACK段发送一个显性电平。 如图3所示:

图3 ACK应答过程分析
二、CAN总线ACK电平偏高原因分析
以使用ZLG致远电子CANScope测试某电车CAN网络为例,20多个CAN节点采样手牵手方式组网,线两端各接120欧电阻,通讯能够正常,但差分信号波形应答位电平偏高较多,如图4所示,从CANScope的波形图中可以清楚的看到ACK电平突增。

图4 CAN数椐帧波形分析
CAN总线通信存在异常,ACK应答有问题?——NO
分析如下:
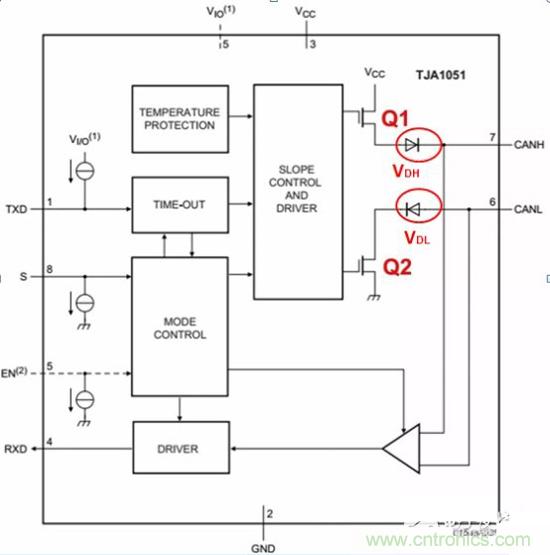
首先,我们看一款CAN收发器的典型内部结构图,CANH、CANL连接总线。

图5 CAN收发器的典型内部结构图
总线显性时(逻辑为0),收发器内部Q1、Q2导通,CANH、CANL之间产生压差;隐性时(逻辑为1),Q1、Q2截止,CANH、CANL处于无源状态,压差为0。
按照标准,在总线输出为显性时,CANH=3.5V,CANL=1.5V,差分分电平:CANH-CANL=2V,总线网络电阻为60欧,流经终端电阻的电流约为33mA(2V/60欧);
然而,CAN收发器在输出显性时,CANH电平并不是标准的3.5V,而是5V(VCC)通过一个二极管降压得到的,二极管的压降由负载电流决定。图6所示的VDH为CANH对应的二极管压降,VDL为CANL对于的二极管压降,流过的电流越大,二极管的压降就越大??芍?/div>
CANH的电压=5V-VDH CANL的电压=0V+VDL

图6 CAN收发器等效结构
在CAN总线网络中,当一帧报文被各个节点接收时,在ACK阶段,多个CAN节点同时响应(都发显性),流过终端电阻的电流被各个CAN节点均分,那么平均到每个节点的电流就减小了,如下图所示,VDH、VDL的压降也减小,相应CANH-CANL的差分电压就增大了,即ACK应答电平偏高。

图7 CAN网络等效结构
三、ACK的意义
当CAN总线上只有一个节点可收发数据时,总线上因无接收节点在ACK SLOT时间内 发送“显性”位填充,而始终保持隐性,发送者会检测到这个隐性位而知道发送失败,此条报文需要重发。因此这个节点会一直重发数据直到发送成功或发送被取消。
当总线上有多个CAN节点组网通信时,由于总线电平线与的原理,只要总线上有一个节点正确接收到数据,则ACK SLOT就会被填入显性电平(此时认为数据帧发送成功), 那么,接收错误的节点如何来告知发送者此次发送不成功呢?这就要用到CAN的错误帧,当一个接收节点收到错误数据时,它立即广播发送一个错误帧,其它的节点和发送者也都会收到这个错误帧而丢掉此次报文,发送节点重新发送,这才是ACK的意义。




