【导读】单片机无线通信系统设计基于PTR2000无线数据传输解决方案,可实现小于300 m的短距离通信,在应用时将系统作为一个模块可方便地移植,以便构建更为复杂的无线通信网络,可应用于小型无线网络、无线抄表、小区传呼、工业数据采集系统、安全防火系统等领域,具有一定实用价值。
短距离无线传输具有抗干扰性能强、可靠性高、安全性好、受地理条件限制少、安装灵活等优点,在许多领域有着广泛的应用前景。低功耗、微型化是用户对当前无线通信产品尤其是便携产品的实际需求,短距离无线通信逐渐引起广泛关注。常见的短距离无线通信有基于802.11的无线局域网WLAN、蓝牙 (blueTooth)、HomeRF及欧洲的HiperLAN(高性能无线局域网),但其硬件设计、接口方式、通信协议及软件堆栈复杂,需专门的开发系统,开发成本高、周期长,最终产品成本也高。因此这些技术在嵌入式系统中并未得到广泛应用。普通RF产品不存在这些问题,且短距离无线数据传输技术成熟,功能简单、携带方便,使其在嵌入式短程无线产品中得到了广泛应用。
本文介绍的是采用NFC技术的无线通信系统接口和复位电路??榈纳杓?/div>
电路原理:
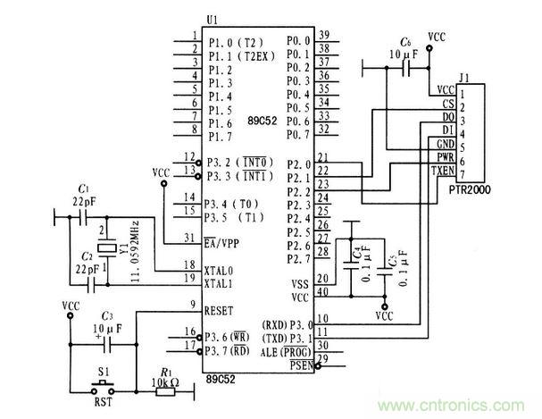
单片机的时钟电路和复位电路:单片机时钟电路设计中,选择晶振频率11.059 2 MHz,约定PC机和单片机的通信速率为9 600 b/s,并选择相应电容与单片机的时钟引脚相连构成时钟回路。在复位电路设计中,采用复位引脚和相应的电容、电阻构成复位电路。单片机与PTR2000接口原理电路如图所示。

图1 单片机与PTR2000接口原理图
单片机与PTR2000接口电路:AT89C52 单片机主要完成数据的采集和处理,向PTR2000模块发送数据,并接收由PC机通过PTR2000 传送的数据。和单片机相连的PTR2000??橹饕テ拇莸髦瞥?a target="_blank" style="text-decoration:none;" >射频信号,再发送到PC机端的PTR2000模块,同时接收PC机端的 PTR2000??榇偷纳淦敌藕?,并调制成单片机可识别的TTL信号送至单片机。单片机的RXD和TXD引脚分别和PTR2000的DO和DI引脚连接,实现串行数据传输;决定PTR2000??楣ぷ髂J降腡XEN、CS、PWR 3个引脚分别和单片机I/O控制口的P2.0~P2.2相连,PTR2000工作时,由单片机中的运行控制程序实时控制其工作模式。

图2 PC与PTR2000接口原理图
该接口电路设计首先需进行电平转换。PC机的串口支持RS-232标准,而PTR2000??橹С諸TL电平,选择MAX232器件进行两者间的电平转换,接口电路如图所示。PTR2000模块进行串行输入、输出,引脚DI、DO通过电平转换器件和PC机串口相连;PTR2000的低功耗控制引脚。 PWR接高电平VCC,即PTR2000固定工作在正常工作状态;频道选择引脚CS接GND低电平,即采用固定通信频道1,固定工作在433.92 MHz;PC机串口的RTS信号控制TXEN引脚,以决定PTR2000??楹问蔽邮蘸头⑸渥刺?。PC机和串口的传输速率设定为9 600 b/s,和单片机保持一致。




