自从人类1947年发明晶体管以来,50多年间半导体技术经历了硅晶体管、集成电路、超大规模集成电路、甚大规模集成电路等几代,发展速度之快是其他产业所没有的。半导体技术对整个社会产生了广泛的影响,因此被称为“产业的种子”。中央处理器是指计算机内部对数据进行处理并对处理过程进行控制的部件,伴随着大规模集成电路技术的迅速发展,芯片集成密度越来越高,CPU可以集成在一个半导体芯片上,这种具有中央处理器功能的大规模集成电路器件,被统称为“微处理器”。需要注意的是:微处理器本身并不等于微型计算机,仅仅是微型计算机的中央处理器。
微处理器已经无处不在,无论是录像机、智能洗衣机、移动电话等家电产品,还是汽车引擎控制,以及数控机床、导弹精确制导等都要嵌入各类不同的微处理器,而本文介绍的是一款采用微处理器控制方式的洗碗机。其使用电压220V。清洗泵电机功率120W,排水泵电机功率60W,发热器功率800W。采用喷臂喷射洗涤,设预洗、清洗、中洗、强洗四种洗法;洗涤时间为清洗档20—25min,中洗、强洗档35~70min;利用余热干燥餐具。
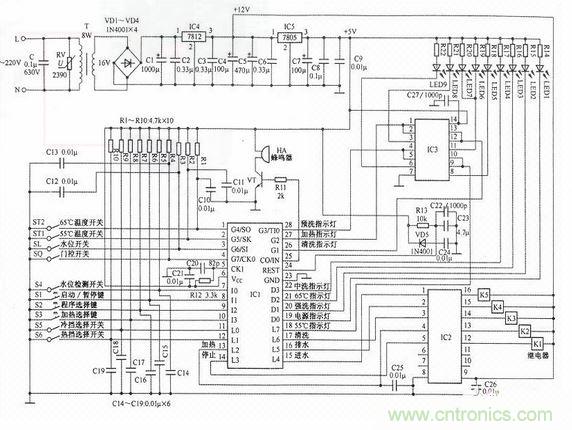
电路原理:
?。?)220V市电电源加至电源变压器T的初级,降压后由次级输出16V交流电压。该电压经整流器VD1—VD4桥式整流、电容C1和C2滤波后,产生直流电压,再经三端稳压集成电路IC4稳压,产生12V直流电压,供功率驱动集成电路IC2及控制继电器K1~ K5用电。同时,该直流电压再经三端稳压集成电路IC5稳压,产生5V直流电压,作为微处理器IC1、IC3及蜂鸣器HA的工作电源。
在输入电源两端并联高频滤波电容C和压敏电阻RV。高频滤波电容C能滤除交流电网杂波信号,防止干扰微处理器工作;压敏电阻RV能防止过电压和雷电窜入电路,起过压?;ぷ饔?。

(2)微处理器IC1⑥脚为5v电源输入端,23脚为接地端。由IC1①脚及其外接65℃温度开关ST2,②脚及其外接55℃温度开关ST1以及电阻Rl和R2、电容C10和C11等元件组成水温控制开关电路,用来控制水的温度。由IC1③、④脚与7~12脚及其外接水位开关SL、门控开关SQ、水位检测开关S4、“启动/暂停”键S1、“程序选择”键“S2、加热选择”键S3、冷档选择开关S5、热档选择开关S6以及电阻R3—Rl0、电容C12~C19等元件共同组成程序功能开关电路,用于程序功能选择。
?。?)由ICl@脚及其外接电阻Rll、三极管VT、蜂鸣器HA等元件共同组成蜂鸣器控制电路。当洗碗机排水后,ICl@脚输出脉冲信号,经三极管VT放大,驱动蜂鸣器HA发出呜叫声,提示洗碗机洗涤结束。由IC124脚及其外接电阻R13、电容C22~C24及二极管VD5等元件共同组成复位电路,每次通电开机时,对ICl@脚的内电路进行清零。
?。?)由IC1(18)~22脚、26~28脚及其外接55℃指示灯、电源指示灯、强洗指示灯、65℃指示灯、中洗指示灯、清洗指示灯、加热指示灯、预洗指示灯等元件共同组成功能显示控制电路,用于程序功能显示。其中,指示灯LED6~LED9 分别受IC3⑧、11、③、⑥脚输出信号控制。IC1(13)~(17)脚分别是加热、停止、进水、排水、清洗功能输出端,对应与功率驱动集成电路 IC2④、⑤、①~③脚输入端连接。IC2的12~16脚分别外接控制继电器K1~K5,其吸合与断开受IC1输出信号控制,使相应继电器的??サ愣?,实现进水、清洗、加热、排水、停止等功能。
编者结语:
洗碗机是自动清洗碗、筷、盘、碟、刀、叉等餐具的设备。目前在市面上的全自动洗碗机可以分为家用和商用两类,家用全自动洗碗机只适用于家庭,主要有柜式、台式及水槽一体式。 商用洗碗机按结构可分为箱式和传送式两大类,为餐厅、宾馆、机关单位食堂的炊事人员减轻了劳动强度,提高了工作效率,增进清洁卫生。而编者认为本文介绍的此款洗碗机较适合家用,具有小巧轻便,节省空间,操作简单、方便的特点。




