【导读】通过对电气控制回路设计的研究,发现竞争与冒险并存问题的实例。通过实例分析,解释了电气控制回路设计过程中出现的技术盲点。经过经验的总结,以及对设计原理的改进,电气控制系统的工作质量在可靠性和效率方面都得到了有效的提升。
电气控制回路中如果存在竞争与冒险问题,就会直接危及人机安全,造成重大事故,后果不堪设想,因此,在电气控制回路的设计应用中应引起高度重视。在电子线路的设计中,竞争与冒险的问题处于重要的位置,因为该问题的存在关系到系统是否能可靠地工作。另外,由于强电构成的电气控制一般比较直观,易于识读,很少出现竞争与冒险问题,易被忽视。如果在设计中考虑不周或生产、检修过程中控制回路接线错误,都会产生该问题。
1电路分析
软起动器起动电机旁路运行后,电机自由停车和延时停机的控制原理图如图1所示,电机的起动通过中间继电器KA1的吸合来实现;起动达速后中间继电器KA2吸合,旁路接触器KM得电,电机旁路运行;SB1按下时,KA2、KM线圈断电,电机自由停车;当按下SB2时,时间继电器KT线圈得电,??サ闼彩北蘸喜⒆员3郑敝罧T的延时断开的常闭触点打开,将KA2、KM线圈断电,电机停止。该回路从控制原理上分析无问题,但仔细观察会发现延时停止回路存在问题。
如果中间继电器KA2和时间继电器KT采用不同类型的产品时(如一个采用电磁式继电器,另一个为电子式继电器),由于线圈动作时间相差较大,KA1和KT在动作上存在抢时间的问题,即当按下SB2时,KT得电并自保持,但当KT延时断开的常闭触点打开瞬间,KT的线圈断电,自锁触点打开,KT的延时断开常闭触点又会瞬时闭合;在KT延时断开的常闭触点从延时打开到瞬时闭合的时间中,如果KA2断开,则电机能够停止;否则,电机无法延时停止(因为还没等KA2断开,KT的延时断开常闭触点又闭合了,导致KA2无法断电)。这种延时停车有时成功,有时失败,其结果是控制回路不能可靠工作,就是典型的竞争与冒险问题。如果KT是电子式时间继电器(如ST3PC-D),而KA2又是电磁式中间继电器(如JZC3 -22 d),这时,由于KT总是先完成动作,而KA2又由于线圈存在剩磁而释放较慢,造成KA2无法可靠断电。若将KT、KA2改为同一类型继电器(如该例中的KT改为JSK4-224d),则可解决此类问题。

图1电机自由停车和延时?;刂圃?。
2改进设计
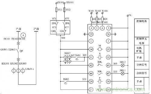
图2为未改进前的联络柜控制电路图。图2中,联络柜中的手动、自动控制的框架式断路器去消由于原理设计缺陷,转换开关在自动档时,欠压线圈Q与合闸线圈X得电时出现竞争与冒险问题,造成断路器不能可靠合闸。为了突出主要问题,将其他辅助回路略去,在储能电机已储能时,如果300#线得电,欠压线圈Q先吸合,则自动合闸成功,否则就失败,即是造成自动合闸有时成功、有时失败的原因。
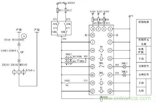
为了能使断路器可靠合闸,线路中增加延时继电器BSJ,如图3所示。当300#线路得电时,欠压线圈Q得电动作,合闸线圈X通过通电延时继电器BSJ延时吸合后得电动作,断路器合闸。

图2联络柜控制电路图。


图3增加BSJ后的联络柜控制电路图。
电气控制回路中的竞争与冒险问题具有一定的隐蔽性,在电气控制原理的设计中常?;嵊龅?,设计人员应仔细考虑控制原理的每一个细节,避免此类情况的发生。如果对新设计的控制原理存在疑问,最好能通过试验手段验证。相关阅读:
电气工程师谨记:电气控制柜布线4大标准
智能晶闸管在电气控制中的应用
建筑电气必知:变压器标识及使用规则





