【导读】电镀的电源与普通电源的不同之处在于电镀电源需要电流输出,而且对输出电压要求较低。电镀电源功率较大,因此多数采用晶闸管相控整流方式。本文中深入解析了电镀用开关电源,电流从0-5000A,输出电压从0-12V连续可调,60KW的满载输出功率。
零电压软开关
高频全桥逆变器的控制方式为移相FB2ZVS控制方式,控制芯片采用Unitrode 公司生产的UC3875N。超前桥臂在全负载范围内实现了零电压软开关,滞后桥臂在75 %以上负载范围内实现了零电压软开关。图2 为滞后桥臂IGBT 的驱动电压和集射极电压波形,可以看出实现了零电压开通。
开关频率选择20kHz ,这样设计一方面可以减小IGBT的关断损耗,另一方面又可以兼顾高频化,使功率变压器及输出滤波环节的体积减小。

图1:IGBT驱动电压和集射极电压波形图
主电路拓扑结构
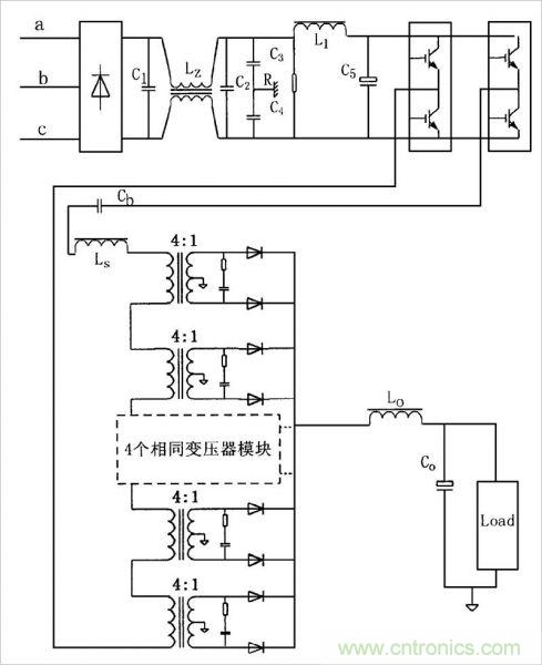
考虑到对大电流输出的需要,在主电路的高频逆变部分,本设计选用了IGBT作为功率开关器件的全桥拓扑结构。整个主电路如图1 所示,包括:工频三相交流电输入、二极管整流桥、EMI 滤波器、滤波电感电容、高频全桥逆变器、高频变压器、输出整流环节、输出LC 滤波器等。
为了防止偏磁,电路中包含了隔直电容Cb,用它来对变压器的伏秒值进行平衡??悸堑叫实奈侍?,谐振电感LS 只利用了变压器本身的漏感。因为如果该电感太大,将会导致过高的关断电压尖峰,这对开关管极为不利,同时也会增大关断损耗。另一方面,还会造成严重的占空比丢失,引起开关器件的电流峰值增高,使得系统的性能降低。

图2:主电路原理图
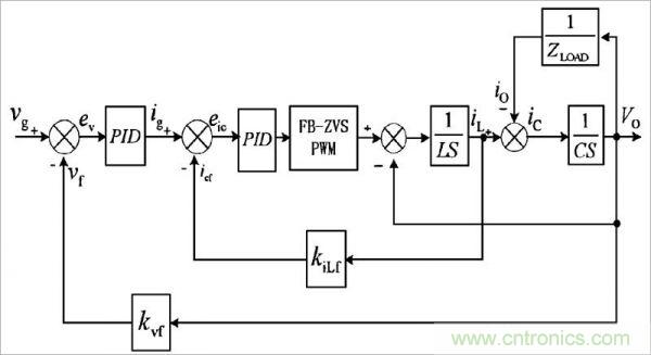
对输出电流进行限制,是为了对电源当中的开关元件进行?;ぃ悦獬鱿殖龉爻惺苣芰Φ那榭?。因此,控制电路采用电压电流双环结构(内环为电流环,外环为电压环) ,调节器均为PID。图3 为控制电路的原理框图。加入电流内环后,不仅可以对输出电流加以限制,并且可以提高输出的动态响应,有利于减小输出电压的纹波。

图3:控制电路的原理框图
[page]在本设计当中,大量运用了稳压和稳流的控制电路,图4为稳压稳流自动转换电路。其工作原理是:稳流工作时,电压环饱和,电压环输出大于电流给定,从而电压环不起作用,只有电流环工作;在稳压工作时,电压环退饱和,电流给定大于电压环的输出,电流给定运算放大器饱和,电流给定不起作用,电压环及电流环同时工作,此时的控制器为双环结构。这种控制方式使得输出电压、输出电流均限制在给定范围内,具体的工作方式由给定电压、给定电流及负载三者决定。

图4:稳压稳流自动转换电路
以缩小体积增长效率为目的,本设计采用了软开关的技术,电源实际容量为60kw高频全桥逆变器的控制方式为移相FB2ZVS 控制方式,它利用变压器的漏感及管子的寄生电容谐振来实现ZVS??刂菩酒捎肬nitrode 公司生产的UC3875N。通过移相控制,超前桥臂在全负载范围内实现了零电压软开关,滞后桥臂在75 %以上的负载范围内实现了零电压软开关。
在本次设计中,电镀电源采用移相全桥的软开关电源技术。从主电路拓扑到控制电路的设计,有效的减少了开关的损耗以及噪声问题,而且功率器件在零电压状态实现了软开关。
相关阅读:



