【导读】ADL5566是一款针对中频和直流应用而优化的高性能双通道差分放大器。该放大器在宽频率范围内提供1.3 nV/√Hz的低噪声和出色的失真性能,堪称高速16位模数转换器(ADC)的理想驱动器。ADL5566非常适合用于高性能、零中频/复合中频接收器设计。此外,该器件针对单端输入驱动应用具有出色的低失真特性。
ADL5566的增益为16 dB。对于单端输入配置,增益降低为14 dB。每个放大器各使用两个外部串联电阻可扩展放大器的增益灵活性,并允许差分输入选择0 dB至16 dB范围内的任意增益;允许单端输入选择0 dB至14 dB范围内的任意增益。此外,输出(VOCM)电平低至1.2 V时,该器件可保持低失真性能,在最高2 V p-p的交流电平下,提供额外的CMOS ADC驱动能力。

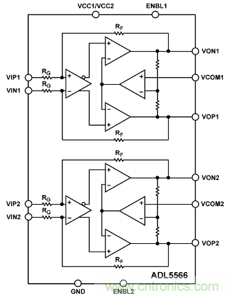
ADL5566 功能框图
采用3.3 V电源供电时,ADL5566的静态电流典型值为每个放大器70 mA。禁用时,每个放大器功耗小于3.5 mA,且100 MHz时的输入至输出隔离为−25 dB。
该器件针对宽带、低失真和噪声性能优化,使其具备了无可比拟的无杂散动态范围(SFDR)性能。这些特性加上可调增益能力,使该器件成为驱动多种ADC、混频器、PIN二极管衰减器、SAW滤波器以及多单元分立器件的放大器选择。
ADL5566采用ADI公司的高速SiGe工艺制造,提供紧凑型4 mm × 4 mm、24引脚LFCSP封装,工作温度范围为−40°C至+85°C。
ADL5566差分放大器的主要特性:
- 业界最佳HD2和HD3性能
- 高截点功率线性度:200MHz时OIP3/OIP2分别为46 dBm/82.6 dBm(增益为16 dB)
- 二阶/三阶失真(2 Vpp驱动200 Ω负载):200MHz时分别为–94.5 dBc/ –87.2 dBc(增益为16 dB)
- RTI噪声:1.3 nV/√ HZ(增益为16dB)
- 支持单端和差分输入应用
- 功耗:3.3 V时每通道70 mA;5 V时每通道80 mA
- 电源电压范围:2.8 V至5.2 V(具有通道独立使能功能)
供货、报价与配套产品




