长期以来,得到无线通信系统设计工程师认可的理想数字接收机的信号链路是:天线、滤波器、低噪声放大器(LNA)、ADC、数字解调和信号处理电路。虽然实现这个理想的数字接收机架构还要若干年的时间,但用于射频前端的ADC的性能越来越高,通信接收机正逐渐消除频率变换电路。从发展趋势看,接收机的一些中间处理级会被逐步消除掉,但ADC前端的缓冲放大级却是接收机中相当重要的环节,它是保证ADC达到预期指标的关键。信号链路的缓冲放大器是包括混频器、滤波器及其它放大器的功能??榈囊徊糠?,它必须作为一个独立器件考察其噪声系数、增益和截点指标。给一个既定的ADC选择合适的缓冲放大器,可以在不牺牲总的无杂散动态范围的前提下改善接收机的灵敏度。
定义动态范围
接收灵敏度是系统动态范围的一部分,它定义为能够使接收机成功恢复发射信息的最小接收信号电平,动态范围的上限是系统可以处理的最大信号,通常由三阶截点(IP3)决定,对应于接收机前端出现过载或饱和而进入限幅状态的工作点。当然,动态范围也需要折衷考虑,较高的灵敏度要求低噪声系数和高增益。然而,具有30dB或者更高增益、噪声系数低于2dB的LNA其三阶截点会受到限制,常常只有+10到+15dBm。由此可见,高灵敏度的放大器有可能在接收前端信号处理链路中成为阻塞强信号的瓶颈。在接收机的前端加入ADC后,对动态范围的折衷处理变得更加复杂。引入具有数字控制的新型线性放大器作为缓冲器,能够在扩展动态范围的同时提高接收机的整体性能。
为了理解缓冲放大器在高速ADC中的作用,我们需要了解一下每个部件的基本参数及其对接收机性能的影响。传统的接收机前端一般采用多级变频,将来自天线的高频信号解调到中频,然后再作进一步处理。通常,信号链路会将射频输入转换到第一中频的70MHz或140MHz,然后再转换到第二中频的10MHz,甚至进一步转换至第三中频的455kHz。这种多级变频的超外差接收机架构的应用仍然很广泛,但考虑到现代通信系统所面临的降低成本、缩小尺寸的压力,设计工程师不得不尽一切可能去除中间变频电路。长期以来,军品设计工程师也一直都在探索实现全数字化接收机的解决方案,用ADC直接数字化来自天线和滤波器组的射频信号。
近几年,ADC的性能指标得到了飞速提高,但还没有达到可以支持全数字化军用接收机的水平。尽管如此,商用接收机的设计已经从三级或更多级的变频架构简化到一次变频架构。减少频率变换级意味着ADC输入将是较高中频的信号,需要ADC和缓冲放大器具有更宽的频带。对ADC分辨率的要求取决于具体的接收机,对于一些军用设备,例如有源接收机,10位分辨率即可满足要求。对于当前和正在兴起的商用通信接收机,比如3G、4G蜂窝系统,为了降低经过复杂的相位和幅度调制的波形的量化误差,需要ADC具有更高的分辨率。对于多载波接收机,通常需要14位甚至更高的分辨率,同时也要足够的带宽来处理整个中频频带的信号。
如果一个接收机架构已具备高速、高分辨率ADC,那么关系到灵敏度和动态范围的其它关键参数是什么呢?ADC常用SFDR作为其关键指标,SFDR定义为输入信号的基波幅度与指定频谱内最大失真分量均方根的比。如输入电压幅度超出了所允许的最大值,采样输出波形将出现削波和失真。当输入信号低于推荐的最小输入值时,则不能有效利用ADC的分辨率,一个14位的ADC可能仅仅表现出了10位或12位器件的性能。
对于一个既定ADC,正弦波的最大输入电压(Vmax)可以由下式计算:
2Vmax = 2bQ 或 Vmax= 2 b-1 Q
其中,b是ADC的分辨率,Q是每位量化电平的电压。
对应于最大电压的正弦波功率是:
Pmax = V2max/2 = [2 2(b-1)Q2]/2 = 22bQ2/8
最小电压是对应1 LSB的幅度,可以由下式计算:
2Vmin=Q
对应功率为:
Pmin= V2min/2= Q2/8
动态范围(DR)可以简单地由下式计算:
DR = Pmax/Pmin= 22b
或采用对数形式表示:
DR = 20log(Pmax/Pmin) = 20blog(2) = 6b(dB)
或者每位6dB。
要得到一个ADC的SFDR,可以测量ADC的满量程正弦信号,利用一个高精度DAC和频谱分析仪测试ADC的输出,并且比较输出信号的最大基波成分与最大失真信号的电平。需要注意DAC的动态范围一定要远远高于ADC的动态范围,否则DAC的动态范围会制约ADC SFDR指标的测试。目前,高速ADC的SFDR指标可以达到80到90dBc,通过给ADC输入一个单音或双音信号可以测得该项指标。对于双音信号的性能分析,双音信号可以在共同中频中心频率两侧选择,频率间隔1MHz,比如对于140MHz的中频,双音频点选择为139.5MHz和140.5MHz。
[page]
包括ADC在内的接收灵敏度是噪声的函数,而噪声电平本身又是带宽的函数。降低噪声可以提高接收机的灵敏度。而有些噪声是不可避免的,如热噪声。ADC的背景噪声由热噪声和量化噪声决定,这些噪声限制了ADC的灵敏度。量化噪声本质上讲是模数转换器的LSB的不确定性。一般来说,ADC的背景噪声就是所允许的最低输入信号。作为接收机,不仅仅通过SFDR来表现ADC的特性,满量程噪声比和信噪比(SNR)也很重要,ADC的最大SNR是其分辨率的函数:
SNR = (1.76 + 6.02b) dB
实际上,它是满量程模拟输入的均方根与量化噪声均方值的比。将ADC的采样速率增加一倍,噪声将分布到两倍于前期带宽的频段内,有效噪声系数会降低3dB。确定ADC的SNR的最好方法是用一个精确的接收机和经过校准的噪声源进行测量,测量须考虑时钟抖动和其它噪声源,从而获得实际的SNR值。
总谐波失真(THD)是在信号傅立叶频谱上的所有谐波的均方根之和,前三项谐波集中了绝大部分的信号能量,对于通信系统来说,THD通常比静态下的直流线性度更重要。大多数厂商给出的器件参数中包含了前4次,甚至前9次谐波的数据。
MAX12599是一款Maxim推出的新型ADC,它在单一芯片上集成了2路14位ADC,每路ADC的采样速率可以达到96Msps,可以采集中频和基带信号。这款双通道ADC具有内部采样/保持放大器和差分输入,对于175MHz的输入,它可以获得79.8dBc的SFDR、71.9dB的典型信噪比和70.9dB的信噪失真比(SINAD)(图1),总谐波失真为-77.9dBc。这款ADC工作在3.3V,仅消耗980mW的模拟电源功耗。
MAX12559在96MHz时钟频率

图1:MAX12559在96MHz时钟频率、-1dBFS输入时,SNR和SINAD与输入频率的对应关系曲线。
灵活的基准架构允许器件采用内置2.048V带隙基准或外部基准,并且允许两个ADC共用同一基准??衫没嫉缏吩?plusmn;0.35V到±1.15V范围内调整满量程输入,MAX12599支持单端或差分时钟输入,用户可选择2分频和4分频模式,简化了时钟源的选择。
缓冲器的选择
在为MAX12559或类似的在现代通信接收机中的高速ADC选择缓冲放大器时,需要考虑一个因素。理想情况下,缓冲放大器需要具有与ADC相同的带宽或更宽的带宽,MAX12559的带宽是750MHz,至少需要满足被采样信号的带宽要求。ADC缓冲放大器一般按照频域特性定义指标,而普通的运算放大器规定建立时间和摆率指标。无论缓冲放大器如何定义指标,它必须具备ADC输入所需要的瞬态响应能力,使输入波形的削波或失真不会大于ADC的1LSB。
在接收机前端,缓冲放大器的噪声系数也有影响,但不占主导地位。在信号链路中,第一级放大器对接收机噪声系数影响最大,通常,具有最低噪声系数的放大器放在信号链路的最前端。因此,低噪声系数的缓冲放大器有助于改善整个接收机的噪声系数指标,但对缓冲器的噪声系数要求不像第一级放大器那样严格。如果接收机第一级低噪声放大器具有2dB或更低的噪声系数,对于缓冲放大器来说,6dB到7dB的噪声系数将会对接收机链路产生最小的影响。
缓冲放大器应该提供足够的增益,以确保送到ADC的信号接近于满量程输入电压,同时,还要很好地控制频率响应特性,增益平坦度应该保持在ADC的一个LSB之内。对于高分辨率(14位或更高)ADC,要求缓冲放大器在整个有效带宽内具有±0.5dB的增益平坦度?;撼宸糯笃饔Ω冒凑帐涑龅缪购徒氐阒副晏峁┝己玫南咝远?,例如缓冲放大器必须至少提供和ADC的输入要求一致出输出,线性度应优于ADC的线性度,以避免降低ADC的SFDR指标。
考虑缓冲放大器和ADC相位误差对杂散特性的影响时,可以由下式计算:
SFDR System = -20log{10exp[(-SFDR ADC)/20] + 10exp[(-SFDR Buffer)/20]} (dBc)
缓冲放大器的源阻抗要足够低,以保证与ADC输入阻抗的隔离,并为ADC输入驱动提供足够的功率。为了避免额外的转换误差,还要求缓冲器的高频输出阻抗尽可能低,总之,缓冲放大器的输出阻抗会对ADC的交流特性,特别是总的谐波失真(THD)产生直接影响。
对于开关电容ADC,转换器可能会在每次转换结束时吸收少量输入电流。采用这类ADC时,缓冲放大器还要有足够快的瞬态响应能力,以避免转换误差。当缓冲器的瞬态响应不够快时,可以根据接收机的要求在其输出加一个RC滤波器来限制输入带宽,同时提供额外的电容以消除ADC的瞬态影响,滤波电容要大于ADC的输入电容。
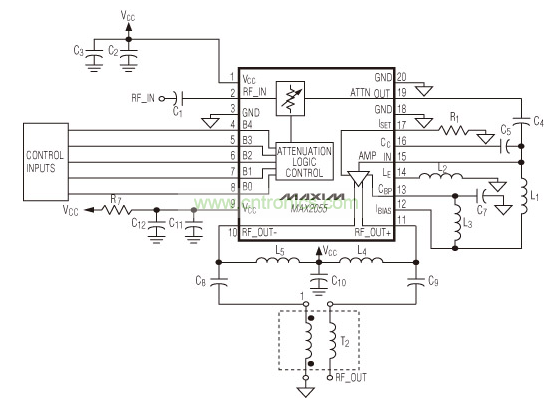
Maxim的MAX2055、MAX2027可用作MAX12559的缓冲放大器,MAX2055是一个带宽在30~300MHz的数控可变增益放大器(图2)。
[page]
MAX2055典型应用电路

图2:MAX2055典型应用电路。
它具有单端输入和差分输出,便于配合差分输入ADC使用,缓冲放大器内部集成了数控衰减器和高线性度放大器以及单端至差分转换器,不需要外部转换或额外的放大电路。MAX2055的内置衰减器提供23dB的衰减范围,精度为±0.2dB,可以实现动态增益调节或通道增益设定。设置在最大增益时,具有6dB的噪声系数,并且在所有增益设置下都具有+40dBm的输出三阶截点(OIP3)。1dB压缩点的最大输出功率是+24dBm,具有-76dBc的二次谐波(HD2)和-69dBc的三次谐波(HD3)。





