- 一种新型汽车防盗报警器设计方案
- 采用AT89S51单片机及无线收发模块
- 采用触摸报警的方式
引言
早期的电动车防盗器材主要是机械式的防盗锁,它主要是靠锁定车轮、车把来达到防盗的目的,但只防盗不报警。为了克服机械锁只防盗不报警的缺点,电子报警防盗器应运而生。它主要靠车体的振动触发声音和振动报警功能达到防盗的目的。但传统电子防盗报警器可靠性较差。只是车辆本身发出报警声,车主有时无法听到。因此我们需要一种新型防盗报警器使他们可以在第一时间得到消息以便尽快采取措施制止偷盗案件发生,以有效保障个人财物安全。
1 设计总方案
本设计采用AT89S51单片机及无线收发??樽魑滦捅ň鞯目刂朴胄藕糯涞暮诵?,并配合编码译码芯片(SC2262\SC2272-M4)对信号进行编码译码。当按下手持??仄鞯乃导?,串接于车锁回路的继电器断开,同时车载报警器处于防盗状态,在位移传感器的作用下当电动车受到微小震动时或有人体接近电动车电瓶时发出报警声音并同时以两路不同的信号向200 m~300 m之内??仄鞣⑺捅ň藕牛挂?仄鞯闹甘镜频懔粒鸲骱头涿鞴ぷ鞣⒊霰ň藕?。同时车载报警器发出报警声延时15秒后自动停止,并且复位到防盗状态。

解锁时按下手持??仄鞯慕馑翟乇ň鞔τ诜枪ぷ髯刺?,同时继电器吸合。
2 硬件电路的设计
2.1 手持??仄鞯缏?/strong>
手持??仄髟砣缤?所示。电路由发射和接收报警电路组成,发射电路由发射??閂1、编码芯片U1组成。U1即SC2262的1-8脚为三态地址编码,这里我们将SC2262的7脚接地,同样车载报警装置的接收电路的解码芯片SC2262也设置成7脚接地,否则不能解码;接收电路由接收??閂2和解码芯片U2即SC2272组成,这里我们将SC2272的1-8脚三态地址编码设置为1、2、7脚接地。对应的车载报警装置的发射电路也将三态地址编码设为l、2、7脚接地。报警电路由震动器J2,蜂呜器儿和D5、D6两个不同颜色的LED组成。电源分别有9 V和5 V。将9 V直接供给发射电路,再将9 V经7805降到5 V供给接收电路和报警电路。

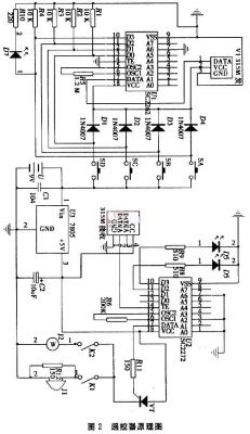
2.2 车载装置原理图
车载装置原理如图3所示。停车时按下SD键,车载接收??槭盏叫藕啪饴牒螅テ觳獾絇1.O端口有高电平,此时整个报警系统处于等待状态,同时扬声器发出一声短提示音。

当有人体触碰到触发端2(555的第二脚)引出的导线时,人体感应的杂波信号电压由C2加至555的触发端,使555的输出由低变成高电平,3脚转换为高电平输出驱动电流。同时。555第7脚内部截止,电源便通过R给C充电,当电容C1上电压上升至电源电压的2/3时,555第7脚导通使C1放电,使第3脚输出由高电平变回到低电平。3脚输出高点送到P1.4端口,经过单片机的处理分析后在P1.7端口输出音频信号使扬声器工作发出报警声,同时SC2262第ll脚得高点平,车载发射电路得电工作并向??仄鞣⑺捅ň藕拧R?仄鹘邮漳?槭盏叫藕攀淙?4脚进行解码,同时在11脚和17脚同时输出一高电平,D7闪烁同时VT导通,蜂鸣器和振动器工作发出报警提示。
按下??仄鞯腟A时高亮度LED发光在黑暗时可作照明使用,同时高电输入10脚编码后发送到车载接收??椤3翟亟邮漳?槭盏叫藕啪饴胄酒饴牒笤赟C2272的11脚输出一高电平送到单片机P1.1端口,经内部处理后,使扬声器发出提示声。
当按下SC时高电平输入ll脚,经编码芯片编码后发送到车载接收???。车载接收??槭盏叫藕藕笏腿氲テ?,经处理分析后使整个报警系统处于关闭状态。继电器K得电工作,电动车得电自启动。
2.3 电瓶防盗电路的设计
采用触摸报警的方式,就是以一个555集成电路为主的触摸报警延时电路,当有人体接触或接近触发端时,就会输出一个高电平使报警电路工作,而且触发端为一根导线,只要将其安放在电瓶外壳的把手上就可以了,安装方便且实用。
3 软件设计
主程序主要完成以下几项任务:(1)初始化。设定可编程芯片的工作方式,对内存中的工作参数区进行初始化。(2)在有键入操作时读取键值,并跳转到相应功能的子程序中去。(3)子程序执行完毕返回主循环,等待下一次键入。

4 结束语
本设计经过测试可以实现以下功能:
(1)报警信号可采用无线方式传输给车主,隐蔽、安全,并加大了监控范围。
(2)报警信号可选择振动或蜂鸣方式,更加人性化,方便用户的使用。
(3)车辆、电池被盗时,以双路传输报警信号,操作简单,稳定可靠,在200 m~300 m范围内,都可接收到报警信号,智能化大大提高。





