- 模拟电路故障诊断
- 检测电路地回路
- 监测电路电源波动
- 用直方图发现隐蔽干扰
检测地回路
现代的电子产品往往将小信号模拟电路、数字电路和功率电路紧密地整合在一块PCB上,电路布局不仅要满足电路性能要求,还受结构设计的约束,同时要符合EMC规范,这些都给地回路的布置带来了很大的挑战。在多重约束的限制下,设计阶段PCB地回路布线会存在不确定的因素,需要在测试阶段检验。
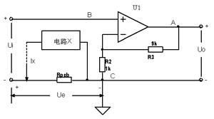
以图1所示电路为例,U1、R3、R2组成同相放大器,设计期望该放大器能够将输入信号Ui放大10倍,Uo是放大器的输出电压。由于PCB布局布线受到约束,Ui的“-”输入端子跟电阻R2的C端之间有一段导线Rpcb。而PCB上可能存在“电路X”引入地回流Ix流过导线电阻Rpcb。受“电路X”地回流Ix的影响,导线Rpcb两端会有电压差Ue,为了确定Ue对被测信号的影响,需要测量Ue的大小。

图1包含地回流干扰的同相放大电路
对精密电路而言,即使Ue只有μV量级,也会对电路产生巨大的影响。DM3068数字万用表直流电压的最小读数分辨率可达0.1μV,而且测量端子跟机壳地隔离,不会引入额外的直流电流地回路,适合于测量地回路引起的μV量级直流误差。
测量弱电压信号需要注意热电势、共模干扰、电磁感应等误差源,这些误差一般在10μV的量级,会严重干扰小信号测量。使用同材质的、双绞或带屏蔽的测试电缆可以减小热电势和电磁感应的误差。测量Ue前可以先判别这些误差源引入的总误差的大小,使用万用表的“相对”运算排除固定误差的干扰,然后再测量Ue就可以得到比较准确的结果。
先将万用表的两个表笔同时连接图1中的端子C端,这时万用表的读数是由热电势、共模干扰、电磁感应的误差源引起的,观察其变化情况。如果读数在一个小范围内波动,则认为是固定误差。按下万用表“相对”菜单键,万用表会记录当前读数值,并在以后的每个测量结果中减去该读数值再显示,这样就可以排除固定误差的干扰。然后再测量端子C和Ui的“-”端之间的电压差,读数即为排除固定误差干扰后的Ue值,可以比较准确地反映真实Ue的大小。
监测电源波动
如果将一个电路??榈背珊诤?,那么它至少会有一个输入端口——电源。在电路故障诊断中,电源端口经常被遗忘或者被低估,以至于有些问题被定性为“灵异事件”。
假定黑盒内部的电路和信号输入均正常,如果黑盒的输出仍然有问题,这时就应该重点排查电源输入。常用的电源检测仪器有示波器、频谱仪和数字万用表,它们能够覆盖的测量范围不同(如图2所示),应该综合运用这些仪器来全面观察电源信号,避免测试盲区。

图2不同仪器的典型测试范围[page]
一般认为万用表属于直流仪器,示波器属于时域仪器而频谱仪是频域仪器,但是这种界限正在被打破。新一代的万用表已经引入了时域测量功能,下面以RIGOLDM3068数字万用表的数据绘图功能来介绍万用表如何覆盖示波器和频谱仪的电源测试盲区。
图3是用示波器测得的某个模数混合电路的模拟部分电源电压波形,由于示波器的带宽很大,波形中大部分是数字电路引入的宽带开关噪声,幅度为8.4mVpp。一般情况下,8.4mVpp电源纹波和噪声符合人们的“心理期望”,因而就认为电源没有问题(电源影响被低估)。

图3示波器测试结果
图4是用DM3068的数据绘图功能重新测试该电源电压得到的电源波形,图形左侧是历史数据的波形,图形右侧是实时波形。从实时波形中可以清楚地看到幅度约为4.4mVpp的正弦纹波,进一步推算可以得出正弦波频率约为50Hz。能量如此强的50Hz信号会给精密电路带来很大的干扰。

图4万用表测试结果
频谱仪受频率测量范围和频率分辨率的限制,很难发现这个50Hz电源干扰。DM3068在低频时域测量中的高速、高精度、低噪声和高频抑制力强等特点正好弥补了示波器和频谱仪的不足,有助于揭示“灵异事件”的真相。
用直方图发现隐蔽干扰
当信号/干扰极微弱,并淹没在电路自身的噪声中时,借助直方图统计分析方法可以将其暴露出来。
DM3068具备实时直方图统计功能,结合低噪声和大动态范围的特性,有助于测试微弱信号和干扰。
图5是使用直方图观测被本底噪声淹没的信号的实例。图左侧是电路本底噪声的时域波形(下方,垂直方向是时间轴方向。下同。)及其直方图,该噪声基本符合高斯分布,认为是白噪声。图右侧是电路加入一个3μVpp左右的脉冲方波后的测试结果。对比时域波形,右侧信号波形跟左侧白噪声波形很相像,电压平均值也相接近,不能直观地判定两种波形的区别。但是对比两者的直方图可以明显发现两种信号的区别,而且通过右侧直方图可以推断加入的信号有低电平分量,且该低电平分量出现概率不大,近似于占空比很小的负脉冲。

图5直方图发现淹没的信号




