- 变频器中电路的EMC方案设计
- 电源电路设计中抗干扰措施
- 线路旁路和去耦
- PCB接地
- 走线抗串扰
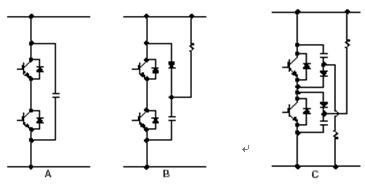
1主回路吸收电路与di/dt抑制电路
整流电路在输入侧要接抗雷击过电压或操作过电压吸收电路,这种吸收电路由星形连接的高频、高压电容器(如470p/2Kv)和压敏电阻(如20k/1Kv)组成,具体电路见图1中R1、R2、R3和C1、C2、C3。逆变器部分在高频开关状态时,产生电压尖脉冲,如果不加以处理将损坏IGBT模块、干扰驱动电路。采用吸收电路可以抑制电压尖脉冲,当前变频器中常用的吸收电路有三种形式,如图2所示,根据所用开关器件和功率等级来选择使用。

图2IGBT常用吸收电路
2控制及驱动电路的电路板EMC设计

a)缩短高频走线布局图 b)数字与模拟电路分开线布局图
图3两种参考布局图
在整个PCB中,布线过程限定最高、技巧最细、工作量最大,布线不当会产生严重的电磁干扰。以变频器控制电路为例,布线中应遵循如下基本原则:电路板尽量采用四层板;印制导线的布设应尽可能短,拐弯成圆角;印制导线宽度最小不宜小于0.2mm,间距一般可取0.3mm,公共地线应尽可能的粗;布线顺序应遵循先布高频线(如PWM信号线)、干扰线(如晶振走线),后布普通线;数字区与模拟区尽可能隔离,并且数字地与模拟地要分离;多层线路板的电源和地线是由不蚀刻的铜箔板形成,这种大的接地平面形成了极低的电源阻抗。因此多层板的优点在于对公共耦合阻抗不太敏感,且提供了屏蔽。下图4给出四层板布线示意图。

图4四层板布线实例
[page]
旁路和去耦
旁路和去耦可防止能量从一个电路传到另一个电路,近而提高配电系统的质量。通过合理布置去耦电容可以为器件提供局部化的DC电源,减少跨板浪涌电流以及进入到电路板的高频能量。通过增加旁路电容产生AC通路来消除无意义能量进入敏感部分,另外还可以提供带宽受限滤波。

图5去耦电容模型及安装图
上图5a)给出了去耦电容的实际等效电路,b)给出了正确安装方法(右图)和错误安装方法(左图)的对照??梢缘弥ヱ畹缛菀呔】赡芏滩拍芗跣〖纳问?、达到很好的去耦效果。
PCB接地
接地是使不希望的噪声干扰极小化并对电路进行划分的一个重要方法。适当应用PCB的接地方法及电缆屏蔽将避免许多噪声问题。设计变频器时,在设计期间考虑接地是最经济的,不仅从PCB,而且能从系统的角度防止辐射和进行敏感度防护,具体考虑如下几方面:
●对PCB系统分区时,使高带宽的噪声电路与低频电路分开;
●设计PCB时,使干扰电流不通过公共的接地回路影响其它电路;
●仔细选择接地点以使环路电流、接地阻抗及电路的转移阻抗最小;
●把非常敏感(低噪声容限)的电路连接到稳定的接地参考源上;
变频器系统设计中,按照安全地、数字信号地、模拟信号地来考虑。安全地采用黄绿相间标识的铜线或铜排将变频器内的导电部分连接到接地端子,主要防止故障情况下系统带电威胁人体安全。信号地是一个低阻抗的路径,信号电流经此路径返回其源。对于变频器系统中所应用的高速数字信号电路,优先采用多点接地(即多个低阻抗路径并联),目的在于建立一个统一电位共模参考系统。


图6单点接地对照图
C点电位:
V=I3R3+(I2+I3)R2+(I1+I2+I3)R1
可见串联接地容易引起干扰。对于模拟电路,具有工作与低频状态、灵敏度高的特点,采用单点接地(即接地路线与单独一个参考点相连,图6给出了正确与错误单点接地方式对照)可防止来自其它噪声元件(如数字逻辑器件、电源、继电器、电动机)的大接地电流争用敏感的模拟地线。同时系统采用光耦将数字地与模拟地隔离,抑制地点平摆动带来的影响;采用铁氧体垫片来防止寄生电容形成接地环路。在实际设计中应注意采用多点接地时的谐振问题,在每个电源与接地之间的地连接中应使用高质量的去耦电容。
抗串扰
串扰是指走线、导线、电缆束、元件及任意其它易受电磁场干扰的电子元件之间的不希望有的电磁耦合,是由网络中的电压和电流产生的。对于控制板上的数据线、地址线、控制线、和I/O都会受到串扰的影响,大多数问题来自时钟和周期信号。通过增加走线间距离(必须是单一走线宽度的三倍),可使走线间的耦合最小,这一原则主要针对产生影响的高干扰信号。
3电源电路设计中抗干扰措施
当前变频器电源大多采用开关电源来实现,具有体积小、工作电压范围宽、功率密度大、损耗小、带载能力强的特点。但是采用高频开关管、二极管、变压器等带来的大di/dt干扰问题值得慎重考虑。变频器系统开关电源输入侧取电的方法目前有两种:一种是直接从直流母线上??;另一种是采用独立的220v整流电源提供,两种方法各有其优点及应用范围。

图7直接从直流母线取电开关电源抗干扰设计示意图
第一种方法的抗干扰设计考虑如图7所示,图中的高频电容C1用来吸收高频脉冲,二极管D2用来抑制线路寄生电感与电容C1振荡。

图8220V独立供电开关电源抗干扰设计示
第二种方法的抗干扰设计考虑如图8所示,图中在交流输入通道上设计线路滤波器对系统抗干扰具有很好的作用。其中CX为差模滤波电容(又称X电容)跨接在输入端之间,对差模电流起旁路作用,容值一般为0.1—1uF.LY为共模电感,用来抑制共模干扰电流。CY为共模电容(又称Y电容),跨接在线路与机壳之间,对共模电流起旁路作用,但电容值不能过大,否则会超过安全标准中对漏电流的限制要求,一般在10000PF以下。






