- 霍尔元件工作原理
- 霍尔元件供电方案
- 材料性质与霍尔系数乘以电子移动度之积之平方根成正比
- 材料之形状与厚度之平方根之倒数成正比
霍尔元件之作用原理也就是霍尔效应,所谓霍耳效应如图1所示,系指将电流I通至一物质,并对与电流成正角之方向施加磁场B时,在电流与磁场两者之直角方向所产生的电位差V之现象。此电压是在下列情况下所产生的,有磁场B时,由于弗莱铭(Fleming)左手定则,使洛仁子力(即可使流过物质中之电子或正孔向箭头符号所示之方向弯曲的力量:(Lorentzforce)发生作用,而将电子或正孔挤向固定输出端子之一面时所产生。电位差V之大小通常决定于洛仁子力与藉所发生之电位差而将电
子或正孔推回之力(亦即前者之力等于后者之力),而且与电流I乘以磁场B之积成比例。比例常数为决定于物质之霍耳常数除以物质在磁场方向之厚度所得之值。

图1霍尔组件之原理
在平板半导体介质中,电子移动(有电?。┑姆较颍虼帕Φ淖饔茫ㄓ写懦。?,而改变电子行进的方向。若电场与磁场互相垂直时,其传导的载子(电子或电洞),将集中于平板的上下两边,因而形成电位差存在的现象。该电位差即霍尔电压(霍尔电压)在实际的霍尔组件中,一般使用物质中之电流载子为电子的N型半导体材料。将一定之输入施加至霍尔组件时之输出电压,利用上述之关系予以分析时,可以获致下列的结论:
(1)材料性质与霍尔系数乘以电子移动度之积之平方根成正比。
(2)材料之形状与厚度之平方根之倒数成正比。
由于上述关系,实际的霍尔组件中,可将霍尔系数及电子移动度大的材料加工成薄的十字形予以制成。
图2系表示3~5端子之霍尔组件的使用方法,在三端子霍尔元件之输出可以产生输入端子电压之大致一半与输出信号电压之和的电压,而在四端子及五端子霍尔组件中,在原理上虽然可以免除输入端子电压的影响,但实际上即使在无磁场时,也有起因于组件形状之不平衡等因素之不平衡电压存在。

(a)3脚组件(b)4脚组件(c)5脚组件
图2霍尔组件使用方法
[page]
种类及接法
构造:
无铁心型
铁心型
测试用探针霍尔集成电路
接法:
三端子组件
四端子组件
五端子组件
用途
霍尔组件有下列三种用法:
(A)事先使一定电流流过霍尔组件,用以检出磁场或变换成磁场的其它物理量的方法。
(B)利用组件的电流、磁场及作为其变量的该两种量的乘法作用的方法。
(C)利用非相反性(即在一定磁场中,使与输入端子通以电流时所得的输出同方向的电流流过输出端子时,在输入端子会产生与最初的电压反方向的霍尔电压的现象)的方法。上述各种使用方法的具体例参照前述磁电变换组件的用途的项所述。在这些具体例中,有不少在组件的灵敏度及温度特性上,霍尔组件形成1匝(Turn)的线圈有妨碍而难以符合实用。但利用霍尔探针测定磁场因属于比较简便的用法,已经定型,另外例如无电刷马达(霍尔马达)开关等也逐渐进入实用的阶段,磁头的制造也有人尝试过。
霍尔元件供电

图3定电压驱动之一

图4定电压驱动之二

图5定电流驱动之一[page]

图6定电流驱动之二

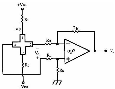
图7霍尔传感器不平衡调整方法
在一个结晶片中形成有霍尔组件及放大并控制其输出电压的电路而具有磁场─电气变换机能的固态组件称为霍尔集成电路。
外观构造
如图2-19所示,具有与树脂封闭型晶体管、集成电路等相同的构造,即多半呈现在大小5mm见方、厚3mm以下的角形或长方形板状组件上附设四根导线的构造。导线系由金属薄片所形成,各个金属薄片上均附有半导体结晶片(通常为硅芯片),而在结晶体中利用集成电路技术形成有霍尔组件及信号处理电路。为防止整个组件性能的劣化,通常利用树脂加以封闭,另外为了使磁场的施加容易起见,其厚度也尽量减薄。

图8霍尔集成电路的构造
作用原理
磁场强度可利用形成在结晶片的一部份的霍尔组件变换成电气信号(参照前述霍尔组件的作用原理)。结晶通常使用半导体硅,霍尔组件的磁场灵敏度为10~20mV/K.Oe。此信号经形成在同一结晶中的信号处理电路放大后,作为适合所定目的的信号电压被取出。通常四根导线中的两根连接于一方接地的电源,而从剩下的两根的一根取出正极性的信号电压,并从另一根取出负极性的信号电压?;舳榧氖淙氲缱柰ǔP璺闲藕糯淼缏返牡缭?,以便可利用定电压使用霍尔组件。此时组件的输出电压不管在N型或P型均无大差异。又因输出电压与电子或正孔的移动度成正比,故温度特性也应该尽量保持一定,这是与单体霍尔组件不同的地方。
种类:
依输出信号的性质加以分类时如表1所示。如图9所示,线性型(Lineartype)霍尔集成电路可以获得与磁场强度成正比的输出电压。磁场灵敏度虽然可利用电路的放大度加以调节,但在高灵敏度时,比例范围会变窄(虽电源5V使灵敏度达到10mV/Oe,但比例范围在500Oe以下)。

表1依输出电压分类时的种类

(a)线性型(b)开关型
图9霍尔集成电路的输出特性
[page]
开关型霍尔集成电路可在一定范围的磁场中获得ON-OFF的电压,此开关型对磁场的磁滞(Hysteresis)现象,乃是为使开关动作更为霍尔集成电路线性型确实起见而故意如此设计的。
依照制造方法加以分类时如表2所示,但任何一种制造方法虽然均可获得同样的特性,在现阶段中,双极性型霍尔集成电路已开始进入商品化的阶段。

表2依制造方法分类时的种类
用途
霍尔集成电路通常使用于前述磁电变换组件的项所述的(A-1)、(A-2)范围的用途,在这些用途的中,特别像开关那样,以磁气为媒介将位置的变化、速度、回转等的物理量变换为电气量时,使用起来非常简单。使用霍尔集成电路的开关系如图2-21所示,这种开关具有:(1)无震动(Chattering),(2)不生杂音,(3)使用寿命长,可靠度高,(4)响应速度快等特征,已经实际被使用作为高级的键盘用开关。

图10使用霍尔集成电路的开关
图11是A44E集成霍耳开关,A44E集成霍耳开关由稳压器A、霍耳电势发生器(即硅霍耳片)(mT)、差分放大器C、施密特触发器D和OC门输出E五个基本部分组成,如图12(a)所示。(1)、(2)、(3)代表集成霍耳开关的三个引出端点。在输入端输入电压VCC,经稳压器稳压后加在霍耳电势发生器的两端,根据霍耳效应原理,当霍耳片处在磁场中时,在垂直于磁场的方向通以电流,则与这二者相垂直的方向上将会产生霍耳电势差HV输出,该HV信号经放大器放大后送至施密特触发器整形,使其成为方波输送到OC门输出。
当施加的磁场达到工作点(即BOP)时,触发器输出高电压(相对于地电位),使三极管导通,此时OC门输出端输出低电压,通常称这种状态为开。当施加的磁场达到释放点(即BrP)时,触发器输出低电压,三极管截止,使OC门输出高电压,这种状态为关。这样两次电压变换,使霍耳开关完成了一次开关动作。BOP与BrP的差值一定,此差值BH=BOP-BrP称为磁滞,在此差值内,V0保持不变,因而使开关输出稳定可靠,这也就是集电成霍耳开关传感器优良特性之一。

图11A44E集成开关型霍耳传感器原理图

图12A44E集成开关型霍耳传感器引脚图

霍尔转速传感器应用电路




