桃花源qm花论坛(品茶),凤楼阁论坛官网入口网址,一品楼品凤楼论坛最新动态,风楼阁全国信息2024登录入口

你的位置:首页 > EMC安规 > 正文

穿越隔离栅供电:TI教你一个好方法!

发布时间:2020-12-08 来源:贸泽电子 责任编辑:wenwei

【导读】在电子系统中,经常需要在有较大电势差的高压系统和低压电路之间建立可靠的隔离,以阻止两个域不同部件之间的异常直流和交流电流,?;と松戆踩馐艿缁骰蛘呒跎偕璞冈馐芩鸹档姆缦?。按照安全要求的等级,隔离可被分为功能隔离、基本隔离、双隔离和增强隔离。
 
不过,隔离并不等于“隔绝”,在彼此隔离的两个系统域之间还是需要进行信号和/或电源的传输的,因此在确保符合隔离安规要求的同时,建立这种传输“通道”就是电子设计工程师经常要面对的功课了。
 
隔离DC-DC方案的选型
 
在电源设计方面,从隔离栅一侧向另一侧提供偏置电源,为相关的电路和设备(如电流和电压传感器、数字隔离器和栅极驱动器)供电,对于电源工程师来说,不是一个新挑战。经过多年的技术积淀,大家已经找到了不少“穿越隔离栅供电”的有效方法,归纳起来,有以下常见的几类:
 
反激式转换器
 
反激式转换器,广泛应用于直流直流转换,并在输入级和输出级之间提供绝缘隔离,是开关电源的一种。反激转换器的拓扑需要一个初级开关、一个整流器和一个类似变压器的耦合电感器,能在一个转换级内实现调节和隔离,还可灵活地实现多个输出,应用时可通过选择输出绕组数量,通过在变压器上缠绕线圈来匹配所选的配置。与其他的拓扑相比,这种电源转换器具有灵活性和低成本的特点。反激式转换器主要的设计挑战在于如何让变压器实现良好耦合,减少漏感,以及限制初级侧与次级侧间的寄生电容,有效防止电磁干扰(EMI)。
 
穿越隔离栅供电:TI教你一个好方法!
图1:反激式转换器(图源:TI)
 
Fly-Buck™转换器
 
这是Texas Instruments(TI)为隔离式偏置电源专门打造的一个专用拓扑,其工作输入电压可高达100V。此拓扑采用同步降压转换器与耦合电感器,可产生一个或多个隔离式输出。由于反馈环路可在初级输出电压处闭合,因此该转换器无需附加的辅助绕组或光耦合器进行控制,耦合电感结构灵活,可根据应用需要灵活控制匝数比、隔离等级、次级绕组数和PWM占空比等。不过,Fly-Buck™转换器与反激式转换器相类似,在应用时也需要工程师在耦合电感器设计、控制漏感和初次级间的寄生电容、减少EMI上下功夫。
 
穿越隔离栅供电:TI教你一个好方法!
图2:Fly-Buck™转换器(图源:TI)
 
推挽式转换器
 
这是一种适用于低噪声、小型隔离式电源的常用解决方案,由具有严格电压调节功能的输入轨供电,开环运行,固定占空比50%。其优势在于:具有支持多路输出的灵活性;开环配置省去了反馈环路,简化了设计;具有较低的初级-次级电容,能降低共模噪声;能更有效地利用变压器铁芯的磁化电流,与反激式和Fly-Buck™转换器相比,系统空间可以更为紧凑。不过推挽转换器也有自身的弱点,如:不支持宽输入电压范围,因此需要严格调节输入电压;以及由于没有闭合环路,不容易满足输出电压反馈调节的要求,可能需要后置LDO。
 
穿越隔离栅供电:TI教你一个好方法!
图3:推挽式转换器(图源:TI)
 
电源模块
 
为了适应系统小型化的设计趋势,人们还设计出了隔离DC-DC电源模块,通过将控制器、整流器,甚至是变压器集成在一个封装中,电压??榫哂忻飨缘募啥扔攀?。使用电源??樽錾杓疲话阄扌韫娑?、设计或选择变压器,因此大大简化了设计过程,只需加入输入和输出去耦电容器即可;而且经过多年的发展,电源模块产品组合也非常丰富,可以满足多种应用所需。不过与上文提及的其他方案相比,由于电源模块在输出数量配置等方面相对固定,灵活性可能会有所降低。
 
穿越隔离栅供电:TI教你一个好方法!
图4:电源??椋ㄍ荚矗篢I)
 
可以说,各种隔离偏置电源解决方案各具特点,在应用时需要根据隔离等级、输入电压、输出电压、输出功率、环境工作温度范围、抗电磁干扰(EMI)特性能等方面做综合的考量,做出合理的选择。
 
穿越隔离栅供电:TI教你一个好方法!
表1:不同隔离DC-DC偏置电源方案的比较
(图源:TI)
 
如果从输出功率等级这个角度入手,可以将隔离DC-DC偏置电源分为不同的级别,以方便我们去做针对性的技术决策:
 
●    功率低于2W:适合使用全集成的电源??榉桨福涫褂眉虻?,且节省面积。
●    功率2W至10W:一般采用“半集成的转化器+片外变压器”的方案——包括反激式、Fly-Buck™或推挽式变压器拓扑——其不需要光耦,静态电流低,系统效率高。
●    功率大于10W:推荐使用外置开关管和变压器,配合控制器的方案,以满足功率和效率等方面的要求。
 
在以上每个细分的应用领域,都会有更为具体的设计痛点,这也为元器件厂商提供了创新和形成差异化优势的空间。比如今天我们就会为大家介绍TI 最新推出的一款应用于2W以下、内置集成磁变压器的方案,且听我们慢慢道来。
 
低功耗隔离DC-DC设计的考量
 
当我们聚焦在小于2W的低功耗隔离DC-DC偏置电压这个细分场景时,首先就要对目前主流的技术方案进行一个梳理。
 
在小于500kHz的应用中,是可以采用分立器件方案的(如采用反激式或推挽式拓扑),但是由于变压器、控制器、整流器等都是独立外置的,系统的占板空间太大,因此现在大多数设计都会采用集成度更高的电源模块,传统的电源??樵诠β拭芏壬嫌敕至⑵骷桨赶啾?,可以提升约2.5倍。
 
但是传统电源??榈牡木窒扌砸埠苊飨?。由于封装材料的限制,传统电源??榈墓ぷ魑露纫话阍?5℃,最高不过105℃;另外受限于变压器绕组的漆膜,在同样隔离要求下很难进一步压缩器件的体积;有时为了通过EMI测试,还需要加上LC滤波器,会增加系统的复杂度和成本……
 
作为对传统电源??榈?ldquo;升级”,有厂商推出了集成Air Core(空气磁芯)变压器的产品。这种特殊的变压器结构使其整体的封装尺寸与传统电源??橄啾让飨约跣。苁屎嫌?0MHz以上(通常60-180MHz)的高频应用。但Air core器件效率比较低,只有30-50%,同时由于空气磁芯的设计,会带来更多的EMI问题。
 
现有产品和方案的短板,恰恰为后来者提供了“做文章”的题材,也就是创新的着眼点。TI 新推出的UCC12050隔离式DC-DC转换器。设计用于为需要具有良好稳压输出电压的偏置电源的隔离电路提供高效隔离电源,采用了集成磁芯变压器的专有架构,平衡了效率和功率密度等方面的要求,面向7-10MHz这个工作频率范围,支持4.5V至5.5V的输入电压,提供5.0V,5.4V,3.3V或3.7V稳压输出、500mW的输出功率,同时在隔离性能、外形尺寸、工作温度、电磁兼容等方面进行了全面的优化,为用户提供了一个理想的隔离DC-DC解决方案。
 
穿越隔离栅供电:TI教你一个好方法!
图5:UCC12050在小于2W低功耗隔离DC-DC
电源领域的定位(图源:TI)
 
UCC12050方案解析
 
其实,细心的读者可能已经发现,我们在表1中已经对UCC12050这款新品与其他解决方案拓扑进行了比较,具体来讲,UCC12050的过人之处体现在以下几个方面:
 
01 采用了全集成方案,尺寸更小、功率密度更高
 
UCC12050采用16引脚小外形集成电路(SOIC)封装,尺寸为10.3mm × 10.3mm × 2.65mm,功率密度是传统隔离电源??榈牧奖?。这种高集成度也显著简化了BOM,让设计方案更容易通过相关的产品认证。
 
穿越隔离栅供电:TI教你一个好方法!
图6:UCC12050在紧凑的外形中实现了
更高的功率密度(图源:TI)
 
02 增强型隔离,宽温度范围,提升了可靠性
 
UCC12050具有5kVRMS增强隔离,带有8mm爬电距离和电气间隙,可?;ず偷挚沟氐缥徊?。该产品还具有-40°C至125°C极宽的工作温度范围,可在极端条件下应用,这与传统电源模块有限的工作温度范围相比无疑是个很大的突破。
 
03 提供60%的效率,是同尺寸竞品的两倍
 
与Air core架构的电源模块相比,UCC12050可以实现60%的效率,几乎是竞品的2倍。由此也使得产品工作时的散热特性更为优秀,从下图中就可见一斑。
 
穿越隔离栅供电:TI教你一个好方法!
图7:UCC12050的高密度提供了更佳的散热特性
(图源:TI)
 
04 创新的架构,实现更低的EMI
 
UCC12050集成磁性变压器的独特设计,使其具有更低的初级到次级的寄生电容,优化了EMI性能,并且其噪音控制方案使得工程师更容易让他们的设计通过国际无线电干扰特别委员会(CISPR)32 B级电磁干扰测试。磁性变压器相比于Air core产品也更有利于EMI的治理。在使用其他电源??槭保寺鉋MI认证,会在外部添加如低压差稳压器(LDO)和铁氧体磁珠等滤波器组件,而UCC12050出色的EMI特性完全可以省掉这些额外的元器件,大大减少系统成本和设计时间。
 
穿越隔离栅供电:TI教你一个好方法!
图8:UCC12050与Air core产品相比,
具有更低的EMI(图源:TI)
 
特别值得一提的是,在推出UCC12050的同时,TI还发布了一款满足3kVRMS基本型隔离等级要求的姊妹产品UCC12040,它对于电机驱动、智能电表、楼宇自动化等不需要人员与设备直接接触等应用场景更为适合,两个产品一同联手,可以覆盖相当广阔的应用市场。
 
穿越隔离栅供电:TI教你一个好方法!
图9:UCC12050与UCC12040的隔离特性
和应用场景(图源:TI)
 
新方案的典型应用
 
凭借可靠隔离、优化的EMI特性、小型化、高效率等特性,UCC12050会在很多应用中找到自己的立足点。
 
比如在智能电网中,电量监测设备从检测端到控制端需要隔离,同时又需要为检测端的电路提供偏置电源。UCC12050优秀的EMI特性对检测信号影响小,内部集成磁变压器的架构又减少了系统体积,同时又能够提供足够的隔离安全性、必要的?;すδ埽约熬返牡缪箍刂坪统錾乃蔡煊?,自然是理想之选。
 
穿越隔离栅供电:TI教你一个好方法!
图10:UCC12050在智能电网中的应用
(图源:TI)
 
UCC12050的另一个用例是在电动汽车电池管理方面。电动汽车高压电池在高于60V的情况下,需要检测漏电流和对地电阻,这就要求能够为这些检测电路和ADC电路供电。UCC12050低EMI、小体积、简单易用的特性恰好可以满足相关的设计需求。
 
穿越隔离栅供电:TI教你一个好方法!
图11:UCC12050在电动汽车电池管理中的应用
(图源:TI)
 
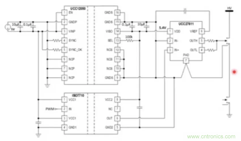
另外在目前日渐火爆的GaN的应用中,UCC12050也可以担负起为栅极驱动和数字隔离芯片供电的职责。其可以提供5V和5.4V的稳定驱动电压输出,同时更小的寄生电容在高速高频应用中也是一个优势。
 
穿越隔离栅供电:TI教你一个好方法!
图12:UCC12050支持GaN器件的应用
(图源:TI)
 
总之,隔离的应用场景各异,因此对于“穿越隔离栅供电”的需求也就各不相同,TI在小于2W输出功率的应用领域,巧妙地找到了一个市场切入点,并基于自身独特的技术进行了优化设计,为大家奉上了UCC12050/UCC12040这样优秀的解决方案。对于电源工程师来说,这个妙招儿可以让开发工作事半功倍,赶快收入囊中吧!
 
 
推荐阅读:
 
不只有电源IC,安森美还承包了全球80%的汽车ADAS传感器
带通和带阻滤波器分析
贸泽将携手Silicon Labs举办低功耗蓝牙产品设计在线研讨会
安森美的汽车半导体方案使汽车更智能、安全、环保和节能
贸泽携手Bourns推出全新电子书,带你一起探索高性能电源转换元件
要采购变压器么,点这里了解一下价格!
特别推荐
技术文章更多>>
技术白皮书下载更多>>
热门搜索

关闭

?

关闭