【导读】RS-485接口往往需要工作在恶劣的电磁环境下,还要求实现长距离数据传输(可以达到1200米)、高速(可以达到几十Mbps)。那么在设计方面需要注意一些什么呢?本文主要介绍RS-485的工作模式,以及RS-485可能面对的EMI电磁干扰以及对应的解决方案。
详解RS-485工作原理
以差分传输来应对共模干扰
当RS-485芯片接受到差分电压大于200mV时,RO脚输出低电平,而本身DI可以输出1.5V的差分电压。因此有足够的余量来支持长距离传输以及各种环境噪声的干扰。

图1:RS-485芯片工作原理
为了消除在通信电缆中的信号反射,一般使用双绞线来避免干扰。对于比较长的连接,一般的做法是在RS-485总线的开始和末端都并接终端电阻,因为大多数双绞线电缆特性阻抗大约在120Ω左右。
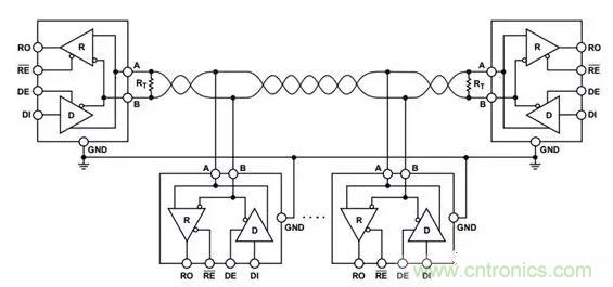
RS-485的工作模式
以ADI的ADM3061EARZ为例,半工RS-485连接支持多个接收器和发射器在同一个信号回路上,但是要保证每次只有一个发射器工作。这个可以通过控制RE(收器使能)、DE(发射器使能引脚)来实现。半工RS-485可以双向数据传输,但是每一个时间节点上只能一个方向传输信号。

图2:RS-485收发器的工作模式
了解更多RS485收发器信息,请点击Digi-Key RS485收发器。
RS-485如何连接
为了避免信号反射,在多个RS-485连接时,支路长度(StubLength)越短越好。同时要避免其他类型的连接,比如星型连接。
注:理论上支路长度应该小于1/4波长(传输频率对应的波长),实际应用上越小越好。

图3:RS-485的正确连接
最大可以接多少个节点由RS-485接收器的输入阻抗来决定,标准RS-485接收器输入阻抗大于12K欧姆,最多可以驱动32个负载。输入电阻越大,驱动的负载越多。比如ADM3061EARZ输入阻抗48K欧姆,最多可以驱动128个负载。

图4:RS-485接收器的输入阻抗和负载数量
RS-485面临的EMC电磁干扰风险
对于RS-485的EMC电磁干扰需要考虑下面三种情况的静电防护:
“静电”防护ESD:
干扰成因:静电引起的干扰
干扰路径:手指触碰
对应标准:IEC 61000-4-2
典型干扰波形:接触放电±8 kV ,ESD脉冲4mJ ,ESD波形(接触放电8kV)

图5:静电干扰典型干扰波形
“电快速瞬变脉冲群” 防护EFT
干扰成因:快速开关引起的干扰,比如:切断感性负载、继电器触点弹跳等
干扰路径:高频噪声通过各种路径耦合到通信端口
对应标准:IEC 61000-4-4
典型干扰波形:端口电压2kV,单个EFT脉冲能量4mJ ,EFT 50Ω负载波形2kV

图6:电快速瞬变脉冲群典型干扰波形
“浪涌”防护Surge
干扰成因:开关或雷电瞬变引起的干扰
干扰路径:各种路径耦合到通信端口
对应标准:IEC 61000-4-5
典型干扰波形:浪涌脉冲能量可以达到90J,浪涌1.2/50µs波形

图7:浪涌电压典型干扰波形
RS485的EMC电磁干扰解决方案
TVS管?;?/div>
如何连接:TVS管连接需要保护的线路与地,提供过压保护。
如何工作:当产生大于TVS的击穿电压的瞬态电压时,TVS电阻变小,能量从TVS管流到地(<1 ns)。在瞬态事件后,TVS管自动复位至低阻抗状态,允许系统恢复正常工作

图8:TVS?;さ缏?/div>
TVS管非对称击穿电压:RS485芯片需要保障在+12V至–7V的收发器共模范围。因此对于TVS管的要求也是非对称击穿电压。比如CDSOT23-SM712独有特性是具有+13.3V和–7.5V的非对称击穿电压。
如果需要了解更多非对称TVS管信息,请点击Digi-Key 非对称TVS管选择, 可以根据参数选型,选择「12V(最大), 7V(最小)」项,查找针对RS485设计的TVS管。

图9:选择针对RS485设计的TVS
TVS管对于EFT和ESD有着比较好?;ぁ6擞康哪芰科骄叱鯡SD和EFT三到四个数量级, 但是TVS管可能不一定能很好的瓦解浪涌的能量,这时则需要更复杂的?;し桨?。
瞬态闭锁单元(TBU)
如何连接:TBU串联在需要?;さ南呗分校峁┕鞅;ぃ隩VS管配合使用。
如何工作:当发生过流,TVS由于瞬态电压工作在击穿状态,TBU阻值变大,电流将升至预设的限流水平。此时,TBU会在不足1µs时间内将受?;さ缏酚肜擞慷峡挥屑〉牡缌魍ü鼙;さ缏?(<1mA)。在瞬态事件后,TBU自动复位至低阻抗状态,允许系统恢复正常工作。典型的TBU,比如Bourns 的TBU-CA065-200-WH。

图10:TBU?;さ缏?/div>
浪涌抑制专用芯片
一个器件提供的保护往往有限,所以对于高要求的应用,往往需要多种器件联合使用。
你可以访问Digi-Key浪涌抑制IC,选择相关的器件。Digi-Key网站提供丰富的参数选项供选择,下图中「外部开关」指的是器件外部需要另加开关(比如MOS管),而该芯片一般是起到控制作用。而「内部开关」指的是保护电路的开关在芯片的内部。

图11:浪涌抑制专用芯片选型参数
本文小结
尽管已使用多年,RS-485凭借良好的共模噪声的抗干扰的能力,适于长距离信号传输,仍广泛应用于工业环境。
来源:得捷电子 作者:Alan Yang
特别推荐
- 强强联手!贸泽电子携手ATI,为自动化产线注入核心部件
- 瞄准精准医疗,Nordic新型芯片让可穿戴医疗设备设计更自由
- 信号切换全能手:Pickering 125系列提供了从直流到射频的完整舌簧继电器解决方案
- 射频供电新突破:Flex发布两款高效DC/DC转换器,专攻微波与通信应用
- 电源架构革新:多通道PMIC并联实现大电流输出的设计秘籍
技术文章更多>>
- 瑞典Ionautics新一代HiPIMS设备HiPSTER 25落地瑞士Swiss PVD
- CITE 2026:以科创之钥,启电子信息新局
- 迈来芯单线圈驱动芯片:二十载深耕,实现无代码开发与高能效双突破
- 工业智能化利器:树莓派的多元应用与优势
- 电容选型核心指南:特性、误区与工程实践
技术白皮书下载更多>>
- 车规与基于V2X的车辆协同主动避撞技术展望
- 数字隔离助力新能源汽车安全隔离的新挑战
- 车用连接器的安全创新应用
- Melexis Actuators Business Unit
- Position / Current Sensors - Triaxis Hall
热门搜索
浪涌保护器
雷度电子
锂电池
利尔达
连接器
流量单位
漏电?;て?/a>
滤波电感
滤波器
路由器设置
铝电解电容
铝壳电阻
逻辑IC
马达控制
麦克风
脉冲变压器
铆接设备
梦想电子
模拟锁相环
耐压测试仪
逆变器
逆导可控硅
镍镉电池
镍氢电池
纽扣电池
欧胜
耦合技术
排电阻
排母连接器
排针连接器
友情链接(QQ:317243736)
我爱方案网 ICGOO元器件商城 创芯在线检测 芯片查询 天天IC网 电子产品世界 无线通信???/a> 控制工程网 电子开发网 电子技术应用 与非网 世纪电源网 21ic电子技术资料下载 电源网 电子发烧友网 中电网 中国工业电器网 连接器 矿山设备网 工博士 智慧农业 工业路由器 天工网 乾坤芯 电子元器件采购网 亚马逊KOL 聚合物锂电池 工业自动化设备 企业查询 工业路由器 元器件商城 连接器 USB中文网 今日招标网 塑料机械网 农业机械 中国IT产经新闻网 高低温试验箱
关闭
?
关闭



