中心议题:
- 反激变换器传导EMI产生机理
- 变压器中寄生电容的分布
- 变压器中共模传导EMI的产生机理
解决方案:
- 通过寄生电容的耦合产生在一次侧与二次侧之间流动的共模传导EMI电流
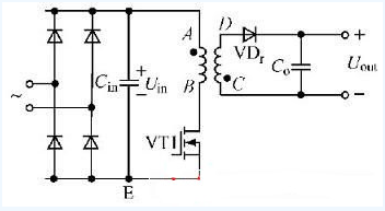
以反激式变换器为例,其主电路如图1所示。
开关管开通后,变压器一次侧电流逐渐增加,磁芯储能也随之增加。当开关管关断后,二次侧整流二极管导通,变压器储能被耦合到二次侧,给负载供电。

图1反激变换器
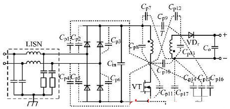
在开关电源中,输入整流后的电流为尖脉冲电流,开关开通和关断时变换器中电压、电流变化率很高,这些波形中含有丰富的高频谐波。另外,在主开关管开关过程和整流二极管反向恢复过程中,电路的寄生电感、电容会发生高频振荡,以上这些都是电磁干扰的来源。开关电源中存在大量的分布电容,这些分布电容给电磁干扰的传递提供了通路,如图2所示。图2中,LISN为线性阻抗稳定网络,用于线路传导干扰的测量。干扰信号通过导线、寄生电容等传递到变换器的输入、输出端,形成了传导干扰。变压器的各绕组之间也存在着大量的寄生电容,如图3所示。图3中,A、B、C、D4点与图1中标识的4点相对应。

图2反激式开关电源寄生电容典型的分布

图3变压器中寄生电容的分布
在图1所示的反激式开关电源中,变换器工作于连续模式时,开关管VT导通后,B点电位低于A点,一次绕组匝间电容便会充电,充电电流由A流向B;VT关断后,寄生电容反向充电,充电电流由B流向A。这样,变压器中便产生了差模传导EMI。同时,电源元器件与大地之间的电位差也会产生高频变化。由于元器件与大地、机壳之间存在着分布电容,便产生了在输入端与大地、机壳所构成回路之间流动的共模传导EMI电流。
[page]
具体到变压器中,一次绕组与二次绕组之间的电位差也会产生高频变化,通过寄生电容的耦合,从而产生了在一次侧与二次侧之间流动的共模传导EMI电流。交流等效回路及简化等效回路如图4所示。图4中:ZLISN为线性阻抗稳定网络的等效阻抗;CP为变压器一次绕组与二次绕组间的寄生电容;ZG为大地不同点间的等效阻抗;CSG为输出回路与地间的等效电容;Z为变压器以外回路的等效阻抗。

图4变压器中共模传导EMI的流通回路




