桃花源qm花论坛(品茶),凤楼阁论坛官网入口网址,一品楼品凤楼论坛最新动态,风楼阁全国信息2024登录入口

你的位置:首页 > EMC安规 > 正文

第一讲 最新电磁兼容抗干扰国家标准解读

发布时间:2012-02-10 来源:电子元件技术网

中心议题:
  • 静电放电抗扰度试验
  • 射频辐射电磁场抗扰度试验
  • 脉冲群抗扰度试验
  • 浪涌抗扰度试验
  • 电压暂降、短时中断和电压变化抗扰度试验

相关性阅读:
【第二讲】汽车电磁兼容标准与试验趋势

http://m.5r3h.cn/art/artinfo/id/80015669
【第三讲】 产品EMC设计技术平台与准则
http://m.5r3h.cn/art/artinfo/id/80016015

电子电气产品电磁兼容性指标合格与否,已成为市场准入或市场流通的必要条件,无论电子产品是出口还是内销,都必须通过产品的EMC测试认证。企业需要了解电磁兼容标准知识,按照标准进行电磁兼容测试和电子系统优化,才能生产出满足需求的产品。

本期大讲台分为三部分:第一部分解读最新的电磁兼容抗干扰国家标准,比较新老基础性抗干扰度标准的差异性,并给出标准执行中可能遇到问题的解决方法,帮助大家从容应对新产品标准的颁布。第二部分结合汽车EMC试验标准的实际案例,介绍汽车ESD试验、瞬态抗扰性试验、电压瞬变试验新旧版本的差异,教大家准确把握行业EMC试验标准的发展趋势。第三部分分享和解决系统电路设计中的常见EMC问题,帮助工程师合理制定整改方案和进行电子系统的优化,缩短EMC测试认证的过程。

目前电磁兼容抗干扰国家标准新旧版并存,不少企业对新旧版本差异以及如何理解这些差异不甚清楚,一旦新的产品标准颁布便会措手不及,甚至造成不可估量的损失。本文解读最新的电磁兼容抗干扰国家标准,从静电、射频辐射电磁场、脉冲群、浪涌和电压跌落五方面比较新老基础性抗干扰度标准的差异性,并给出标准执行中可能遇到问题的解决方法。

1 静电放电抗扰度试验
                          静电放电抗扰度试验
1.1不接地设备的试验方法
关于不接地设备的试验配置,新版标准与旧版标准的配置是相同的。关键是在单次放电时(无论是空气的,还是接触的),试品上的电荷应当在每次施加静电放电脉冲之前先行释放(释放掉在需要施加静电放电的金属点或金属部位上的电荷)。

可以采用的方法之一是,使用类似于水平耦合板和垂直耦合板上释放电荷的方法,即通过带有470K泻放电阻的电缆进行放电的方法。若功能允许,在静电放电试验时可以保留带泻放电阻的电缆安装。在放电电缆中,一个电阻要尽可能地靠近EUT上的试验点,最好小于20mm;另一个电阻接在电缆线的末端附近,与水平耦合板(对台式设备)或参考接地板(对地面设备)相连。详见以下两图。
  不接地设备的试验方法不接地设备的试验方法
对于因为带泻放电阻的电缆的存在,有可能会影响某些设备试验结果的话,则在试验期间可先卸掉电缆,再做试验。试验结束后,把电缆再装上去,以便在两次连续放电之间,让电荷有足够衰减。
作为替代,可采用下述方案:
  • 将两次连续放电之间的时间间隔增长,达到让试品上的电荷自然衰减到允许值索需的时间。
  • 在接地电缆上采用带泻放电阻(例如2*470KΩ)的碳纤维刷子。
  • 在试验环境里采用空气—离子发生器来加速试品的“自然”放电过程。在做空气放电实验时,离子发生器应关闭。
任何一种替代方法的使用都要反映在试验报告里。静电放电发生器电极应保持垂直于试品表面的位置。

1.2对试品的直接放电
对下述项目可简化放电试验: 
  • 只有在维护时才能触及的点和面。
  • 只有最终用户检修时才能触及的点和面。例如,在更换电池触及的电池触点,录音电话的磁带盒等等。
  • 对于在安装固定后,或者按说明使用后不再触及的点和面,例如,设备的底部以及靠墙壁的一侧,适配连接器的后面。
  • 同轴以及多芯连接器触点,由于它们都有一个金属的连接器外壳,在这种情况下,接触放电仅仅施加在连接器金属外壳上。
  • 对非导电外壳(如塑料)连接器中可接触到的触点,只是采用空气放电来做试验,应当在静电放电发生器上采用圆头的电极来做这个试验。
通常要考虑六种情况(根据连接器的外壳材料是金属的,还是非金属的,外壳表面有没有涂层,来决定采用空气放电还是接触放电,以及放电部位):
                通常要考虑六种情况
对于那些对静电放电敏感的连接器的触点或其他可触及部分,例如测量、接收或其他通信功能的射频出入端,由于功能的原因,应采用静电放电的警告标识。因为许多连接器端口是被用来处理模拟或数字的高频信号的,不能提供有足够过电压?;つ芰Φ钠骷?。[page]
1.3 对水平耦合板的放电
对水平耦合板的放电,要在水平方向来对水平耦合板的边进行。在朝对EUT每一个单元(若适用)的中心点,且与EUT前端相距0,1m处的水平耦合板前缘处,以最敏感的极性,至少做10次单次放电。放电时,放电电极的长轴要处在水平耦合板的平面里,且垂直于它的前缘,放电电极要与水平耦合板的边缘相接触。详见下图所示。另外,要考虑对EUT所有暴露面做这个试验。
           对水平耦合板的放电

2.1试验的严酷度等级

             试验的严酷度等级
在新版标准里对试验的严酷度等级分为一般试验等级和针对数字无线电话的射频辐射而设定的试验等级。其中一般试验等级与旧版标准没有什么不同。

至于?;ど璞傅挚故治尴叩缁吧淦捣涠瓒ǖ氖匝榈燃叮谙卤砀銎德史段?00MHz~960 MHz,及1.4GHz~2.0 GHz的优先试验等级。
    试验的严酷度等级

2.2试验场地的校准
校准试验场地的目的是为了确保试验样品周围的场是充分均匀的,以保证试验结果的有效性。在校准过程中不进行调制,以保证传感器指示正常。

在旧版标准中只讲到在新版标准中所谓的“恒定功率校准方法”。在新版标准中提到了两种校准方法,即:“恒定功率校准方法”和“恒定场强校准方法”,标准认为这两种方法的校准结果是等价的。

新版标准还规定采用未调制的载波分别对水平和垂直两种极化进行校准,校准场强为所施场强的1.8倍(这一要求在旧版标准中没有提到),以确保放大器能处理调制信号,且不致饱和。

3脉冲群抗扰度试验
           脉冲群抗扰度试验
下面给出新、老国标中不同的部分。

3.1脉冲群发生器的特性参数
由于当代脉冲群发生器无一例外都采用高压电子开关。这一改变,对提高脉冲群发生器工作的稳定性,及提高试验频率起到了关键作用。因此新一代脉冲群发生器与早期的脉冲群发生器的特性参数有了一些不同点,主要体现在以下两方面:
①给出了两种不同负载条件下(50Ω和1000Ω)的输出波形要求(发生器的输出阻抗仍为50Ω)
②脉冲重复频率去除了2.5kHz这一档。新标准不分试验的严酷度等级,统一取5kHz或100kHz作为试验脉冲的频率。详见下表。
           脉冲群发生器的特性参数[page]
从新标准对脉冲群发生器特性参数的要求和新标准中的脉冲重复频率和试验等级的关系可以看到:
① 新标准对脉冲的重复频率要求有了提高。原先第4级的2.5kHz频率没有了,代之以脉冲频率全部是5kHz或100kHz。
② 脉冲的重复频率提高并不会造成对受试设备注入能量的增加,注入受试设备的脉冲总量没变(仍为75个),只是单位时间内的脉冲密集度程度有了增加。
③ 考虑到国外专家对脉冲试验的故障机理解释为是干扰脉冲对线路结电容的充电,因此,脉冲频率越高,单位时间内的脉冲个数越多,对结电容的电荷积累也越快,越容易达到线路出错的阀限。故新标准把测试频率提高,其本质上是将试验的严酷程度有了提高。
另外,从表中可以看到,必须对发生器的性能进行校验,以便对所有参与做试验的试验发生器的性能建立一个共同依据。校验可采用下列步骤:
在试验发生器的输出端依次分别接入50Ω和1kΩ的同轴衰减器,并用示波器加以监测。其中50Ω是试验发生器的匹配负载;1kΩ试验负载则体验了发生器的一个复合负载。不同品牌的试验发生器只有在两种极端的负载条件下拥有相同特性,在能保证在实际的抗扰度试验中有相互可比的试验结果。

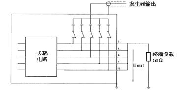
3.2耦合/去耦网络
新老标准的又一个不同点是,做电源线抗扰度试验时所用的耦合/去耦网络。老标准时对电源线逐根做共??谷哦仁匝椋恍卤曜荚蚨运械缭聪呗吠弊龉材?谷哦仁匝椤?br />
为了保证在交流/直流电源端口试验中使用的耦合/去耦网络性能合格,光有上述基本要求是不够的,还必须对耦合/去耦网络的共模输出波形进行校验。
校验时发生器的输出电压设置为4kV。发生器的输出接耦/去耦网络的输入;耦合/去耦网络的所有输出断路,并接一个单一的50Ω负载,记录峰值电压和波形。
            耦合/去耦网络
3.3实验室型式试验的配置
仔细观察老标准与新标准里的实验室试验配置图,最大的不同出现在图的左侧,关于台式设备的试验配置。
老标准中的试验配置
                                      老标准中的试验配置
新标准中的试验配置
                                      新标准中的试验配置

按照新标准的配置,无论是地面安装设备、台式设备、以及其他结构形式的设备,都将放置在一块参考接地板的上方。被试设备与参考接地板之间用0.1m±0.01m厚的绝缘支撑物隔开。由于配置方式相同,对地面设备和台式设备的实际严酷程度也是相同的,不存在哪一种配置方式更加容易通过的问题。

新标准规定,凡是安装在天花板上或是墙壁上的设备都按台式设备来做试验;试验发生器和耦合/去耦网络也直接放在参考接地板上,并与参考接地板保持低阻抗连接。

新标准规定,在耦合装置与被试设备之间的电源线和信号线长度为0.5m±0.05m(而不是老标准规定的≦1m)。新标准还规定与被试设备连接的所有电缆要放在离地高度为0.1m的绝缘支架上。

4浪涌抗扰度试验
               浪涌抗扰度试验
电源线耦合/去耦网络EUT端口的电压波形和电流波形的要求
新老标准的一个重要差异是新版标准提出了要在耦合/去耦网络的受试设备端口上来校验电压和电流波形(包括波形的前沿和半峰值持续时间)。

网络中的去耦电感由浪涌发生器的制造商选择,但是额定电流下,耦合/去耦网络在被试设备端口处的电源压降应小于10%。同时,去耦电感的值不应超过1.5mH.。

为了避免在耦合/去耦网络上有不希望发生的电压降落现象出现,当电流>25A时,耦合/去耦网络中的去耦元件的值要适当减小,因此,开路电压波形的半峰值时间允许按照表1和表2中所规定的参数进行变化:
         浪涌抗扰度试验
新版标准中表1和表2给出了波形变化的允许范围,这实际规范了不同品牌仪器在制作上的误差;同时也增加浪涌试验时试验结果的可比性和重复性。新版标准中的这些内容对仪器制造商和仪器的操作人员来说都是至关重要的,它增加了这个标准的可操作性。

4.2用在互连线试验上的耦合/去耦网络
用在互连线试验上的耦合/去耦网络
用在互连线试验上的耦合/去耦网络[page]
4.3 针对高速通信线路的耦合/去耦网络
由于结构的原因,大多数耦合/去耦网络在频率达到100kHz时使用时受到限制的,在这种情况下,将没有合适的耦合/去耦网络可供商业应用。为此,在新版标准里提出卸掉通信线(对于某些被试品,可考虑在数据或通信线卸掉的时候,在被试品的内部关断或松开通信端口),不经过耦合/去耦网络,而将浪涌直接加到通信端口上(在这个试验中,被试品的功能应当保持。如有可能,在整个试验期间,应考虑采取必要措施以保持数据或通信端口的有效性)。当浪涌试验结束后,在重新测试该端口的功能。

4.4 新版标准中增加了对金属接地参考平板的要求
新版标准提到了参考接地板的使用:对高频工作的情况(通常是采用气体放电管来进行耦合),以及随后用来对屏蔽线进行试验情况是必须要采用参考接地板的。另外,在正式安装使用时必须要连接参考地的被试品,它们在做浪涌试验时就一定要连接参考接地板。

4.5对于标准执行中可能遇到的几个问题

① 安装浪涌测试设备后实验室的跳闸问题
图示为电源线耦合/去耦网络,由于浪涌波的脉冲比较宽(含有的谐波成分比较低),浪涌波发生器的内阻又比较低,因此对浪涌波的去耦比较困难,标准上规定去耦电感为1.5mH(电流小于25A时),对去耦电容没有规定,仅指出残余电压小于所施电压的15%,通过这一要求来选择去耦电容,因此实际浪涌测试设备的共模和差模去耦电容都选得比较大,例如选用10μF/1000V,这样每一条线(火线)-地之间的泄漏电流(对于220V线路来说)要达到0.67A,远大于实验室漏电开关的动作电流(一般是30mA),所以浪涌设备引起实验室跳闸时必然的。
解决这一问题的办法:
(1)拆掉实验室的漏电开关。优点:简单、易行。缺点:安全性差。
(2)在浪涌设备的电源线耦合/去耦网络之前加装一台隔离变压器。优点:安全性好。缺点:代价较高,特别是当被试设备的容量较大时,为了匹配隔离变压器与负载的电流容量,应当选用容量较大的隔离变压器,需要花费较大的设备费用和实验室场地。
隔离变压器的最小容量要能提供电源线耦合/去耦网络的去耦电容的泄漏电流,否则将使隔离变压器遭受损坏。

② 浪涌输出与浪涌发生器机壳浮空的问题
      浪涌输出与浪涌发生器机壳浮空的问题

③  壳绝缘设备的共模试验问题
经常见到客户在电度表等外壳绝缘设备进行共模试验时,不知道浪涌发生器的com端子接在哪里,通常会把com端子接到外壳的外露金属零件上,由于这个零件与内部线路几乎没有联系,因此共模试验等于没做,起不到任何作用。
对此,建议用户在做这类设备的浪涌共模试验时,应当加一块参考接地板,利用设备内部线路与参考接地板之间的分布电容(在被试设备与参考接地板之间要垫适当厚度的绝缘支座,例如10cm的绝缘支座,保证分布电容的值适当,且不变),以便将共模电压加到所施线路上。

④  DC/DC变换器的浪涌试验问题
有客户反映,浪涌发生器不能用在DC/DC变换器上做DC/DC变换器的浪涌抗扰度试验。研究其原因,DC/DC变换器也是开关电源中的一种,只不过它是用直流电源作为其工作电源,DC/DC变换器的工作仍是开关状态,工作频率为几十kHz到几百kHz,这就是说它对工作电源的吸收电流是一个个脉冲电流,脉冲电流的工作频率同样是几十kHz到几百kHz。我们知道DC/DC变换器如果要做直流电源输入端的浪涌试验,必然要在直流电源和DC/DC变换器之间插入电源线耦合/去耦网络,通过电源线耦合/去耦网络,浪涌发生器将浪涌迭加到直流电源的是输入线上。由于电源线耦合/去耦网络的去耦作用主要是由电感完成的,因此DC/DC变换器的电源输入电流要在耦合/去耦网络的电感上形成压降,这样直流电源的输出电压就不能全部作用到DC/DC变换器的电源输入端,而要扣除因DC/DC变换器的电源输入电流要电感上产生的压降,亦即输入电压要低于直流电源的输出电压。而且DC./DC变换器的工作频率越高,DC/DC变换器的吸收电流越大,形成的压降也越大,造成DC/DC变换器不能正常工作。

⑤  被试设备的浪涌电压施加问题
考虑到被试设备电压-电流转换特性的非线性,试验电压应该逐步增加到产品标准的规定值,以避免试验中可能出现的假象(在高试验电压时,因为被试设备中可能有某个薄弱器件击穿,旁路了试验电压,致使试验得以通过。然而在低试验电压时,由于薄弱器件未被击穿,因此试验电压以全电压加在试验设备上,反而使试验无法通过)。
浪涌要加在线-线或线-地之间。如果要进行的是线-地试验,且无特殊规定,则试验电压要依次加在每一根线与地之间。但要注意,有时出现标准要求将干扰同时叠加在2根或多根线对地的情况,这时脉冲的持续。时间允许减小一些。由于试验可能是破坏性的,所以决不要使试验电压超过规定值。

5电压暂降、短时中断和电压变化抗扰度试验
            电压暂降、短时中断和电压变化抗扰度试验
① 在新版标准6.1.1节的发生器性能和特性中要求试验发生器有恒定的功率输出能力,且对发生器还要求有最大峰值冲击电流的能力。
② 普通的电压跌落设备原则上可适用于50Hz和60Hz的电源,因为普通的电压跌落设备都是通过正弦电压波形过零检测,然后检查过零脉冲的个数来实现周波计数的。
③ 如果要做60Hz的电压跌落,最好要用60Hz的发电机来进行试验。
特别推荐
技术文章更多>>
技术白皮书下载更多>>
热门搜索

关闭

?

关闭