- 抗干扰滤波器特征
- 抗干扰滤波器的应用
- EMI滤波器中电感材料的选择
该法令指出凡不符合欧洲和国际EMC标准规定的产品一律不得进入市场销售,违者重罚,同时把EMC认证和电气安全认证作为一些产品认证的首要条件。此举引起世界电子市场巨大的震动,EMC成为影响国际贸易一个重要的指标。为了与国际接轨,我国也相继制定了有关EMC法规。为此我国多次召开电磁兼容标准与论证会,建议自1997年1月1日起在市场上流通的电子设备必须制定、设计对无线电干扰的抑制措施,安置抑制元器件,使产生的电磁干扰不超过标准规定的电平。于2001年1月1日起凡进入市场产品必须有EMC标志。这是我国电子产品参与国际市场竞争的第一步。
抗干扰滤波器特征
抗干扰滤波器与通常的信号滤波器之间有着概念上的区别。信号滤波器是在阻抗匹配的条件下工作,即通过滤波器要保持输入与输出信号振幅不变为前提,将其中部分频域作预期的处理和变换。而EMI滤波器用于抑制进入设备与出自设备的电磁干扰,具有双向抑制性。因此这就要求EMI滤波器的端口处与设备产生最大失配。这样才能使滤波器对电磁干扰的衰减等于自身网络的衰减再加上输入和输出端口所产生的反射,必须遵循如下规律,见表1。其中Rs为电网输入阻抗,随着电量大小而变化;RL是EMI滤波器的输出阻抗,随负载大小而变。

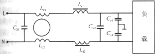
从电学角度来说只有阻抗不匹配的条件下才能在滤波器内产生最大的吸收(或损耗),用EMC俗语称之为“滤波器插入损耗”。EMI滤波器主要是消除或降低传导干扰。实际上传导干扰又分为共模干扰和差模干扰,所谓共模干扰是指相线与地线之间干扰信号的相位相同、电位相等,而差模干扰是相线间干扰信号相位差180°(电位相等)。因此滤波电路也分为抗共模和抗差模干扰电路,参见图1。

图中LC1LC2,Cy1Cy2构成共模滤波电路,LC1LC2为共模滤波电感,而Ld1Ld2Cx1Cx2构成差模电路。共模电感Lc一般数值0.3mH~38mH,共模电容Cy,只要控制在漏电电流于<1mA条件下,选择较大数值为准。而差模电感Ld一般在几十至几百微亨,其电容应选耐压大于1.4kV的陶瓷或聚酯电容。Ld1Ld2差模电感、电容值越大,低频效果越好。市场上购买的EMI滤波器大都是对共模干扰设计的,对差模抑制效果很差。实际上开关电源中共模与差模干扰同时存在,特别对于有源功率因数校正电路中差模干扰的强度很大。
对于开关电源,EMI滤波器对高频的EMI信号抑制比低频的EMI传导消除容易得多。常常利用共模电感的差值形成的差模电感就能消除300kHz~30MHz传导干扰电平。设计和选用滤波器一定要根据电路的实际需要而定。首先测出传导干扰电平与所规定的EMC标准极限比较,一般0.01MHz~0.1MHz是差模干扰起主导作用,0.1MHz~1MHz是差模与共模干扰联合作用,而1MHz~30MHz主要是共模干扰起作用。根据实验结果来判断和选择对超标信号有抑制作用的滤波器或器件。当然实际操作相当复杂,要有相当高的技术水平和经验。
[page]
EMI滤波器中电感材料的选择
降低电子设备的电磁干扰已成为电子产品是否有市场的关键问题。而软磁材料已成为EMI滤波器中不可少的元件,并起着举足轻重的作用。现在用软磁材料制成的各种抑制EMI元器件广泛地应用于各种电子电路和设备之中。这是因为软磁材料具有它独特的性能,致使其在抗电磁干扰领域发挥主要作用。然而,电子产品生产厂家希望能得到通用EMI滤波器对所有的电子设备都能把干扰降低到标准以下,这是不现实的。EMI滤波器的设计要根据该电子设备的EMC标准,即需要衰减EMI信号的频段范围和超标电平高低来选择,特别是其中的软磁材料。
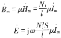
因为软磁材料种类繁多,各有自己的电磁特征。除了基本磁参数如Bsμi损耗外,还要利用它们的电特性、电阻率、频宽、阻抗等。根据所需衰减干扰信号范围,确定对应的滤波电路,然后再精心挑选适合于该频段的磁性材料,滤波电感才能达到最经济和最佳效果。想用一种材料满足各种抗干扰滤波器是不能达到预期效果的,必需选用适合该频段的磁性材料。从材料的观点看,EMI滤波器的作用是阻隔不需要的信号并以发热的形式消耗掉,而让需要的信号无衰减或几乎不衰减地通过。值得指出的是以发热形式所消耗掉的能量并不是指线圈在电流作用下的焦耳热(即I2R)。故在绕制线圈时一定要选用足够大线径的铜线,尽量减少这种能量的损耗。从电学观点可把滤波器中带有磁性材料的电感在频率较低时等效为纯电感L和纯电阻R的串联,其阻抗Z=R+jωL。对于平均直径为D的圆环,根据安培定律和电磁感应定律可得到:
e=N1S•dB/dt
H=N1I/l
式中N1,I——为环形磁芯上激磁线圈匝数和电流;S——磁芯截面积;l——平均磁路长度(πD)。
用相量表示为:

式中μ=μ′-jμ″
磁芯在低频时可等效为:Z=R+jωL=E/Im
代入上式

于是可以得到:

通过上式把磁学参数与电学参数直接联系起来。它表示磁性材料的磁性参数在电路中充当的角色。式(1)表述电路中的电感直接与磁材料的弹性磁导率μ′有关,表示器件的储能大小与频率无关的纯电感性。而电路中电阻R与磁性材料复数磁导率的虚数部分μ″有关。式(2)则既与材料的涡流损耗、磁滞损耗及剩余损耗等有关,并且与频率也有关。反映在电学上就相当于等效电阻R。
最后都转变成器件的热能散发到空间,而EMI滤波器中的电感能够滤去干扰信号就是利用了磁性材料的这一特征。从另一个角度看,EMI滤波电感发热是正常的,只要不影响电路的正常工作就行了。图2是滤波器电感在串联等效电路中R与频率关系曲线。相当于电感的插入损耗曲线。在低频段即f〈f1时,电感在电路中阻抗R小得可以不计,电流风乎无损耗的流过。在此阶段电感磁世间本身耗能很少,主要是线圈发热为主(I2R)。
只有大电流工作环境下才考虑这一部分能量转换的热量。如在大功率晶闸管调光灯电路中的抗干扰电感,因为电流高达20A~50A,甚至更高,即使线绕电阻很小,但能量与电流的平方成正比,所以线圈的发热量很大。这时只有增加铜线的线径(单股或多股),才可使线圈温度大幅度下降。当频率在f1~fc频段时,由阴抗曲线可以看出等效电阻R随频率提高而逐渐增大。这说明电路电感储能的功能随频率的升高而降低,损耗随频率而增加。在fc点附近等效电阻R迅速增加,从磁学的观点看,磁性材料吸收了电路中的高频能量转变成材料内部损耗,如磁畴壁的运动及其引起的微涡流效应等微观损耗。在fc点附近不再具有贮能作用。而fc的高低与磁性材料性能有关。
一般来说铁氧体材料fc高,金属磁性材料fc;较低。但对同一种材料可改变制作工艺材料的成分,人为地调节fc的高低。当频率超过fc以后阻抗开始下降,而到f2时双出现小的峰值,这是在高频下寄生电容Cw引起的谐振吸收。这个峰值的频率高低与电感分布参数有关,与材料的性能关系不大。实际上EMI滤波电感的抗干扰作用就是利用磁性材料这个特征。




