- 变压器中的分布电容组成
- 变压器中的干扰屏蔽
- 降低干扰源的强度
- 增强被驱动的MOS管的抗干扰能力
- 阻隔干扰的通路
实际电路都是由非理想元件组成的,在设计中可能会遇到许多预料不到的情况。在调试如图1所示的普通全桥电源时,输出不是料想中平稳的波形,而是不时发生间歇振荡,并发出“吱吱”声,有时甚至会烧毁开关管。对电路进行分析后未发现结构上可能导致不稳定的因素,于是改变输出采样的电压比,将输出调定在半电压24V上,使用90V的输入直流电压,在保证功率管安全的情况下进行调试。待电路工作正常后,再缓慢升高输入直流电压,经过多次试验,发现当Ui为180~250V时就可能引发振荡,最后判定是驱动变压器各个绕组之间的分布电容在捣乱。


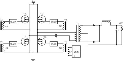
解决电磁干扰一般有三种途径,一是降低干扰源的强度,二是增强被驱动的MOS管的抗干扰能力,三是阻隔干扰的通路。在本例中,干扰源就是变压器要传递的脉冲,这是无法降低的。给驱动加上负压,可以大大增强MOS管的抗干扰能力,这种方法为许多电源所采用。本例采用第三种方法,即在驱动变压器的各绕组间加绕屏蔽层,其结构如图3所示,共5个绕组和5个屏蔽层。
整个变压器包括屏蔽层从左向右逐层绕制,N1接到控制回路的地;两个下管驱动绕组由于电位变化不大,同时与N2连接,实际上是接到了功率地;N3和N4将上管绕组NA包了起来,并与NA的异名端相接;N5将绕组ND与NA隔离。这样每个绕组都和它的屏蔽层同电位,它们之间不会有容性电流。当上管TA导通、上管绕组NA的电位跳升时,屏蔽层N3和N4的电位也要同样跳变,由于N2和N3之间的分布电容,这个跳变将在这两个屏蔽层中间产生电流,但对管子的驱动没有影响,只是会耗损一点主功率。在实际电路中采用了加电磁屏蔽的驱动变压器之后,问题得到了全部解决。

当NA输出正脉冲的上升沿时,TA迅速导通,M点电位跳升,于是C6、C7中要有容性电流产生。M是低阻抗点,电流iC7对它的电位影响不大,但N点却是高阻抗点,iC6电流将瞬间降低它的电位,可能使TA管瞬间关断。因此不能采用这种连接方式。屏蔽层N3、N4如改与NA的同名端相接,效果也不好。




