【导读】TLVR 结构是一种有效的实现方式,可在多相 VR 的负载瞬变期间加速动态响应。
TLVR 结构
TLVR 结构是一种有效的实现方式,可在多相 VR 的负载瞬变期间加速动态响应。
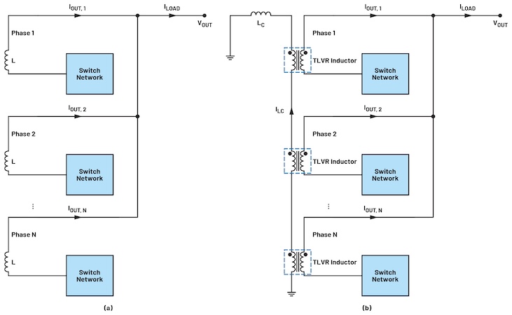
如图 1 所示,TLVR 结构利用 TLVR 电感器取代传统多相 VR 中的输出电感器。TLVR 电感器可以看作是具有初级和次级绕组的 1:1 变压器。所有 TLVR 电感器都通过连接所有 TLVR 电感器的次级绕组进行耦合。TLVR 电感器次级侧的电流 I立法会,由所有不同相位的控制信号决定。由于耦合效应,一旦 VR 的一相的占空比发生变化以响应负载瞬态,所有相的输出电流可以同时上升或下降。这就是为什么 TLVR 结构可以实现出色的负载瞬态性能。

图 1.(a) 没有 TLVR 结构的传统多相 VR 的电路图和 (b) 有 TLVR 结构的多相 VR 的电路图。图片由 Bodo's Power Systems 提供
基于 Transformer 的 VR
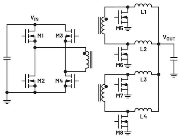
基于 Transformer 的 VR 一直是各种微处理器的有竞争力的电源解决方案。基于变压器的 VR 配备降压变压器,具有高而灵活的降压比、简单紧凑的结构、高效率等特点。与无变压器多相 VR 不同,基于变压器的 VR 允许更高的输入电压,为简化 VR 设计和实现更高的效率开辟了一个全新的世界。
图 2 显示了基于 transformer 的 VR 的一个代表性示例的电路图。VR 电路具有一个带有两个次级绕组的降压变压器,次级侧有一个电流倍增器结构??梢陨杓聘嗟拇渭度谱橐允迪指叩氖涑龅缌骱凸β拭芏?,并且次级侧不需要额外的控制信号。通过适当的控制电路和策略,图 2 中的多个示例 VR 电路可以并联连接,为各种高性能微处理器提供所需的电流。因此,图 2 所示的 VR 电路是本文中的一个示例。

图 2.一个基于 transformer 的 VR 示例的电路图。图片由 Bodo's Power Systems 提供
TLVR 结构在基于 Transformer 的 VR 中的优势
TLVR 结构可以显着加速 VR 的动态响应,在负载瞬变期间无需任何降压变压器。然而,这种卓越的动态性能伴随着许多挑战。无需任何降压变压器,这些无变压器 VR 通常在 TLVR 电感器的初级和次级侧以低占空比和高电压工作。TLVR 电感器次级侧的高电压秒级导致 TLVR 电感器次级侧产生高循环电流,并在稳态运行期间产生额外的功率损耗。如图 1b 所示,应增加一个额外的电感器 Lc 以限制 TLVR 电感器次级绕组中的循环电流。1 额外的电感器进一步增加了系统损耗和成本。
在基于 transformer 的 VR 中引入 TLVR 结构时,可以顺利解决 TLVR 结构带来的挑战。通过将 TLVR 结构与降压变压器相结合,由于主变压器的高降压比,TLVR 结构的缺点变得不那么明显。同时,仍然可以实现极快的动态响应,因为耦合效应推动所有相的电流在负载瞬态期间同时响应。由于采用降压变压器,施加到 TLVR 电感器上的电压降低,从而降低了电感器损耗。TLVR 电感器次级侧所需的附加电感器的电感值可以低得多。事实上,通过利用寄生电感,可以消除额外的电感,以及电感带来的进一步损耗和成本。此外,与 TLVR 电感器和附加电感相关的绝缘问题不再是一个问题。
具有灵活 TLVR 结构的基于 Transformer 的 VR
在具有 TLVR 结构的基于变压器的 VR 中,电路中的所有输出电感都被 TLVR 电感取代。此外,在基于 transformer 的 VR 中应用 TLVR 结构时,可以实现两种类型的实现,这在实现此结构时提供了极大的灵活性。图 3 显示了两种实现方式的电路图,使用图 2 中所示的两个 VR ??椴⒘印M?3a 中的实现称为串联,因为 TLVR 电感器的所有次级绕组都是串联的。图 3b 所示的另一种实现称为 串-并行连接。在???1 中,L11 和 L12 的次级绕组在与 L13 和 L14 的次级绕组的串联并联之前串联。???1 中 TLVR 电感器的次级绕组的这种连接终与???2 中的对应连接串联,如图 3b 所示。同样,当两个以上基于 transformer 的 VR 模块并联时,可以实现图 3 中具有 TLVR 结构的两个实现。
设计和实现中增强的灵活性不会增加控制复杂性。相同的控制方案适用于具有 TLVR 结构的基于 transformer 的 VR 的两种实现。这里以基于 transformer 的 VR 为例,其中三个??椴⒘?。在不同 VR 模块的控制信号之间插入相移。在???1 和???2 之间插入的相移为 60°,在???2 和???3 的控制信号之间插入 60° 的相移。如果 N 个??椴⒘蛄礁鱿嗔谀?橹洳迦氲南嘁莆?180°/N。
施加到所有 TLVR 电感器的电压都可以根据建议的控制方案得出。图 4 总结了两个并联??榈幕诒溲蛊鞯?VR 中所有 TLVR 电感的电压波形。由于图 3 中的两种类型的实现具有相同的控制信号,因此电感电压波形也相同?;箍梢怨鄄斓?L11 和 L13 具有相同的电压波形,L12 和 L14 就是这种情况。这些电感电压波形有效地解释了为什么图 3b 中的串并联连接是合法的。TLVR 电感器次级侧的电流 I秒,在主降压变压器初级侧的 MOSFET 开关频率为 4× 时具有高频纹波。当 N (N > 2) 模块并联时,电流纹波 I秒将处于更高的频率(开关频率× 2N),并且 I 的幅度秒可以进一步减少。因此,所提出的带移相的控制方案不仅可以减小输出电压纹波,而且可以有效抑制I的纹波秒;因此,TLVR 电感器次级侧的传导损耗。

图 3.两个基于 TLVR 结构的基于并联变压器的 VR 模块的两种实现方式:(a) 串联连接和 (b) 串并联连接。图片由 Bodo's Power Systems 提供
在具有 TLVR 结构的基于变压器的 VR 中不需要额外的电感器。此外,还消除了额外电感带来的额外成本和损耗,大大提高了系统的效率和成本。由于变压器降压比高(小 n),与采用 TLVR 结构的无变压器 VR 相比,TLVR 电感器的电压显著降低。因此,无需在 TLVR 电感的次级侧引入额外的补偿电感 Lc 来抑制电流纹波。有关 TLVR 电感电压的详细信息,请参见图 4。在这种情况下,电路中的寄生电感和 TLVR 电感器的漏感在塑造 TLVR 电感器次级侧的电流 I 中起着关键作用秒.为了进一步改善负载瞬态期间的动态性能,降低 TLVR 电感器次级侧的漏感和寄生电感非常重要。

图 4.具有 TLVR 结构的基于变压器的 VR ??椋礁瞿?椴⒘┲?TLVR 电感器的电压和次级电流波形。图片由 Bodo's Power Systems 提供
原型和实验结果
设计和构建了具有 TLVR 结构的基于 transformer 的 VR ??榈牧街质迪址绞?,包括串联连接和串并联连接版本。图 5a 显示了典型 TLVR 电感的 3D 模型。构建的??樵腿缤?5b 所示。两个版本的大小与没有 TLVR 结构的版本相同?;痪浠八担捎?TLVR 电感器来实现 TLVR 结构,无论是串联连接还是串并联连接,都不会增加 VR 模块的尺寸。
具有 TLVR 结构的基于变压器的 VR 的极快负载瞬态性能已在构建的原型中成功证明。实验装置由两个并行运行的 VR ??樽槌?,如图 5b 所示。TLVR 电感器的次级侧没有安装额外的电感器。负载瞬态介于 20 A 和 170 A 之间,转换速率为 125 A/μs。图 6 所示的基线比较清楚地说明了具有 TLVR 结构的基于变压器的 VR 具有出色的负载瞬态响应,其中以串并联连接版本为例。为了公平地进行比较,没有 TLVR 结构的情况是通过断开 TLVR 电感器次级侧的连接来实现的。当负载电流从 20 A 上升到 170 A 时,采用 TLVR 结构的基于变压器的 VR 可以快速调节输出电压,峰峰值电压纹波要低得多。
经过进一步改进,采用 TLVR 结构的基于变压器的 VR 实现了极快的负载瞬态响应。详细的瞬态波形如图 7 所示。在 20 A 至 170 A 的相同瞬态下,由于 TLVR 结构带来的极快响应,峰峰值输出电压纹波仅为 23.7 mV。采用 TLVR 结构大幅加速了动态响应,峰峰值输出电压纹波降低了 62%。测得的 115 kHz 高控制带宽也证明了 TLVR 结构实现了极快的负载瞬态响应。表 1 总结了详细的比较。

图 5.(a) TLVR 电感器的 3D 模型和 (b) 两个基于变压器的 VR 原型,TLVR 结构在演示板上并联。图片由 Bodo's Power Systems 提供 [PDF]
表 1.具有 TLVR 结构和无 TLVR 结构的基于 transformer 的 VR 之间的动态响应比较。
结构采用 TLVR 结构无 TLVR 结构
输出电容15.2 毫法郎15.2 毫法郎
电压纹波 (pk-pk)23.7 毫伏62 毫伏
控制带宽115 kHz45 赫兹
相位裕量69°40.7°

图 6.基于变压器的 VR 与 TLVR 结构和无 TLVR 结构的负载瞬态响应比较。图片由 Bodo's Power Systems 提供

图 7.具有 TLVR 结构的基于变压器的 VR 的极快负载瞬态响应。图片由 Bodo's Power Systems 提供 [PDF]
基于变压器的稳压器研究
为了进一步展示基于 transformer 的 VR 与 TLVR 结构相结合的好处,本节根据实际应用的规范介绍了基于 transformer 的 VR 研究。实施和测试了带和不带 TLVR 结构的基于 Transformer 的 VR 解决方案,以提供 0.825 V/540 A 的电源轨。表 2 总结了规格和测试结果的详细信息。具有相当的相位裕量和增益裕量,采用 TLVR 结构的基于变压器的 VR 解决方案比没有 TLVR 结构的 VR 解决方案实现了 61% 的控制带宽。因此,再次证明了 TLVR 结构实现的极快瞬态,如图 8 所示。峰峰值输出电压纹波仅为 40.92 mV,低于 0.825 V 输出电压的 5%。
在节省 39% 的输出电容后,与没有 TLVR 结构的 VR 解决方案相比,采用 TLVR 结构的 VR 解决方案仍然实现了低得多的峰峰值电压纹波。因此,输出电容的数量减少了 27%,从而大大减小了系统解决方案的尺寸。由于 TLVR 结构实现了快速瞬态响应,输出电容器的成本可以降低 43%。
通常,具有极快动态响应的 TLVR 结构的基于变压器的 VR 可以有效降低输出电容,同时在快速负载瞬变期间保持低输出电压纹波。此外,在具有 TLVR 结构的基于变压器的 VR 中不需要额外的电感器。因此,具有 TLVR 结构的基于变压器的 VR 解决方案可以显著减小总解决方案尺寸,并大幅降低解决方案成本,尤其是输出电容器的成本。两种可供使用的实施方式进一步带来了极大的灵活性;同时,控制复杂性不会增加。
免责声明:本文为转载文章,转载此文目的在于传递更多信息,版权归原作者所有。本文所用视频、图片、文字如涉及作品版权问题,请联系小编进行处理。
推荐阅读:
ADA4510-2运算放大器评测:高精度与多场景应用的完美结合



