【导读】光伏系统通常包括一种储能方式——电池或超级电容器——在没有阳光或电源瞬变时为负载提供电力。然而,在可行的情况下,无储能系统是一种更环保的替代方案,具有更高的 MTBF。
光伏系统通常包括一种储能方式——电池或超级电容器——在没有阳光或电源瞬变时为负载提供电力。然而,在可行的情况下,无储能系统是一种更环保的替代方案,具有更高的 MTBF。
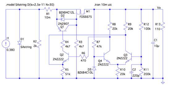
图 1 所示的设计理念 是一种光伏稳压器,采用Bang-Bang 式开关模式运行,可实现高效率。它易于扩展,并且仅使用分立元件。
PMOS管M1导通、截止,对输出电容C1充电。M1开路时,光伏电源达到开路电压,C1向负载放电;M1导通时,光伏电源被钳位到输出电压V O,C1再次充电。
光伏电源的 SPICE 模型由 I1-D1-R1-R2 给出,代表一串 30 个串联的低功率硅太阳能电池。
电路操作如下:由于 R3 和齐纳二极管 D2 将 V GS设置 为 12V,因此M1 在启动期间开启。随着 C1 充电,齐纳二极管 D3 上的电压上升直至达到 10V,从而设置电压参考电平。V O 继续上升,直到由 Q3 和 Q4 组成的差分放大器的输出打开 Q2 和 Q1,从而关闭 M1。
然后V O 逐渐减小,直到差分放大器的输出不足以保持 Q2 导通。调节器无限期地保持 Bang-Bang 模式,输出电压由下式给出:
(1)
输出电压纹波和开关频率可通过输出电容器 C1 和反馈网络电容器 C2 进行调整。增加 C2 值会减慢电压感测速度,这对于稳定性目的而言可能是必要的,但也会增加输出纹波。建议根据应用在开关频率和输出电压纹波之间取得平衡。
原型的波形如图2所示。15V 输出上的纹波小于 0.5 V P-P ,开关频率略高于 25 kHz。
图 2 稳压器波形。蓝色:输出电压;绿色:输入电压;青色:M1 电流。
总而言之,该电路是一种简单但坚固且多功能的解决方案,可从光伏电源获得稳定电压。该设计可轻松适应其他电压或电流需求。
免责声明:本文为转载文章,转载此文目的在于传递更多信息,版权归原作者所有。本文所用视频、图片、文字如涉及作品版权问题,请联系小编进行处理。
推荐阅读:
贸泽电子对FIRST创始人兼发明家Dean Kamen进行视频专访





