【导读】几乎每个变频器 (VFD) 都包含一组指定具有模拟和数字 I/O 功能的螺丝端子或针头。即使在当今先进的网络功能世界中,许多变频器,尤其是在较小或较远的应用中调试的变频器,都依赖于数字输入设备来驱动操作。
几乎每个变频器 (VFD) 都包含一组指定具有模拟和数字 I/O 功能的螺丝端子或针头。即使在当今先进的网络功能世界中,许多变频器,尤其是在较小或较远的应用中调试的变频器,都依赖于数字输入设备来驱动操作。
通常,数字输入是通用 I/O,而不是具有专门列出的功能(如启动和停止)。但为了将这些功能分配给信号,我们依赖可编程参数。在这里,我们探讨了一些常见的数字输入接线控制方案,并解释了如何连接和排除接线故障。
VFD 上的数字 I/O 终端
首先,让我们介绍一下这些控制信号接头的基本原理。并非每个螺丝端子或引脚都被指定为数字输入——许多 VFD仅有 2-4 个数字输入。其余端子提供电压和公共参考,以连接数字和模拟设备。
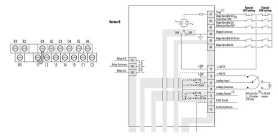
例如,Rockwell VFD Powerflex 523 是一个常见的现代示例,与大多数其他 Rockwell VFD 相似。在此型号中,I/O 端子块包含可编程继电器、数字输入和模拟/通信信号。端子 01-06 和 11 上的数字信号对我们今天来说是重要的。
Rockwell PowerFlex 523 I/O 接线端子示例
图 1. Rockwell PowerFlex 523 I/O 接线端子示例。图片(修改版)由Rockwell Automation提供
根据列出的功能,端子 02、03、05 和 06 均显示“DigIn TermBlk xx”,这意味着它们是数字输入并且可以进行编程。默认情况下,它们确实具有一些标准功能,但调试后,这些功能可能不再是默认功能。
另外两个端子对于理解大接线图非常重要。端子 04 是接地的公共回路。如果数字输入端子为开关提供电压(源极),则必须将开关连接到端子 04 以完成接地回路 。另一方面,如果开关连接到端子 11,为其提供 24 伏电压,则数字输入端子将电路接地(吸收)。这就是这些 VFD 提供开关以在功能之间切换的原因。
如果此供应和吸收术语令人困惑,我们建议您并阅读我们的电子书,其中为控制工程师解释了这些术语。
2 线启停电路接线
2 线电路用于通过一个信号运行某个功能,如果移除该信号,该功能将停止。这与启动/停止锁存功能不同,后者称为 3 线电路,稍后将进行探讨。
在 VFD 中,这种 2 线功能有两种形式:单向和双向。由于 VFD 可以轻松驱动正转或反转电机,因此我们可以选择使用一个输入来驱动正转或使用一个输入来驱动反转。,我们可以有两个输入来选择正转或反转。所有这些都是瞬时输入(如点动功能),被视为 2 线。
虽然具体端子因型号而异,但基本接线概念是相同的。对于 2 线正向控制,单个数字输入设备连接到其中一个数字输入,通常是的 I/O 端子之一。
对于 2 线反向控制,单个数字设备连接到相同的输入或另一个输入。它可能看起来与 2 线正向控制完全相同。不同之处在于设置参数值以在给出运行命令时选择运动方向。
对于终的双向 2 线控制,我们必须使用两个不同的数字输入设备,连接到驱动单元上的两个数字输入。与之前一样,参数控制操作方法以及电线的放置位置。
2 线控制示例
作为此控制的一个例子,让我们来看看 Control Techniques 的 Commander S100 驱动器。此驱动器有 5 个数字输入,每个输入都有一个特定于因素的默认功能。下图 2 显示了默认配置。连接到 Dig Ins 2 和 3 的数字设备将允许 2 线双向控制。
Control Techniques 的 Commander S100 I/O
图 2. Control Techniques 的 Commander S100 I/O。图片(修改版)由Control Techniques提供
许多 VFD(包括上述变频器)还需要向“启用”或“停止”输入发送恒定信号,该输入必须接收持续的活动控制信号,否则驱动器将停止,从而提供超越数字输入的安全性。
ABB 的下一个示例显示了默认的数字输入分配,其中个输入用作启动/运行输入,第二个输入用作方向控制。
ABB ACS150 VFD 的默认数字输入分配
图 3. ABB ACS150 VFD 的默认数字输入分配。图片(已修改)由ABB提供
何时使用两线控制?
当 VFD 应用于使用基本正向和反向的简单情况时,此方案很方便。在基本的层面上,输入可以是控制面板上的选择器开关,也可以是传感器,甚至是可能没有现代通信信号的外部控制器。我已成功以这种方式将 VFD 连接到没有网络功能的微型 PLC(如Allen-Bradley MicroLogix)。
三线启停电路接线
在讨论了 2 线控制之后,这种 3 线策略非常相似。除了 3 线之外,该方案还源自一种称为“锁存”或“密封”的常见电路。为方便锁存控制,提供了启动和停止按钮 - 信号不需要持续,例如 2 线。
对于 3 线单向控制,常闭“停止”信号连接到启用/停止数字输入。第二个设备连接到下一个数字输入,用作“启动”信号。它们的操作方式与发音完全相同 - 按“启动”启动,按“停止”停止。
3 线双向控制非常相似,但增加了一个切换信号来在前进和后退方向之间进行选择。
3 线控制示例
下图说明了如何使用 Omron MX2 VFD 进行 3 线控制。在此驱动器中,有七个可编程数字输入,标记为 S1-S7。选择任意三个输入,并使用参数 C001-C007 为这些输入分配 STA(启动)、STP(停止)和 F/R(方向)。请注意,STP 输入必须具有持续的控制信号,否则驱动器将停止。
Omron MX2 VFD 3 线输入和参数
图 4. Omron MX2 VFD 3 线输入和参数。图片(修改版)由Omron Automation提供
何时使用三线控制?
这种方案在应用上也非常类似于 2 线控制。但是,锁存功能的主要区别在于允许使用短脉冲来激活和停止驱动器。也许必须触发开关或传感器才能启动传送带,直到单独的输入触发停止。当无法使用网络信号时,这是 3 线控制的理想选择。
VFD 几乎可以用于所有工业感应电动机驱动场景。
图 5. VFD 几乎可用于所有工业感应电动机驱动场景。
免责声明:本文为转载文章,转载此文目的在于传递更多信息,版权归原作者所有。本文所用视频、图片、文字如涉及作品版权问题,请联系小编进行处理。
推荐阅读:



