桃花源qm花论坛(品茶),凤楼阁论坛官网入口网址,一品楼品凤楼论坛最新动态,风楼阁全国信息2024登录入口

跨电感电压调节器的多相设计、决策和权衡

发布时间:2024-06-06 责任编辑:lina

【导读】最近推出的跨电感电压调节器(TLVR)在多相DC-DC应用中颇受欢迎,这些应用为CPU、GPU和ASIC等低压大电流负载供电。这一趋势主要基于该技术出色的瞬态性能。TLVR还支持灵活的设计和布局,但有几个缺点。本文阐述了TLVR设计选择如何影响性能参数,并讨论了相关权衡。


摘要

最近推出的跨电感电压调节器(TLVR)在多相DC-DC应用中颇受欢迎,这些应用为CPU、GPU和ASIC等低压大电流负载供电。这一趋势主要基于该技术出色的瞬态性能。TLVR还支持灵活的设计和布局,但有几个缺点。本文阐述了TLVR设计选择如何影响性能参数,并讨论了相关权衡。

TLVR降压器中的电流纹波和瞬态

对于许多高电流应用而言,多相降压转换器的任何改进都有意义。瞬态性能改进尤其值得关注,因为许多CPU、GPU和ASIC现在都有非常严格的瞬态规格,而高效率对于节能和热性能也至关重要。

电感中的电流纹波是影响设计选择的重要参数:它影响效率和输出电压纹波,并间接关系到瞬态性能、解决方案尺寸和其他性能指标。另一个关键特性是瞬态条件下的电流摆率,这是瞬态性能的基本限制因素。通常,电流纹波(以及效率)和瞬态性能(直接影响输出电容大小等因素)导致设计决策需要权衡。

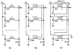
采用分立电感(DL)的传统多相降压转换器如图1a所示。为了实现较理想的波形交错,假定所有相位之间都具有适当的相移。一种替代方案是用耦合电感(CL)代替DL,如图1b所示。1-3,5另一种替代方案如图1c所示,称为TLVR,其中调谐电感Lc会影响电流纹波和瞬态性能。4,6,7,10TLVR方法的原理是向分立电感添加次级绕组,并通过次级绕组的电气连接来链接相位。这种设计思路类似于耦合电感:对所有链接相位之间的交流波形进行平均,以在特定瞬态摆率下获得更好的电流纹波,但TLVR的有效耦合电感是有限的,因为必须考虑全部相电流。TLVR的缺点是TLVR变压器不能传送电流的直流部分,因此直流电不会像在磁耦合电感中那样在相位之间抵消掉。本文将重点介绍TLVR的更多细节和特定权衡;由于论文篇幅限制,这些内容未包含在之前的研究中。9


跨电感电压调节器的多相设计、决策和权衡

图1.多相降压转换器,分别采用(a)分立电感(DL)、(b)耦合电感(CL)和(c) TLVR


TLVR中纹波和电流摆率的第一个数学模型及方程可能已出现在相关文献中。7虽然这是一个非常有用的数学模型,适用于任何电路条件(任何占空比D = Vo/VIN或多个相位Nph等),但它有一些局限性。例如,低Lc值(图1c中的调谐电感)会导致误差增加,当Lc = 0时,误差变得无穷大,等等。低Lc值的极端情况比Lc = 开路的极端情况更重要,因为使用TLVR的主要原因是改善瞬态性能,这意味着Lc值相当低。

此外还给出了更准确的TLVR推导,通过指定适当的Vx状态,推导出的方程可以得出稳态(对于电流纹波)或瞬态下的电流摆率。10该推导是针对更准确的等效TLVR原理图(图2)进行的。此模型与任何极端情况下的仿真都具有极好的相关性,但稳态下的电流摆率仅对D < 1/Nph范围有效。后者是可以接受的,因为已经证明,恰好在D < 1/Nph区域,TLVR具有相对于DL基线的最大电流纹波增量,并且当Nph足够高时,其接近DL纹波。9,10


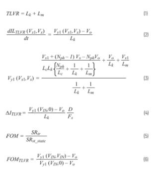
跨电感电压调节器的多相设计、决策和权衡图2.TLVR模型10


通常,TLVR值在数据手册中的显示方式与分立电感DL相同,从中可推导出TLVR。图2中的模型假设TLVR总值或自感被分成两部分:一个是通常较小的Lk,其余部分实际上成为TLVR变压器的互感Lm = TLVR-Lk(方程1)。

基于图2中的模型,TLVR中的电流摆率可用方程2表示,其中Lk是主绕组和辅助绕组之间的TLVR漏感。Vx1电压分配给目标相位,而所有其他Vx节点均假定具有相同电压(VIN或0)。相应的节点电压Vy1如方程3所示。强制Vx1 = Vx,并将这些电压指定为VIN(斜坡上升)或0(斜坡下降),便可使用方程2直接计算TLVR中的最大瞬态摆率。此外,方程2中的电流摆率可用于方程4中的稳态纹波计算,其中Vx1 = VIN,所有其他开关节点均为Vx = 0。不过,方程4仅对D < 1/Nph有效,因为它假设全部导通时间D/Fs内具有单一且相同的摆率。


跨电感电压调节器的多相设计、决策和权衡


如文献所述,品质因数(FOM)是反映系统性能的一个良好指标,最大化FOM通常是实现理想权衡的正确方向。9,10但请注意,高FOM本身并不能确保特定应用规格中的每个参数都得到满足,高FOM仅是良好设计的一个指标。FOM的定义如方程5所示,这对于D<1/Nph范围是合适的,我们可以用方程6来表示TLVR FOM。

为了进行比较,我们将使用CL方程(此处未显示),但重点关注TLVR性能和权衡。5,10我们还将使用陷波耦合电感(NCL)结构作为基准,与尺寸和大小兼容的特定TLVR = 150 nH解决方案进行比较。10

TLVR权衡

图3显示了基于12 V至1.8 V 6相设计的关键TLVR性能参数与调谐电感Lc的关系(电流纹波的Fs = 300 kHz)。TLVR = 150 nH是给定尺寸下勉强满足Isat/ph规格的最大可能值,因此它能充分有效地减小TLVR纹波并提高效率。此外还绘制出DL = 150 nH,作为TLVR = 150 nH的基线,以及NCL = 6× 25 nH (Lm = 375 nH)参数以供比较。图3中所有TLVR曲线上都突出显示了实际设计点Lc = 120 nH。

内容中需要考虑TLVR参数的变化:图3显示了(a) FOM,(b)电流瞬态摆率和(c)电流纹波与Lc的关系,水平刻度相同。请注意,随着Lc增加,所有TLVR曲线都渐近地接近DL性能。TLVR的FOM随着Lc值的降低而提高,因为瞬态摆率大幅提高,但代价是电流纹波进一步增加(DL基线的纹波已经相当大),参见图3c。将具有隔离功能的次级绕组添加到初始DL时,铁氧体会减少,但TLVR FOM绘图未考虑这一点。正如预期的那样,TLVR纹波始终大于DL基线8-10。


跨电感电压调节器的多相设计、决策和权衡

图3.TLVR权衡与Lc的关系:(a) FOM,(b) 电流摆率(向上),(c) 电流纹波。其中突出显示了实际设计点Lc = 120 nH。12 V至1.8 V,6相,Fs = 300 kHz。


图4显示了FOM、瞬态摆率和电流纹波与TLVR值(实际上是Lm)的关系。值得注意的是,在绘制数学曲线时,TLVR的Isat规格是每相的全部Isat(在测试解决方案中,对于TLVR = 150 nH,Isat = 65 A),而对于NCL的Lm,Isat明显较低(对于必须承受相间电流不平衡的Lm = 375 nH,保守Isat = 25 A)。因此,在相同给定尺寸的测试解决方案中,高于150 nH的TLVR曲线和高于375 nH的NCL曲线仅有理论意义(需要更大的尺寸来扩展这些值)。由于TLVR和CL的电气模型相似,并且与Lm的函数关系的相关曲线可能彼此接近,因此关键的一点是,对于TLVR和CL,给定空间中互感受到的限制大不相同10。这为同一特定体积中的TLVR和NCL提供了一个现实的比较角度。


跨电感电压调节器的多相设计、决策和权衡图4.TLVR权衡与TLVR值(Lm)的关系:(a) FOM,(b) 电流摆率(向上),(c) 电流纹波。Lc = 120 nH,标出了给定尺寸下TLVR = 150 nH和Lm = 375 nH(对于NCL)的最大值。12 V至1.8 V,6相,Fs = 300 kHz。


正如预期的那样,对于TLVR和NCL,Lm 增加都会导致耦合系数和FOM变大,如图4a所示。10瞬态摆率一般由NCL中的漏感Lk和TLVR中的调谐电感Lc定义,而不是由Lm定义,因此图4b中的曲线大部分是平坦的。然而,当TLVR值(有效Lm)变得过小时,并联Lc实际上会短路,瞬态摆率迅速增加。

图4c证实,对于TLVR和NCL,增加Lm非常有利于减小电流纹波(但Lm增加不会降低瞬态性能,参见图4b)。TLVR和NCL的电流纹波与Lm的关系曲线非常相似,这是因为二者的电气模型相似,但Lm值的限制因素却截然不同。10当然,大部分差异来自于给定尺寸下Lm所需的Isat额定值,因此NCL的电流纹波比相关TLVR小得多。

实验结果

NCL设计为适合相同的TLVR尺寸,并且还匹配TLVR解决方案的所有其他外部尺寸。10图5显示了同一电路板上的两个测试解决方案(NCL不需要Lc)。

正如根据摆率值所预期的那样,TLVR和NCL都是非常快的解决方案(图3b和图4b)。我们特意验证了瞬态性能相同的情况,即使将Fs降低至300 kHz,仍然不会导致相位相互耦合的6相解决方案中出现反馈带宽限制。8

由于NCL的FOM明显高于TLVR(图3a),因此匹配瞬态性能导致NCL的电流纹波只有TLVR的大约1/2.6。图6显示了相应的效率比较结果,其中TLVR性能受到大电流纹波峰峰值的挑战。

由于CL(尤其是NCL)的漏感通常远低于TLVR值,因此预计CL和NCL的每相电流能力也高得多:TLVR = 150 nH示例中Isat = 65 A(每相),而相同体积中的NCL = 6× 25 nH显示Isat > 300 A(每相)。


跨电感电压调节器的多相设计、决策和权衡图5.同一电路板上的解决方案:(a) TLVR和(b) NCL

跨电感电压调节器的多相设计、决策和权衡图6.同一电路板上6相12 V至1.8 V解决方案的效率与Io的关系:(a) TLVR和(b) NCL


结论

TLVR的FOM一般约为2,从这个角度来看,它相对于FOM = 1的分立电感基线有所改进。其优势在于,与电流纹波增加相比,TLVR改善瞬态性能的速度更快。然而,TLVR只能改善瞬态,同时会产生一些弊端。例如,由于相位之间的链接以及较低的有效磁化电感和Lc,TLVR电流纹波总是高于相同值DL情况的电流纹波。这会对效率产生不利影响,特别是考虑到添加具有高压隔离功能的次级绕组时铁氧体横截面会减小。本文未考虑铁氧体损失所导致的额外电感值损失(假设Isat与原始DL相同)。串联的次级TLVR绕组也会造成潜在的高压问题,并且通?;岬贾麓旁某杀驹黾印?

TLVR的瞬态电流摆率通常由Lc设置,但如果Lm足够低:那么Lm实际上会使Lc短路,使得瞬态性能更快,但这会产生非常大的电流纹波,导致效率受损。

一般来说,TLVR的行为类似于耦合电感,但TLVR的全电流额定值会限制有效Lm,使其表现明显不佳。在相同的体积下,由于Lm通常要高出几倍,因此CL或NCL可以实现高得多的FOM和性能。因此,在所考虑的例子中,NCL显示出高得多的效率,同时瞬态性能相比TLVR也有所改善,10但却不存在TLVR方法的成本影响或高压问题。

NCL与TLVR相比,每相Isat电流能力显著提高,这是一个额外的好处(上例中差异大于4.5倍)。

参考文献

1 Aaron M. Schultz和Charles R. Sullivan?!按詈细杏θ谱榈牡缪棺黄骷跋喙胤椒??!泵拦ɡ?,362,986,2001年3月。
2 Jieli Li?!癉C-DC转换器中的耦合电感设计。”硕士论文,2001年,达特茅斯学院。
3 Pit-Leong Wong、Peng Xu、P. Yang和Fred C. Lee?!安捎民詈系绺械慕淮鞻RM的性能改进?!薄禝EEE电源电子会刊》,第16卷第4期,2001年7月。
4 Ming Xu、Yucheng Ying、Qiang Li和Fred C. Lee?!靶滦婉詈系绺卸嘞辔妊蛊鳌!盜EEE,2007年。
5 Alexandr Ikriannikov?!榜詈系绺械幕≈逗陀攀啤!盇DI公司,2021年。
6 S. Jiang、X. Li、M. Yazdani和C. Chung?!巴贫?8 V技术创新——混合转换器和跨电感电压调节器(TLVR)?!盜EEE,2020年。
7 “带TLVR输出滤波器的多相降压转换器。”Infineon Technologies,2021年2月。
8 Alexandr Ikriannikov。“TLVR高压注意事项?!钡缭聪低成杓疲?021年。
9 Alexandr Ikriannikov?!岸嘞郉C-DC应用中磁元件的演变和比较?!盜EEE,2023年3月。
10 Alexandr Ikriannikov和Di Yao?!安捎枚嘞啻旁淖黄鳎篢LVR与CL和新颖优化结构之比较?!盤CIM Europe,2023年5月。

(来源:ADI公司,作者:Alexandr Ikriannikov,ADI公司研究员)

 

免责声明:本文为转载文章,转载此文目的在于传递更多信息,版权归原作者所有。本文所用视频、图片、文字如涉及作品版权问题,请联系小编进行处理。


推荐阅读:

实战分享:肿瘤电场治疗硬件设计方案

吉利汽车与意法半导体签署碳化硅长期供应协议,深化新能源汽车转型,推动双方创新合作

通信感知一体化在车联网领域的关键技术与应用

SiC MOSFET:通过波形的线性近似分割来计算损耗的方法

低抖动差分时钟:赋能AI时代光网络精准同步


特别推荐
技术文章更多>>
技术白皮书下载更多>>
热门搜索

关闭

?

关闭