【导读】随着对逆变器的功率密度、效率、输出波形质量等性能要求逐渐增加,中点钳位型(Neutral Point Clamped,NPC)的三电平拓扑逆变器已经得到了广泛的应用,典型的三电平拓扑有二极管型NPC(NPC1)、Conergy NPC(NPC2)、有源NPC(ANPC),如下图所示。
随着对逆变器的功率密度、效率、输出波形质量等性能要求逐渐增加,中点钳位型(Neutral Point Clamped,NPC)的三电平拓扑逆变器已经得到了广泛的应用,典型的三电平拓扑有二极管型NPC(NPC1)、Conergy NPC(NPC2)、有源NPC(ANPC),如下图所示。
相对于传统的两电平逆变器,三电平逆变器有以下优点:
输出波形的谐波成分少:三电平逆变器相对两电平逆变器,增加了一个零电平通路,相电压可输出三个电平,即+Vdc/2、0、-Vdc/2,根据下图可以看到三电平逆变器输出的电压波形更加接近正弦波,具有更低的THD。
2. 损耗减小,开关频率提升,系统成本降低:如NPC1拓扑中开关器件的电压可减小为原来的一半,器件开关损耗大幅降低,因此可提高开关频率减小输出滤波器的体积和成本,如果在功率等级不变的情况下,可通过提高母线电压减小输出端的电流,减少输出线缆的成本。
3. 器件可靠性提升:在同样电压等级的系统中,三电平拓扑中器件承受的阻断电压降低,器件的可靠性得以提升。
4. 改善电磁干扰EMI:由于开关过程中器件的dv/dt大幅降低,系统电磁干扰得到改善。
当然三电平拓扑也存在一些劣势,例如器件成本增加、控制算法复杂度提升、损耗分布不均衡和中点电位波动等问题,但由于三电平拓扑的独特优势,在光伏、储能、UPS、APF等众多场合得以广泛使用,下面就常见的三电平拓扑进行介绍。
NPC1
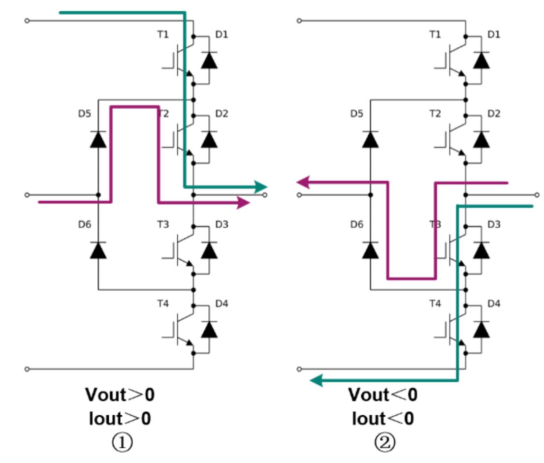
1.1. 电流路径
上图中蓝绿色线条为导通电流路径,紫色线条为对应的零电平换流路径,功率因数为+1对应①和②两种模态,功率因数为-1对应③和④两种模态;
1.2. 损耗分布
以F3L225R12W3H3器件(NPC1)在100kW PCS的仿真为例,仿真条件为Vdc=1000V,Vac=380V,Fsw=16kHz,Fout=50Hz,在逆变工况时,NPC1的损耗主要集中在T1/T4管,包括导通损耗和开关损耗;T2/T3为??刺?,损耗主要为导通损耗;D5/D6在换流时导通,其损耗包括导通损耗和反向恢复损耗。
在整流工况下,损耗主要集中在D1/D4管和T2/T3管,D1/D4存在导通损耗和反向恢复损耗,T2/T3在换流时产生导通损耗和开关损耗,而D2/D3和D5/D6仅存在导通损耗。
NPC2
在NPC2拓扑中,用一对共射极或共集电极的IGBT和反并联二极管代替NPC1二极管钳位的功能,减少了两个二极管器件,其中T1/T4管承受全母线电压,T2/T3管承受半母线电压。
2.1. 电流路径
NPC2的工作模态和NPC1类似,在逆变工况下,正半周期时,T2保持常开状态,T1和D3换流;负半周期时,T3保持常开状态,T4和D2换流。在整流工况下,正半周期时,T2仍保持??刺?,由D1换流至T3/D2;负半周期时,由D4换流至T2/D3。
2.2. 损耗分布
以F3L500R12W3H7器件(NPC2)在100kW PCS的仿真为例,仿真条件为Vdc=1000V,Vac=380V,Fsw=16kHz,Fout=50Hz,在NPC2拓扑中T1/T4为高压器件,开关损耗较大些,但由于电流路径上的开关器件数量减少,导通损耗更小,因此NPC2拓扑在中低开关频率的系统中效率更优。而NPC1拓扑中电流路径上的器件数量增加,会产生更大的导通损耗,但每个器件只承受半母线电压,开关损耗大幅降低,因此在高频时更有优势。
以Irms=150A,Vdc=730V,PF=1,M=1的工况为例进行仿真,使用相同电流等级,不同耐压的模块组成两电平、NPC1和NPC2拓扑,各拓扑产生的总损耗随开关频率变化的曲线如上图所示,可以看到两电平拓扑仅在低频时总损耗较小,NPC1和NPC2拓扑的总损耗在16kHz时存在交叉点,交叉点前NPC2拓扑整体损耗低于NPC1拓扑,效率更优,在交叉点后NPC1拓扑的总损耗的上升速率低于NPC2拓扑,高频下NPC1拓扑的效率更优,值得注意的是交叉点的频率也随应用工况和具体器件特性不同而略有差异。
ANPC
将NPC1中的钳位二极管更换为IGBT和反并联二极管就形成了ANPC拓扑,其拓展了两条零电平换流路径,通过对零电平换流路径的选择和控制可以实现更均衡的损耗分布和更小的换流回路杂感。
3.1. 电流路径
ANPC在每个模态时的零电平换流有多条路径可供选择,根据调制算法的不同分为ANPC-1和ANPC-2以及ANPC-1-00等,三种调制算法的状态表如下所示。
可以看出在ANPC-1中,采用短换流回路进行换流,T2和T3以输出电压基波分量的频率进行开关动作,其余均以开关频率进行开关动作(表中以深灰色标记)。
在ANPC-2中,采用长换流回路进行换流,T2和T3以开关频率进行开关动作,其余均以输出电压基波分量的频率进行开关动作。
ANPC-1-00是在ANPC-1的基础上增加了‘0’状态,此时0+和0-充当P至0和N至0转换时的中间切换态,ANPC-1-00调制算法通过两条并联的换流路径减小了零电平时的导通损耗,以上不同的调制算法会产生不同的损耗分布。
本文主要和大家讨论了三电平逆变器拓扑的优势、常见三电平拓扑的换流路径、损耗分布,后续会针对三电平的双脉冲测试、阻断态均压问题、调制策略等内容和大家讨论,敬请期待。
(作者:Hou Henry,来源:英飞凌工业半导体)
免责声明:本文为转载文章,转载此文目的在于传递更多信息,版权归原作者所有。本文所用视频、图片、文字如涉及作品版权问题,请联系小编进行处理。
推荐阅读:
基于 GaN 的高效率 1.6kW CrM 图腾柱PFC参考设计 TIDA-00961 FAQ




