【导读】车载逆变器(电源转换器、Power Inverter)是一种能够将 DC 12V直流电转换为和市电相同的 AC 220V交流电,提供给一般电器使用,是一种方便的车用电源转换器。
一、前言
车载逆变器(电源转换器、Power Inverter)是一种能够将 DC 12V直流电转换为和市电相同的 AC 220V交流电,提供给一般电器使用,是一种方便的车用电源转换器。
随着汽车产品技术发展进步,汽车拥有的电子技术也在不断提高,以车载逆变器为重要组件的电动汽车、插电混合动力汽车的发展正迅速加快,车载逆变器市场发展前景将会很广阔。车载逆变器的普及速度的提高也促进了MOS管在车载逆变器中的使用。
二、产品应用及工作原理
车载逆变器可以做到20W、40W、80W、120W直到500W的功率规格,应用范围为:手机、笔记本电脑、数码摄像机、照相机、照明灯、电动剃须刀、CD机、游戏机、掌上电脑、电动工具、车载冰箱等 。
一般的车载逆变器主要由逆变桥、滤波电路、控制电路、振荡器等构成,其工作原理是先通过高频PWM (脉宽调制)开关电源技术,将汽车电瓶所提供的12V直流电转换成30kHz-50kHz、220V左右的交流电。然后再利用桥式整流、滤波、脉宽调制及开关功率输出等技术,将30kHz~50kHz、220V左右的交流电转换成50Hz、220V的交流电。
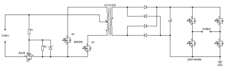
三、产品应用拓扑图
四、 线路选型推荐
针对上图逆变电路的DC-DC升压电路+控制电路(推挽式)和DC-AC逆变电路提供两个系列的MOS方案:
DC-DC升压电路(防反接)+控制电路(推挽式)
在DC-DC升压电路中,选用MOSFET作为开关器件,场效应管所需承受的最大电压约为20-30V左右,选型时MOS管的最大耐受电压应留有余量一般会选择40V以上的MOS。MOS管推荐使用瑞森半导体低压MOS系列,选型如下:

DC-AC逆变电路(全桥PWM控制)
DC-AC逆变电路的主回路采用的是全桥式结构,和开关管并联的二极管起到?;ぷ饔?。MOS管推荐使用瑞森半导体高压MOS系列。瑞森半导体高压MOS系列,超小内阻,结电容适中,散热性能好,高温漏电小,高温电压跌落小,广受市场好评。

免责声明:本文为转载文章,转载此文目的在于传递更多信息,版权归原作者所有。本文所用视频、图片、文字如涉及作品版权问题,请联系小编进行处理。
推荐阅读:





