【导读】碳化硅 (SiC) JFET坚固耐用,具有高能量雪崩和短路耐受额定值,而且值得注意的是,它们在每单位芯片面积的 FOM 导通电阻R DS(on) × A方面击败了所有其他技术,实现了价值接近材料的理论极限(图 1)。这个品质因数直接关系到开关的实际性能及其经济性,与竞争技术相比,每个晶圆的芯片数量更多,性能相当。
碳化硅 (SiC) JFET坚固耐用,具有高能量雪崩和短路耐受额定值,而且值得注意的是,它们在每单位芯片面积的 FOM 导通电阻R DS(on) × A方面击败了所有其他技术,实现了价值接近材料的理论极限(图 1)。这个品质因数直接关系到开关的实际性能及其经济性,与竞争技术相比,每个晶圆的芯片数量更多,性能相当。
图 1: R DS(on) × A的理论极限与开关技术的击穿电压
我们还能做得更好吗?
UnitedSiC (现为 Qorvo)的SiC 共源共栅在许多应用中具有显着优势,但它们还能做得更好吗?该器件包括级联排列的 SiC JFET 和 Si-MOSFET,以实现常关特性。从细节上看,如图 2 所示,形成了一个共源共栅,其中 Si-MOSFET 切换 SiC JFET 的源极,因此当 Si-MOSFET 关闭时,JFET 源极浮动为正,从而关闭 JFET。当 MOSFET 导通时,JFET 栅极和源极有效短路,将其导通。
图 2:SiC FET 的正常共源共栅排列
共源共栅配置通过简单的栅极驱动使部件易于使用,但降低了可控性。共源共栅开关速度主要由 JFET 栅极漏极电容和从 JFET 栅极到 Si-MOSFET 源极的内部串联电阻 R G决定。RG _是预定义的值并且不可访问。Si-MOSFET 栅极对速度的影响有限,因为实际上没有 JFET 漏源电容,否则会通过其自身的栅极漏极电容将电流反馈回 MOSFET 栅极,从而允许使用 MOSFET 栅极电阻器控制转换速率。对于硬开关,转换率控制是通过添加一个外部缓冲器来实现的,这是一个可行的解决方案,几乎没有额外的功耗。UnitedSiC 为级联SiC FET“用户指南”提供了推荐的缓冲器和栅极电阻器值。
级联排列的另一个特点是,当串联的级联形成桥的支路时,存在显着的反向恢复效应。这不是来自寄生体二极管,而是由于续流共源共栅的 JFET 在其栅极电容放电时延迟关闭而导致的短时间传导重叠。结果是反向恢复电荷在很大程度上与温度和电流无关。该恢复电荷直接影响导通开关损耗。
JFET 本身在某些方面会是一个更好的开关,重要的是:转换速率的简单控制、更低的导通电阻和更低的反向恢复电荷。
隔离 SiC JFET 栅极以获得更大的灵活性
对于较低开关频率的应用,更好的安排是将 JFET 栅极引出至外部连接,如图 3 所示。Si-MOSFET 现在可以简单地视为一个“启用”,可用于确保关断启动时或控制电源异常丢失时的状态。
图 3:SiC JFET + Si MOSFET“双栅极”,UnitedSiC(现为 Qorvo)部件
当直接控制 JFET 栅极时,没有漏源电容,输出电容 C OSS实际上是 JFET 栅极漏极电容 C GD,完全由栅极驱动器而不是负载充电。这意味着开关速度可以直接由栅极电阻器控制,并联得到简化。外部缓冲器现在是可选的,可节省空间和成本。当用于桥式电路时,恢复电荷效应来自于对续流 JFET的输出电容 (C GD ) 充电;它的栅极电压不变。因此,反向恢复效应大大降低,随之而来的是 E ON的降低. 关断速度明显低于传统的共源共栅,这在电机驱动和 SSCB/SSR 应用中是理想的,但对于 DC/DC 转换器和其他 SMPS 应用, E OFF损耗可能太大。
第三象限权衡
当电流从源极流向漏极且栅极关闭时,直接驱动的 JFET 在第三象限的功能不同。标准级联通过 Si-MOSFET 体二极管反向传导并导致 JFET 通道导通,从而导致低 V SD:硅二极管压降加上 JFET 导通电阻。对于双栅极部件,如果栅极导通或 JFET 栅极-漏极电压超过其阈值电压,反向电流将流过 JFET?;痪浠八担谇诺缏匪狼奔淠?,V SD将包含一个“拐点电压”,该电压等于栅极被驱动为比阈值电压更负的电压加上 JFET 导通电阻。这可能是几伏。这种死区功率损耗在 10 至 20 kHz 的电机驱动开关中微不足道,与 SSCB/SSR 应用完全无关。对于更高频率的 SMPS 应用,需要添加反并联SiC 二极管。反并联二极管可以很小,因为它只在死区时间内承载峰值电流。
还有更多的收获
到目前为止,我们可以直接控制开关速度并大大减少反向恢复电荷,但还有另一个容易实现的优势。在标准共源共栅中,JFET 通过其栅极被 Si-MOSFET 源极短路而导通。使用双栅极部件,可以将导通电压设置为正一点,进一步增强 JFET 通道,从而使 R DS(on)降低约 15% ,更快的导通,并且对关断没有影响. 在所有工作温度下,JFET 栅极-源极 PN 结的“拐点”下方有一个 2 V 正驱动电压,因此只有很小的栅极电流会流动。该电流大约为几毫安,因此少数载流子注入可以忽略不计。这是实现传导损耗显着降低的简单方法。
正栅极驱动还有另一个好处:JFET 栅极-源极二极管压降可用作实时片上温度测量的温度敏感参数。例如,-3.22 mV/°C 是UnitedSiC Gen 3 1200 V JFET的线性 V GS温度系数。因此,可以通过测量导通状态下的栅极-源极电压和栅极电流来直接检测芯片温度。
一种更简单的确定管芯温度的方法是测量 Si-MOSFET 的栅极漏电流。但是请注意,由于部件之间的差异,这需要校准。与 JFET V GS一样,MOSFET 栅极泄漏(很?。┯胛露戎苯酉喙?。通过将 Si-MOSFET 芯片堆叠在 JFET 芯片的顶部,它可以准确测量 MOSFET 和 JFET 的温度。Si-MOSFET 通常保持导通状态,因此使用差分放大器测量其栅极电阻两端的静态电压是感测温度的一种简单方法。
实际电路说明了该技术
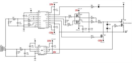
驱动 JFET 的栅极可能看起来不熟悉,关断状态需要负电压,导通状态需要 ≥ 0 伏,但实际上它与驱动硅或 SiC MOSFET 非常相似,它们通常被驱动为负电压(图 4)。
图 4:直接与标准驱动器和缓冲器连接到级联 JFET 门
在该电路中,的附加元件是缓冲器 Q1,它将标准驱动器 U1 的导通状态输出从例如 +15 V 电平转换为通过稳压器提供的 +2 V。Q1 中较低的 MOSFET 是可选的——所示的驱动器 IC 具有可直接使用的断态输出,但 U1 中的 MOSFET 提供增加的电流容量,这对于并联设备可能很有用。双栅极部分的 Si-MOSFET 由另一个隔离驱动器控制。在直流链路通电但驱动器断电的情况下,齐纳二极管 D2 和 D3 确保 JFET 恢复级联操作并保持关闭状态。传统的 DESAT 检测通常包含在驱动器中,这可以通过原理图中的 R4 和 D1 使用 JFET 来实现。
免责声明:本文为转载文章,转载此文目的在于传递更多信息,版权归原作者所有。本文所用视频、图片、文字如涉及作品版权问题,请联系小编进行处理。
推荐阅读:
瑞萨电子将与Fixstars联合开发工具套件用于优化R-Car SoC




