桃花源qm花论坛(品茶),凤楼阁论坛官网入口网址,一品楼品凤楼论坛最新动态,风楼阁全国信息2024登录入口

使用双栅极配置的 SiC FET 进行电路?;?/h2>

发布时间:2022-01-07 责任编辑:lina

【导读】近年来,人们对固态断路器和固态功率控制器的兴趣越来越浓厚。鉴于SiC JFET在高额定电压下具有低开态电阻而且它在需要时进行限流的能力毫不逊色,它们一直被视为此应用的理想器件。我们调查了常关型SiC FET在双栅极结构中的使用情况,以简化大电流直流断路器和交流断路器的开发。


近年来,人们对固态断路器和固态功率控制器的兴趣越来越浓厚。鉴于SiC JFET在高额定电压下具有低开态电阻而且它在需要时进行限流的能力毫不逊色,它们一直被视为此应用的理想器件。我们调查了常关型SiC FET在双栅极结构中的使用情况,以简化大电流直流断路器和交流断路器的开发。


有许多研究对固态断路器的优势进行了探索,它们可以大致分为混合断路器和没有机械部件的完全固态断路器。本文重点介绍固态断路器。表1展现了在与现有机电断路器和继电器比较时,固态断路器的优势和劣势概览。固态断路器的已知重要优势是能够在1纳秒/微秒内中断电流,而机电断路器需要的时间为毫秒级。在中断内阻抗非常低的电力来源时,例如电动车电池,这一优势会变得越来越宝贵。它还可以用于中断直流电路,而无需周全的电弧防止措施。没有移动部件和接触降级的特点使其能在进行现场更换前执行更多周期的故障防护。然而,固态断路器的电阻比机械接触高,从而使其成本与电流比要高得多。对于基本单极器件,由于半导体的额定电压变高,在相同面积的所用材料下,电阻会随着V2或V2.5一起增加。由于断路器电压级的升高,这会直接影响成本。


使用双栅极配置的 SiC FET 进行电路?;? width=

表1:固态断路器与机电断路器的特征比较


为什么用SiC进行电路?;?/p>


固态?;さ缏返闹饕δ苁窃诳乱跃】赡苄〉牡缱杷鸷拇嫉缌?,并能够在系统控制器建议中断电流时中断电流。在不到600 V的低压下,硅MOSFET的电阻低,是打造断路器、继电器和电子保险丝的成本经济的选择,而且已经应用于48V电池系统。一旦所需的电压超过600 V,即使超结(SJ)MOSFET等先进的硅技术的电阻也会过高。IGBT虽然能够提供非常低的微分阻抗,但是在其导电特征中有拐点,从而使导电过程中的功率损耗过高,这反过来导致需要去除更多热量。在电压超过3000 V时,则使用IGCT实施断路器。


图1显示的是硅SJ MOSFET、GaN FET、SiC MOSFET和基于SiC-JFET的SiC FET的具体导通电阻。应该很明显的一个事实是,在从600至2000 V的大电压范围内,SiC FET能在单位面积内实现极低的电阻。这允许人们开发出导电损耗极低、极为小巧和经济高效的固态断路器。在散热受限的应用中,它们会非常有用。所有SiC器件也都能够承受很高的瞬时升温(例如在短路事件中),这一特点在处理四倍于硅器件的单位面积能量时十分有用。这是因为宽带隙会导致需要高得多的温度才能通过热量生产足够的载波子,从而降低开关的电压闭锁能力。4H-SiC的导热系数比GaN或基于Si的器件高三倍,允许高效散热,从而允许在更高的电流密度下运行。


使用双栅极配置的 SiC FET 进行电路?;? width=

图1:比较多种半导体的具体导通电阻与电压


基于SiC的电路?;さ闹饕τ?/p>


鉴于固态电路保护的成本普遍较高,它很可能用于速度、可控性、可靠性和重量轻这几个特征比成本溢价要重要的情况。这是典型的新技术,而且由于总是会随着技术(尤其是SiC)的成熟和扩展出现的成本降低,它的应用领域会更广。


鉴于直流电力来源(太阳能、电动车电池、能量存储等)和直流负载的迅速增长,直流断路器领域正在考察需要使用750 V – 1200 V FET的基于SiC的断路器。在电动车、船、飞机应用中,需要非常低的导电损耗,且电弧闪光带来了安全隐患,因此固态断路器是一个好解决方案。固态解决方案的能力是快速中断短路事件,不让电流上升到5 kA或10 kA以上,这一能力十分宝贵。在保护层级中,可以在主断路器和下游断路器之间实现更快的协调。


大功率交流断路器也能从固态解决方案的使用中获益,这主要是因为现在可以使用与机械接触相媲美的1200 V SiC FET来实现导通电阻,且整体解决方案可以大幅简化现场维护。固态开关直接带来的快速电流中断和浪涌电流限制能改进功能,从而带来更多价值。


家居空间中的交流断路器可以利用SiC器件无与伦比的低导电损耗,以便在除了传统负载外的使用太阳能电池板、能量存储和电动车的新兴环境中实现智能解决方案来管理能量。尽量降低生成的热量可实现具有成本效益的断路器面板,而不需要任何风扇来冷却。


除了固态断路器外,这些器件还用于构造固态功率控制器,它可在船和飞机上的多个发电来源与负载之间调节受管理的功率流。像故障电流一样,浪涌电流也能得到有效控控制。


固态断路器在铁路牵引中也能发挥作用,能促进更好地管理接触网与系统功率电子器件之间的更快的故障响应。这可以帮助降低下游功率电子器件的体积、重量和成本。系统可靠性和寿命也能受益。


在一系列新兴应用中,SiC JFET被用作双向限流开关、自供电断路器和超共源共栅高压断路器。


在功能安全方面,对于即使失去栅极功率,晶体管保持开态也有好处的应用,??蚐iC JFET是十分有用的器件??煽悸窃诟哐共嗍褂贸9匦推骷诘脱共嗍褂贸?蚃FET的全桥整流器。此桥仍然存在,作为到输入侧的常关器件,但是由于低压侧JFET可以在两个都打开时让输出短接,它们可以在失去控制力时作为分流器。此种方法可以改进电动机逆变器的设计,在该应用中简单地使用??骷魑脱共郌ET可以简化功能安全性的管理。


在上述所有领域,固态解决方案监视其运行状况的能力以及允许轻松按计划维护而不是在故障后再维修的能力都是显著优势,而事实表明双栅极SiC FET提供了这方面的最佳选项。


JFET、SiC FET和双栅极SiC FET结构


图2比较了SiC MOSFET和SiC JFET的基本结构。图1中表明了SiC JFET具有较低的单位面积导通电阻,这要归功于无低迁移沟道和无需?;ふぱ趸忝馐芮看懦∮跋欤看懦⌒枰郊悠帘?,而这会增加导通电阻。然而,JFET是??推骷舜蛟斐9匦推骷?,可以将低压硅MOSFET与SiC JFET以共源共栅结构串联,如图2所示,这可使RDS(on)增加5 – 15%。这个串联连接的器件可以配置为基本共源共栅结构,也就是SiC FET,也可以配置为双栅极器件,让低压MOSFET和SiC JFET的栅极都可以从外部接触到。


使用双栅极配置的 SiC FET 进行电路?;? width=

图2:JFET中的低沟道电阻导致的SiC MOSFET和SiC FET的电阻差异


使用双栅极配置的 SiC FET 进行电路?;? width=

图3:基于SiC JFET的器件的结构


在图3中,左侧的图显示的是与传统MOSFET一样采用TO-247封装的SiC JFET。中间的图显示的是如何在高压SiC JFET晶粒的源极垫上堆叠低压MOSFET以形成SiC FET共源共栅结构。在封装内,SiC JFET的栅极连接到低压MOSFET的源极,构成了完整的共源共栅连接。该器件可以像常关型MOSFET一样使用。右侧的图显示的是如何在相同的TO-247-4L封装中让MOSFET栅极和JFET栅极外露,便于用户控制。这被称为双栅极FET(DG FET)。在图内示例中,1200 V JFET在VGS = 2 V时的电阻为7 m?,在VGS = 0 V时的电阻为8 m?。SiC FET中,在开态下,该JFET运行时的VGS接近0 V。器件电阻为9 m?,其中1 m?是由低压MOSFET带来的。在右侧的双栅极器件中,在开态下,MOSFET打开,而且由于JFET可以在栅极电压为2至2.5 V时运行,其电阻会降至7 m?,而复合器件的电阻降至8 m?。这一开态行为如图4所示。


使用双栅极配置的 SiC FET 进行电路?;? width=

图4:VGS = 2 V与VGS = 0 V相比电阻较低,可用于1200 V双栅极FET


图5以温度函数的形式显示了1 mA下JFET的VGS的行为,相当于感知了栅源SiC PN结的膝点电压。在器件打开时,栅极驱动电路可以感知该电压,进而直接决定TJ。这种感知的TJ方法远比感知VDS(on) = (ID ? RDS(on))要准确。各个器件的小电流膝点电压差异不大,因为它不受许多会导致RDS(on)变化的过程因素的影响。在将温度感知二极管集成到SiC芯片时,它的速度和准确性也都很出色。最后,在功率模块中使用NTC感知温度和/或感知控制集成电路的TJ无法与这种JFET VGS感知方法能实现的必要响应速度和准确性相比。


使用双栅极配置的 SiC FET 进行电路保护

图5:使用SiCJFET的开态VGS监视其结温


在已知运行条件下的JFET TJ变化可以与检查正常运行条件下器件老化的基准进行对比。TJ过高可能标志着使用寿命即将终止,让您可以在发生严重故障前更换。因为TJ响应速度达到微秒级,十分准确,所以还可以在瞬时事件中监视芯片升温,从而在开关损坏前关闭,例如在断路器激活时。


在简单的4端子DG FET中,低压FET中的开态压降会影响外部测量的VGS,因此必须进行校正才能得到结温。在引脚数较大的封装中,可以直接使用JFET源极电势来提高提取的TJ的准确性。也可以将DG FET作为两个分立器件,并带一个RDS(on)超低的逻辑电平SMT分立FET,而这可让您直接接触JFET栅极和源极。


使用双栅极配置的 SiC FET 进行电路保护

图6:固态断路器(功率元件)的电路结构


固态断路器


固态断路器常用的电路实施如图6所示。两个开关以共源极结构连接,提供双向电压闭锁和电流。跨单个FET或一对FET使用RC缓冲电路(Rs,Cs)。瞬时电压抑制器件(MOV,TVS)跨晶体管放置,用来吸收线路和负载电感在切断电流时产生的电感能量。这种电路结构可以用于许多应用。例如,在电动出行应用中,可使用此电路代替直流隔离开关。因为所有电池能量都经过固态开关,所以额定值为500 - 1500 A,1200 V的断路器需要不到1m?的电阻。这需要将许多器件并联,而使用RDS(on)超低的器件可简化这一任务。


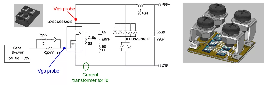
图7显示的实验装置可用于证实并联双栅极SiC FET和中断大故障电流的能力。三个TO247-4L器件并联,每个都是9 m?,1200 V,整体开关电阻为3 m?。


使用双栅极配置的 SiC FET 进行电路?;? width=

图7:固态断路器测试电路示意图,其中的开关由三个双栅极SiCFET并联构成。SiC肖特基二极管D1-D4(UJ3D065200K3S)用作TVS(而不是MOV),以在关闭瞬间?;た?。


使用双栅极配置的 SiC FET 进行电路?;? width=

左-图8:1200 V双栅极器件中的RDS(on)与温度的关系

右-图9:1200 V双栅极器件中的Vth与温度的关系


图8表明器件导通电阻具有正温度系数,确保在器件打开时可以很好地分担电流。这些器件与标准MOSFET一同运行,如在本测试中的-5至15 V栅极驱动下,但是也可以使用0至12 V的单极栅极驱动。在每个MOSFET和JFET栅极处都设有一个5 ?电阻以协助开关期间的并联运行。这个5 ? JFET RG会让开关关闭放缓。由于该电阻比JFET的固有栅极电阻大很多,它可帮助设置共源共栅的关闭速度,让三个并联器件的开关行为匹配??缑扛銎骷胖靡桓鯮C缓冲电路,因为这种结构可以尽量减小缓冲电路和开关之间存在的杂散电感。JFET Vth随温度发生的轻微变化(图9)对确保在开关瞬间实现出色的电流分担也十分重要。


图10表明的是三个并联FET的测量得到的关闭行为。总线电压为400 V,TVS夹钳是使用200 A,650 V SiC肖特基二极管UJ3D065200K3S创建的,该二极管可以吸收用于刺激线路电感的大小为2 μH电感的雪崩能量。在1000 A下,该能量为1 J,因此可以将三个此类二极管并联以提供足够的裕度。栅极脉冲VGS用于让电流在10 μs内渐变至1150 A,然后关闭。由于2 μH电感器中持续存在电流,器件电压上升的速度取决于开关速度(在此情况下,由JFET的RG决定),并且要使用缓冲电路。一旦器件达到由TVS二极管击穿决定的钳位电压,电流就会传输至TVS二极管。如果采用这种布置,三个TO-247器件可以平稳关闭1150 A电流,如图10所示。请注意,SiC FET中的电流会在不到500 ns的时间内中断,然后传输至雪崩的TVS阵列。电流返回至零的5 μs持续时间是由峰值电流决定的,而下降的斜率则由BV(TVS)/L1决定。VDS波形中的短暂电压峰值是开关关闭时相对较快的di/dt以及器件和TVS二极管之间的杂散电感导致的。这可以通过降低关闭速度和/或调整RC缓冲电路来进一步缓和。


使用双栅极配置的 SiC FET 进行电路?;? width=

图10:在图7所示的测试电路中,三个并联1200 V双栅极器件在1150 A下测量得到的关闭瞬态波形。TVS钳位电压约为900 V。


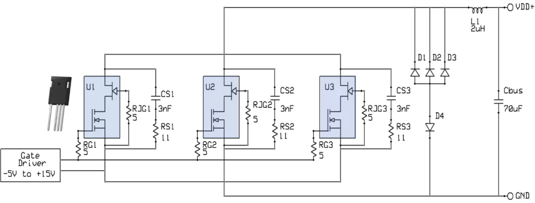
图11将双栅极器件适宜性研究扩展到了SOT-227封装中的2 m?,1200 V??槟?,该??槟诠灿?个此类器件并联??梢允褂靡桓?2 ?电阻降低共源共栅结构的开关速度,且器件配有一个11 ?,20 nF的缓冲电路。为了方便进行电流较大的测试,线路电感器降低至0.4 μH,并使用五个并联的200 A,650 V二极管作为TVS。图12显示的是测试得到的波形,此时,??橛糜谥卸?950 A的峰值电流。VDS波形中的电压峰值可以通过使用22 ?电阻调整JFET关闭和使用较大的RC缓冲电路来消除。


使用双栅极配置的 SiC FET 进行电路保护

图11:固态断路器测试电路示意图,其中的开关是由SOT-227封装中的双栅极??橛肓霾⒘? m?,1200 V器件构成的。它与封装寄生元件一起形成了2.2 m?,1200 V且额定值大于300 A的器件。


商业应用


当然,完整的固态断路器实施会使用两个此类开关并让它们以共源极结构相连。为了应对较大的电流,人们正在开发使用更多并联器件的???。虽然在这些示例中,在共源共栅形式下使用双栅极器件是由标准硅MOSFET/IGBT栅极驱动器来驱动的,但是更为复杂的实施可以使用低压MOSFET作为启动开关直接驱动SiC JFET的栅极。这可以支持SIC JFET实现极低的导电损耗,还可以支持结温感知能力。堆叠在JFET上的电流感知低压MOSFET可以消除对昂贵的外部电流感知方式的需求。


SiC晶体管可以处理大量雪崩能量,最高可达给定面积的硅的4倍。然而,随着线路电感和电流增加,吸收SiC器件中的所有雪崩应力变得无法实现,从而导致需要使用并联MOV器件。因此,固态断路器解决方案的成本将取决于SiC开关和所用MOV的成本。MOV的钳制特性使其电阻要高得多,因此峰值电压会比在这些演示中使用SiC TVS二极管时要高得多。MOV的大小经过调整可让峰值电压低于SiC器件的额定击穿电压,如果SiC组件的额定电压降低,则此MOV必须更大。在本文的示例中,总线电压位于400 – 600 V范围内,MOV让峰值电压保持在1200 V 以下以应对最糟糕的关闭电流,从而允许使用1200 V的SiC器件。理论上,可以将峰值电压控制在1500 – 1700 V的成本较低的MOV可能要求使用1700 V器件,而这会让SiC解决方案的成本提高接近一倍?;谎灾琒iC的成本和MOV的成本与体积之间存在此消彼长的情况,这种逐渐变化伴随着断路器必须承受的最糟糕的能量。在某些应用中,最终的体积和重量方面的考虑会限制断路器的大小,导致需要额定电压高且更昂贵的SiC断路器。


使用双栅极配置的 SiC FET 进行电路保护

图12:在图11所示的测试电路中,1200 V双栅极模块在1950 A下测得的关闭瞬态波形。TVS夹钳电压约为900 V。


随着SiC器件采用量的提高,它的成本在迅速降低,市场预测SiC器件的情况时大部分目光都集中在电动车细分市场的可能增长上。预计未来几年内,产量驱动的效率会将SiC晶圆的成本降低一半。预测中的SiC JFET技术的提升将会稳步降低RDSA,还将与产量带来的效率一起将成本降到新低。图13中显示了这些因素以及预测的SiC收入增长(来源:IHS Markit)。当前的大部分预测没有计入大规模采用固态断路器会带来的影响,这大概是由于固态断路器与机电断路器的成本差异造成的。如果确实所有电池电量都要经过固态断路器,则仅电动车中采用的固态断路器就会让预测的市场规模翻倍。如果将这种逻辑推广到第三节中讨论的其他应用领域,则即使生产和使用的直流电中只有一小部分经过固态断路器和控制器,市场潜力也会是图13预想中的几倍。


使用双栅极配置的 SiC FET 进行电路保护

图13:预测的SiC收入增长,SiC晶圆成本的演变和技术进步(RDSA降低)。固态断路器可能会在二十一世纪二十年代的后五年内让SiC市场翻倍。


结论


使用600 – 1200 V级半导体的固态断路器可能正在接近其采用量的引爆点。鉴于SiC器件可以提供的低RDSA,它们格外适合这个电压级,且事实表明,基于SiC JFET的解决方案在这方面表现出色。电动车和其他应用领域的SiC整体市场的增长正在形成一个良性循环,促使成本降低。技术进步正在迅速降低SiC FET的RDSA,而且这种趋势还会在未来几年内继续发展,使得RDSA再降低二分之一到三分之二。这些不断自我强化的趋势将推动固态断路器的成本效益的提高以及后续采用。对断路器的所有系统级优势的了解和探索固态、这些器件提供的有助于监视降级情况的度量方法的能力,以及工业4.0现在显现出来的趋势都表明,固态电路?;ち煊蚣唇⑸卮蟊涓?。

(来源:UnitedSiC)



免责声明:本文为转载文章,转载此文目的在于传递更多信息,版权归原作者所有。本文所用视频、图片、文字如涉及作品版权问题,请电话或者邮箱editor@52solution.com联系小编进行侵删。


推荐阅读:

有趣的光耦振荡器

使用 MEMS 传感器的跌倒检测系统

峰值功率与平均功率 — 如何选择合适的转换器

2022广州(粤港澳大湾区)智慧交通产业博览会暨创新发展论坛

特别推荐
技术文章更多>>
技术白皮书下载更多>>
热门搜索

关闭

?

关闭