【导读】随着电流系统的发展,在如今的电力系统当中,电流互感器得到了广泛的应用,特别是电磁式电流互感器,其工作原理与变压器类似,都是通过运用电磁感应的的原理从而进行工作。根据磁动势平衡的原理,铁心2的一个与二次的激磁按匝相同,通过匝数比实现电流的变换。
随着电流系统的发展,在如今的电力系统当中,电流互感器得到了广泛的应用,特别是电磁式电流互感器,其工作原理与变压器类似,都是通过运用电磁感应的的原理从而进行工作。根据磁动势平衡的原理,铁心2的一个与二次的激磁按匝相同,通过匝数比实现电流的变换。
电流互感器在工频测量领域有着非常悠久的历史,到目前为止已经发展成非常成熟的产品。电流互感器不论是适用性还是jing度指标方面已经完全适应当今的工频测量,电流互感器的接线图也相对比较简单,只要稍加注意,在实际使用中就可以得到很好应用。
一相式接线
该接线方式电流线圈通过的电流,反应—次电路相应相的电流。通常用于负荷平衡的三相电路如低压动力线路中,供测量电流、电能或接过 负荷?;ぷ爸弥?。

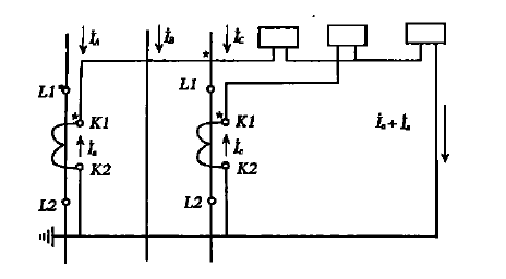
两相V形接线
该接线方式也称为两相不完全星形接线。在继电?;ぷ爸弥谐莆较嗔郊痰缙鹘酉摺T谥行缘悴唤拥氐娜嗳咧频缏分?,广泛用于测量三相电流、电能及作过电流继电?;ぶ谩A絍形接线的公共线上的电流反映的是未接电流互感器那一相的相电流。

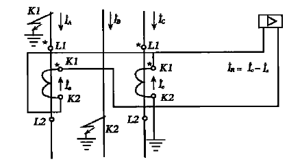
两相电流差接线
在继电保护装置中,此接线也称为两相一继电器接线。该接线方式适于中性点不接地的三相三线制电路中作过电流继电?;ぶ?。该接线方式电流互感器二次侧公共线上的电流量值为相电流的1.73(根号三,注:可 能前面显示不出)倍。也仅用于三相三线制电路中,中性点不接地,也无中性线,这种接线的优点是不但节省一块电流互感器,而且也可以用一块继电器反映三相电路中的各种相间短路故障,亦即用少的继电器完成三相过电流?;?,节省投资。但故障形式不同时,其灵敏度不同。这种接线方式常用于 10kV 及以下的配电网作相间短路?;?。由于此种?;ち槊舳鹊停执丫苌儆昧?。

三相星形接线
这种接线方式中的三个电流线圈,正好反映各相的电流。广泛用在负荷一般不平衡的i相四线制系统中,也用在负荷可能不平衡的三相三线制系统中,作三相电流、电能测量 及过电流继电?;ぶ?。

(来源:维库电子市场网)
免责声明:本文为转载文章,转载此文目的在于传递更多信息,版权归原作者所有。本文所用视频、图片、文字如涉及作品版权问题,请电话或者邮箱editor@52solution.com联系小编进行侵删。
推荐阅读:




