【导读】对于许多设计人员来说,反激拓扑是低性能、低效率和差的交叉调节的同义词。为了充分发挥这种拓扑的潜力,需要很好地理解它的许多不那么明显的微妙之处。本篇文章主要先介绍反激变换器基础知识回顾。
对于许多设计人员来说,反激拓扑是低性能、低效率和差的交叉调节的同义词。为了充分发挥这种拓扑的潜力,需要很好地理解它的许多不那么明显的微妙之处。本篇文章主要先介绍反激变换器基础知识回顾。
一、能量传输
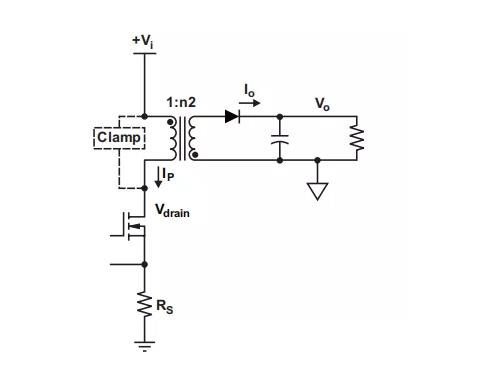
反激式转换器首先在主电源开关打开时将能量从输入源存储到变压器中。当开关关闭时,变压器电压反转,正向偏置输出捕捉二极管并将能量输送到输出。
对于反激式拓扑,输出可以是正的或负的(由变压器极性点定义)。有两种基本的能量传输工作模式。第一种是连续导通模式 (CCM),当下一个导通周期开始时,存储在反激变压器中的部分能量仍保留在变压器中。第二种模式是非连续导通模式 (DCM),其中存储在变压器中的所有能量在关断期间转移到负载。临界导通模式 (CRM) 是第三种模式,也称为过渡模式 (TM),它正好位于 DCM 和 CCM 之间的边界处,发生在开关周期结束时存储的能量刚好为零时。


图1 CCM

DCM

图2 TM
图1和2图示了CCM、DCM和TM工作模式。图 3 说明了 CCM 和 DCM 工作时的电流。

图3
DCM 工作时,当初级 MOSFET 导通时,初级电流从零开始并上升到峰值,该峰值可能是可比 CCM 应用中峰值电流的两倍以上。关断时,安匝数转移到次级,次级电流降至零,并一直保持到下一个开关周期的开始。为 DCM 工作设计的反激变压器需要比为 CCM 工作设计的反激变压器更小的电感值,因为电流纹波 (ΔIL) 要高得多。在某些应用中,较低的电感可能会导致体积较小的变压器;假设效率和热性能仍然可以接受。
TM 模式与 DCM 类似,不同之处在于初级 MOSFET 在漏极电压处于其最低电平时导通。这种时序提供了最小的导通损耗和更高效的工作,但是,开关频率是可变的。
采用 CCM 时,电感值较大,电流和磁场的纹波分量相对较小。以下限制是可接受的初级峰值电流的良好工作折衷。

这也可用于定义效率和变压器尺寸之间的适当权衡。忽略初级 MOSFET 导通时的损耗(见图 1),初级电流以定义为的速率增加

其中 Vi 是输入电压,L 是在变压器初级处测得的电感值,IL 是流经初级的电流(见图 1 中的 IP),TS 是一个开关周期的时间段。
遵循相同的假设,当初级 MOSFET 关闭且变压器电流已转移到其次级绕组时,次级电流以公式 (2) 定义的速率下降,除非它变得不连续:

其中 Vo 是输出电压,n2 = N2/N1,ILS 是次级磁化电流(见图 2 中的 Io)。
请注意,变压器的初级侧和次级侧之间的耦合是不完美的,因为它们之间存在漏电感。在初级到次级的换向过程中,泄漏能量不能直接转移到次级,因此必须被吸收。如果没有一个钳位电路,唯一的路径的泄漏电感电流可以流通是通过充电MOSFET的寄生的漏极至源极电容。如果不采取预防措施,MOSFET 开关可能会被电压击穿损坏。图 3 显示了一个通用钳位电路示例。后面我们会介绍钳位电路相关内容。
请注意在 CCM、DCM 和 TM 中变压器每一侧的电流的不连续特性。与降压或升压等其他无变压器拓扑相比,这是一个根本区别。变压器两侧的高纹波电流直接影响输出电压纹波、效率和差模传导 EMI。
此外,尽管变压器两侧存在电流不连续性,但在 CCM 下运行通常比在 DCM 下运行会产生更好的效率。 DCM 中较高的 rms 电流是支持这一事实的一个原因,因为这意味着 MOSFET、初级和次级电容器以及初级钳位的耗散更高。然而,由于 DCM 操作的电感值较低,因此物理尺寸相同的变压器在 DCM 操作中的传导损耗可能比设计用于 CCM 操作的变压器要小,即使其 rms 电流更高。在某些交流线路应用和操作条件下,TM 操作可能能够提供与 CCM 相似甚至更好的效率??悸堑酱懦〉拇蠼涣鞣至浚?DCM(和 TM)下运行时还必须考虑磁芯损耗。CCM 操作通常对应于较低的交流磁??;因此,设计变压器时的主要限制是磁芯饱和而不是磁芯损耗。
在 DCM 中,传输的能量由导通时间、输入电压和电感值决定。在每个循环中总是有一个完整的能量转移,定义为:

其中 PDCM 是 DCM 中的负载功率,L 是在变压器初级测得的电感值,D 是控制开关占空比,而 Freq 是开关频率。
这也意味着在 DCM 中,以下占空比公式取决于负载电流和输入电压:

相反,在 CCM 中,占空比方程为:

二、控制方面
反激拓扑的特点之一是能量仅在控制开关关断期间传递给负载;在 ON 时间内任何控制动作的效果都会延迟到下一次开关关闭。例如,为了响应导致输出电压降低的负载阶跃增加,控制器增加导通时间以增加变压器中存储的能量。增加 ON 时间实际上减少了 OFF 时间。如果有 CCM 模式,在最初的几个周期中传递给负载的能量减少,初始反应导致更大的输出电压降。只有在来自较长导通时间的能量在几个周期内转移到负载后才能恢复到调节状态。在小信号分析建模中,这种状态被称为右半平面零 (RHPZ)。对于 RHPZ,相位随着增益的增加而减小,在定义控制环路补偿时必须考虑这一点。

图4 输入电压和负载电流对 RHPZ 频率影响的示例
图 4 说明了输入电压和输出负载电流对 RHPZ 频率的影响。有关 RHPZ 的转换器的一般规则是在最低输入线电压和最大负载下进行设计,将控制反馈环路的带宽限制在 RHPZ 频率的五分之一左右。RHPZ 方程为:

即使在 DCM 模式中,RHPZ 也存在,但通常不是问题,DCM模式中通常超过开关频率的一半。
控制反激拓扑操作的两种最流行的方法是电压模式控制 (VMC) 和峰值电流模式控制 (CMC)。CMC 使用磁化电流来定义占空比,而 VMC 不使用。在 CCM 下运行时,由于变压器的电感和输出电容器,使用 VMC 的设计具有相对低频的双极点。因此,它比峰值 CMC 更难补偿,它基本上由驱动相同电容器的电流源组成。相反,当在 CCM 下运行时使用峰值 CMC 时,必须进行斜率补偿以避免当工作占空比超过甚至接近 50% 时出现次谐波振荡。 这通常是通过向电流反馈信号添加外部斜坡来实现的,从而创建复合信号。
综上,我们对反激变换器的模式进行了对比分析。

对于几种模式中的相关技术点,我们在后文会详细论述。
(来源:电源网星球号,作者:electronicLee)
免责声明:本文为转载文章,转载此文目的在于传递更多信息,版权归原作者所有。本文所用视频、图片、文字如涉及作品版权问题,请电话或者邮箱editor@52solution.com联系小编进行侵删。
推荐阅读:





