桃花源qm花论坛(品茶),凤楼阁论坛官网入口网址,一品楼品凤楼论坛最新动态,风楼阁全国信息2024登录入口

你的位置:首页 > 电路保护 > 正文

如何在不破坏背板数据转换的情况下把I/O卡插入带电的背板上呢?

发布时间:2021-11-24 来源:亚德诺半导体 责任编辑:lina

【导读】随著服务器系统的增长,包含控制电路以用来监视服务器的输入/输出(I/O)卡数量和复杂程度也同比增长。零停机时间系统要求用户将I/O卡插入带电的背板。虽然许多IC供应商已经开发出能够安全对电源和地线进行热插拔(Hot SwapTM)的芯片,但是迄今为止,仍没有一个能在I2CTM和SMBus系统中实现系统数据(SDA)和系统时钟(SCL)线“热插拔”的单片解决方案。


由于每个I/O卡的SDA和SCL电容直接加到这些系统的背板中,因此系统的扩展使得上升和下降时间指标难以满足。LTC4300-1允许用户在不破坏背板数据转换的情况下把I/O卡插入带电的背板上,它同时提供双向的缓冲,并隔离背板和卡上的电容。


图1给出了一个LTC4300- 1安全热插拔SDA和SCL线的应用。LTC4300位于外围设备卡的边缘,ScLOUT管脚与卡的SCL总线相连,而SDAOUT管脚与卡的SDA总线相连。当卡通过长短针位连接器插入带电背板时,地先连接上,然后才接上VCC。


如何在不破坏背板数据转换的情况下把I/O卡插入带电的背板上呢?

图1:采用LTC4300-1热插拔SDA和SCL线


VCC和地连接后, SDAIN和SCLIN与背板的SDA和SCL线连接。此时,电压为1V的预充电电路工作,并强迫IV电压通过100k标称电阻至低电容(小于10pF)SDA和SCL管脚,使得连接时所看到的最坏电压差最小化。预充电和低电容特性使背板SDA和SCL总线在热插拔期间干扰最小。


在卡插入期间,SDA背板总线和LTC4300-1 SDAIN管脚上的电压如图2所示。接地的1 00pF电容器尽力赶上相当于SDA总线的电容。在刚插入前,LTC4300-1的SDAIN管脚被预充电到1V,而SDA总线背板电压接近4V。由于SDAIN管脚的高阻抗和低电容,该管脚上的电压在插入时上升到背板电压,因此背板电压几乎没有受到影响,这时两个信号短接在一起。


如何在不破坏背板数据转换的情况下把I/O卡插入带电的背板上呢?

图2:LTC4300-1的SDAIN管脚连接背板SDA总线


一旦总线没有与卡连接的背板有停止位或总线空闲出现,LTC4300-1使预充电电路停止工作,激活输入至输出连接电路,使背板SDA和SCL总线与卡上的电路相连。


容量缓冲与上升时间加速器特性


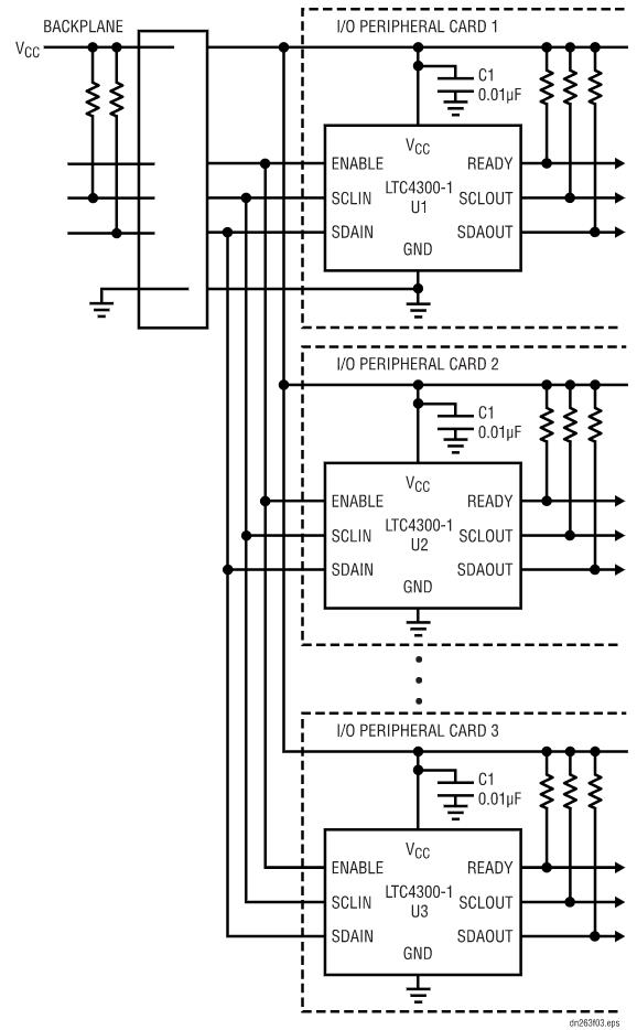
输入至输出连接电路的关键特性是提供双向缓冲,图3是利用该特性的一个应用。如果1/O卡直接连接到背板上,所有背板和卡上的电容将直接相加,难以满足上升和下降时间要求。将LTC4300-1置于每个卡的边缘,但从背板隔离卡电容。对于给定的1/0卡,LTC4300-1驱动卡上电容,背板必须只驱动LTC4300-1的低电容。LTC4300-1通过提供位于所有四个SDA和SCL管脚的上升时间加速器电路,进一步满足系统上升时间要求。图4示出了加速器为10pF和100pF等同总线电容提供的改善上升时间。


如何在不破坏背板数据转换的情况下把I/O卡插入带电的背板上呢?

图3:多个I/O卡插到一块背板中


如何在不破坏背板数据转换的情况下把I/O卡插入带电的背板上呢?

图4:在10pF和100pF上拉电容的上升时间加速器


结论


LTC4300-1允许用户不在破坏双总线系统的背板SDA和SCL信号情况下,将I/O卡插入带电的背板中。另外,连接电路提供双向缓冲,隔离背板与卡电容上升时间加速器电路加以提供帮助从而满足上升时间要求。

(来源:亚德诺半导体)


免责声明:本文为转载文章,转载此文目的在于传递更多信息,版权归原作者所有。本文所用视频、图片、文字如涉及作品版权问题,请电话或者邮箱editor@52solution.com联系小编进行侵删。


推荐阅读:

【干货分享】6种延时电路原理

克服过热问题,维持快速充电时间,这款线性电池充电器你爱了没?

4个MOS管驱动的全桥电路原理

e络盟发布新一期Raspberry Pi音频制作电子书

双向DC-DC转换器的设计与分析

特别推荐
技术文章更多>>
技术白皮书下载更多>>
热门搜索

关闭

?

关闭