【导读】模拟信号是指用连续变化的物理量表示的信息,其信号的幅度,或频率,或相位均随时间作连续变化,如广播电视中的声音信号,或图像信号等。处理模拟信号的电子电路称为模拟电路。模拟电路主要包括放大电路、振荡电路和电源电路等。
模拟信号是指用连续变化的物理量表示的信息,其信号的幅度,或频率,或相位均随时间作连续变化,如广播电视中的声音信号,或图像信号等。处理模拟信号的电子电路称为模拟电路。模拟电路主要包括放大电路、振荡电路和电源电路等。初学者在掌握电子电路故障检测的方法后,还应熟悉和掌握各种单元电路故障的检测。小信号放大电路的作用是把微弱的电信号不失真地转变为较强的电信号,一般位于电子电器的前级,分析小信号放大电路主要考虑电压增益和是否失真。
小信号放大电路故障的检测
一、低频小信号放大电路
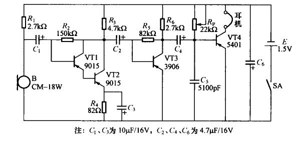
图1是利用分立元件制作助听器的电路原理图,是比较典型的小信号低频放大电路。图1中,三极管VT1、VT2及电阻R2、R3等,组成高增益话筒前置放大电路。由拾音器B拾取来的微弱语音信号,经电容C1耦合至前置放大电路,被三极管VT1、VT2放大后的语音信号,再次被三极管VT3、VT4逐级放大。这样被放大的语音信号,足以推动8Ω耳塞机发出响亮的声音,使用者戴上耳塞机后即可起到助听作用。

图1利用分立元件制作助听器的电路原理图
图1中R2、R3、R4是VT1、VT2的直流偏置电阻,R5、R6是VT3的直流偏置电阻,RP和耳机内阻是VT4的直流偏置电阻,如果其中任一电阻损坏,均会使对应三极管的静态工作点发生变化,使放大电路出现信号失真,C1、C2、C4分别是三级放大电路耦合电容,是交流信号的必经之路,如果其中有一电容损坏,均会使放大电路出现无声或音小的故障。
二、高频小信号放大电路
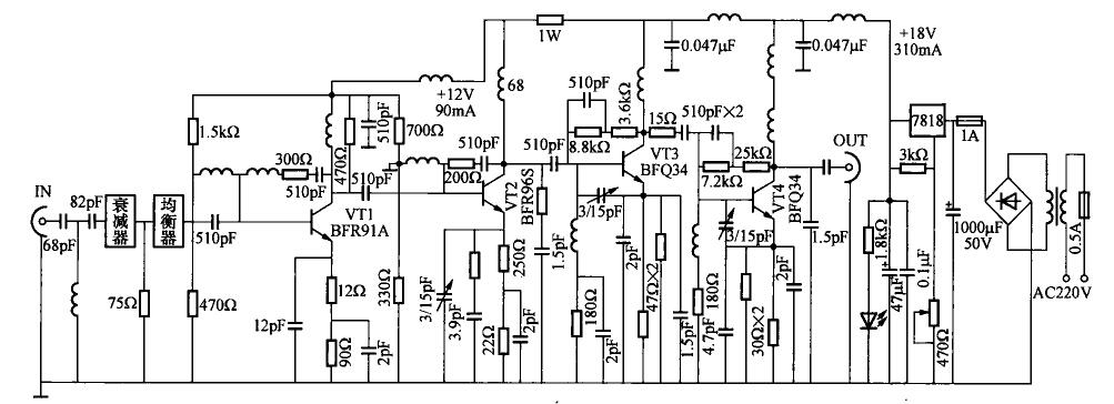
图2是由分立元件构成的有线电视放大器电路原理图,它是比较典型的小信号高频放大电路。图6-2中三极管VT1、VT2为电压放大,VT3、VT4为功率放大。三极管的直流工作电压、电流见表1。

表1 JZF1730型放大器中三极管的直流工作电压电流值
分立元件放大器电路故障分析与维修如下。
1.电源指示灯不亮、无信号输出
这种现象主要是电源电路出现了故障,其故障原因分析与检修如下。交流熔断器熔断、直流熔断器完好,可判断电源变压器已坏,产生的原因为:一是雷击造成变压器短路,二是变压器长期通电而过热造成变压器短路。一般更换熔断器和变压器后可排 除故障;交流熔断器完好,直流熔断器烧断。原因可断定为直流电路出现了短路现象。引起的原因有:整流二极管击穿短路、电源滤波电容短路和三端稳压集成电路7818击穿短路??啥陨鲜鲈来渭觳?、更换后可排除故障。交、直流熔断器完好,而三 端稳压集成电路输出端无电压。此故障的原因主要有两种:一是电路回路中的滤波电容短路,二是三端稳压集成电路内部电路损坏。分别对这几个元件检查、更换后可排除故障。

由分立元件构成的有线电视放大器电路原理图
2.电源指示灯亮,无信号输出
这种现象可断定为输入电路或放大器出现了故障。用万用表直流电压挡,参照表1的数值,依次测量各级放大器晶体管的各极对地电压。晶体管正常工作时,基极电位比发射极电压高 0.6?0.7V。在测量过程中,如基极电位比发射极低。集电极电压有时高于电源电压,可判断该级产生了自激现象,可对该级的反馈元件进行检查,如正常时,应更换该级晶体管。末级功放晶体管VT3与VT4的工作电流较大、温度高、易损坏,为重点检 査对象。如电路各级工作点正常,应检査电平输入增益调节电位器是否开路,用万用表电阻挡测两端阻值可断定。
免责声明:本文为转载文章,转载此文目的在于传递更多信息,版权归原作者所有。本文所用视频、图片、文字如涉及作品版权问题,请电话或者邮箱editor@52solution.com联系小编进行侵删。
推荐阅读:




