桃花源qm花论坛(品茶),凤楼阁论坛官网入口网址,一品楼品凤楼论坛最新动态,风楼阁全国信息2024登录入口

如何使用降阶隆伯格观测器估算永磁同步电机的转子磁链位置?

发布时间:2021-04-01 来源:Microchip,钱敏 责任编辑:lina

【导读】本文介绍如何使用降阶隆伯格观测器(ROLO)估算永磁同步电机(PMSM)的转 子磁链位置。首先介绍特征值与稳定性的关系;在此基础上,引入状态反馈控制 的理念;接着介绍如何使用该理念来设计隆伯格观测器;然后,以 PMSM 为例, 推导 ROLO 的设计过程,给出设计结果;最后,介绍 Microchip 的相关电机控制方 案(评估套件、例程和文档等)。

摘要
本文介绍如何使用降阶隆伯格观测器(ROLO)估算永磁同步电机(PMSM)的转子磁链位置。首先介绍特征值与稳定性的关系;在此基础上,引入状态反馈控制的理念;接着介绍如何使用该理念来设计隆伯格观测器;然后,以 PMSM 为例,推导 ROLO 的设计过程,给出设计结果;最后,介绍 Microchip 的相关电机控制方案(评估套件、例程和文档等)。

一、 概述
永磁同步电机(PMSM)的磁场定向控制(FOC)在近十几年成为了主流的电机控制方法。其中,无位置传感器 FOC 由于其低成本和高可靠性,获得了越来越多的应用和关注。由于没有位置传感器,所以必须估算转子磁链位置。由于在旋转过程中,转子磁链生成反电动势(BEMF),并且 BEMF 超前转子磁链 弧度,所以

可以利用对 BEMF 进行观测,进而估算转子磁链。降阶隆伯格观测器(ROLO)是一种常用的 BEMF 观测手段。

一方面,工程师可能不具备设计观测器所需的背景知识;另一方面,产品开发项目必须尽快且高质量地完成。尽管可以找到背景知识的相关教材,但由于其缺少针对性,所以工程师不得不花费大量时间进行学习。该矛盾经常成为制约产品开发进度和质量的瓶颈。针对此困境,ROLO 由于其原理简单,成为了能短时间掌握的优选方案。

本文针对 PMSM 控制所需,筛选出最少量的必需知识,按照逻辑顺序阐述利用ROLO 观测 BEMF 的原理。此外,还介绍了 Microchip 的相关电机控制方案。读者可以借此快速掌握原理,并且上手实践和熟悉。

二、 特征值与稳定性
常微分方程(ODE)是时间确定性系统的一种抽象模型。PMSM 可以看作是一个线性时间确定性系统,因此可以用线性常微分方程来建模。
考虑以下的一般线性 ODE:

 
如何使用降阶隆伯格观测器估算永磁同步电机的转子磁链位置?
 

如何使用降阶隆伯格观测器估算永磁同步电机的转子磁链位置?

三、 状态反馈控制

如何使用降阶隆伯格观测器估算永磁同步电机的转子磁链位置?

四、 隆伯格观测器
考虑以下系统:
如何使用降阶隆伯格观测器估算永磁同步电机的转子磁链位置?

如何使用降阶隆伯格观测器估算永磁同步电机的转子磁链位置?

如何使用降阶隆伯格观测器估算永磁同步电机的转子磁链位置?

五、 观测 PMSM 的 BEMF

如何使用降阶隆伯格观测器估算永磁同步电机的转子磁链位置?

如何使用降阶隆伯格观测器估算永磁同步电机的转子磁链位置?

如何使用降阶隆伯格观测器估算永磁同步电机的转子磁链位置?
 
六、 Microchip 的 ROLO 方案
Microchip 的基于 ROLO 的 PMSM 无传感器控制方案提供例程、评估套件、开发工具和帮助文档。

例程位于 MPLAB® Harmony 3 的 motor control ??橹?,是一个运行在 Cortex®-M0+MCU(SAMC21)之上的 MPLAB X 工程:pmsm_foc_rolo_sam_c21。

该演示方案可以运行于 MCLV2 低压电机控制评估套件或 MCHV3 高压电机控制评估套件。两款评估套件均可在 Microchip 官网搜索并订购。

该例程利用图形化配置工具 MPLAB Harmony 配置器(MHC)生成。使用 MPLAB XIDE 打开该工程,并打开 MHC,就可以看到 CPU 和所需片上周边(PWM ??楹?/span>ADC 等)的配置情况,如< 图 1. 例程的 MHC 配置 >所示。

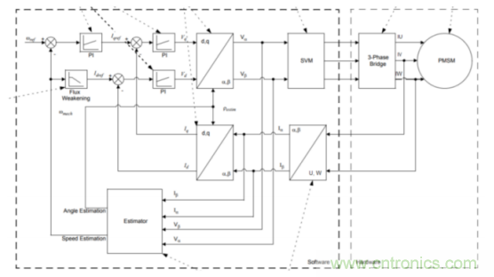
相应的帮助文档也位于 MPLAB Harmony 3 的 motor control 模块中。其中介绍了如何搭建硬件平台、编译和下载工程、算法原理框图、软件流程图、软件配置方法等,如< 图 2. 电机控制算法框图 >、< 图 3. 软件流程图 >、< 图 4. 软件配置方法:电机参数宏定义列表 >和< 图 5. 低压电机控制硬件连接 >所示。

如何使用降阶隆伯格观测器估算永磁同步电机的转子磁链位置?
< 图 1. 例程的 MHC 配置 >

如何使用降阶隆伯格观测器估算永磁同步电机的转子磁链位置?
< 图 2. 电机控制算法框图 >

如何使用降阶隆伯格观测器估算永磁同步电机的转子磁链位置?
< 图 3. 软件流程图 >

如何使用降阶隆伯格观测器估算永磁同步电机的转子磁链位置?
< 图 4. 软件配置方法:电机参数宏定义列表 >

如何使用降阶隆伯格观测器估算永磁同步电机的转子磁链位置?
< 图 5. 低压电机控制硬件连接 >

七、 总结
本文从 PMSM 的 ODE 模型开始,逐步介绍了基于 ROLO 的 BEMF 观测器的设计理念和方法;并且介绍了 Microchip 的相关方案。读者可以利用这些资源快速掌握原理并上手实践、熟悉 PMSM 的无传感器控制方法,以加快项目开发进度和提升产品性能。

免责声明:本文为转载文章,转载此文目的在于传递更多信息,版权归原作者所有。本文所用视频、图片、文字如涉及作品版权问题,请电话或者邮箱联系小编进行侵删。
 
  
特别推荐
技术文章更多>>
技术白皮书下载更多>>
热门搜索

关闭

?

关闭