【导读】想到通讯电路,自然会想到RS485、RS422等通讯模式和电路形式。作为硬件维修者更关注后者。而一些设备如变频器或伺服器等,用于旋转变压器或编码器的信号传输,即PG卡板或编码器接口电路也用到类似器件,那么该类器件到底是何东东?如果脱离了上位机或脱离了编码器等信号源,还能检测其好坏吗?
想到通讯电路,自然会想到RS485、RS422等通讯模式和电路形式。作为硬件维修者更关注后者。而一些设备如变频器或伺服器等,用于旋转变压器或编码器的信号传输,即PG卡板或编码器接口电路也用到类似器件,那么该类器件到底是何东东?如果脱离了上位机或脱离了编码器等信号源,还能检测其好坏吗?
一、器件功能
先让具体的芯片电路说话。见图1~图3电路。

图1 RS485、RS422收发器芯片

图2 AM26LV32C芯片引脚及内部原理框图

图3 AM26LS31C芯片引脚及内部原理框图
图1为半双工/RS485、全双工/RS422通讯电路,均内含接收器(或称驱动器)和接收器两组电路,不同者,是MAX485的两组电路为适应半双工要求,带使能控制端。
图2、图3为经常配对出现的,一为四差动线路驱动器,一为四差动线路接收器,其实仍然是RS485器件的拆分和扩充,单看其中一组电路,并无差异。
二、器件定义
驱动器,把一路串行脉冲变为两路差分信号;接收器,将两路差分信号变为一路串行脉冲。因而该类器件的作用,用一句话来概括:即串行脉冲和差分信号的双向转换器。
此为何也?这是基于差分信号的传输模式对共模干扰的巨大威力而考量的,一而二二而一的费尽周折的转换,不外乎是为了提高传输信号(线路)的抗干扰能力,否则一对一直接传输也就完了。
1、驱动器
我们暂且可将“使能”控制忽略掉,驱动器可简化为图4电路。

图4 驱动器原理简化和检修等效电路
1)输入、输出信号的关系见图4的a电路,为一进二出模式。
2)电路传输的是数字信号,即0和1,若为+5V供电,电路的静态或即时电平,非5V即0V。而两个输出端,必然呈现反相的关系。
到了b等效电路这一步,对电路的检测和好坏判断,几乎不用我再说了。
2、接收器
仍然可将“使能”控制忽略掉,接收器可简化为图5电路。

图5 接收器原理简化和检修等效电路
1)输入、输出信号的关系见图5的a电路,为二进一出模式。
2)电路传输的是数字信号,即0和1,若为+5V供电,电路的静态或即时电平,非5V即0V。
虽然为差分模式,但不宜用模拟电路的差分放大器来等效了——因为传输的仍为数字电平信号。这里我只能用异或门电路来勉为等效了——其弃同认异的风格,恰恰也符合了电路信号处理的规则。
当然,找到了等效电路,如何检测,也不用废话了。
三、检修实例

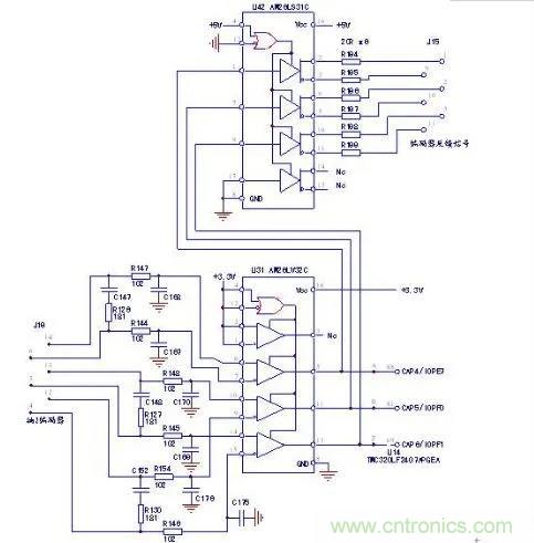
图6 编码器信号传输电路
上图为交流伺服驱动器的一个电路实例,发生相关编码器信号不良的故障时,势必要对该电路进行检测与判断。常规检修方法是须在接入电机与编码器的闭环模式下进行检查,通常还要用代换法先掉排除掉编码器本身的故障原因。
而独立检修该电路,一无须闭环(接入编码器和电机)控制,二无须脉冲发生器给出脉冲信号,手头只需备一台直流可调稳压电源,已经是万能信号发生器了(任何信号传输电路,均可以给出直流电压信号进行检修,此为后话)。
检修步骤:
1、静态判断
测U31的5、11、13脚输出端,均为3.3V,测U42的2、3脚等输出端,符合2(1)3(0)的电平状态,可判断电路静态正常;
2、动态测量
1)将J19端子的4、5、6短接为线A;将12、13、14短接为线B。调整稳压电压输出为5V(可限流10mA)。
2)线A接信号5V正端,线B接信号5V负端,此时测U31的5、11、13脚输出端,俱为低电平(约0.5V),判断U31工作正常;测测U42的2、3脚等输出端,变为2(0)3(1)的电平状态,可判断U42正常。
转换线A、线B的信号极性,电路维持静态值不变。
至此,对图6编码器信号传输电路的检修,已告结束。
真的就是这么简单,也许事情本来应该就这么简单。往往是人们把它想复杂了搞得复杂了。只想把电路原本该有的简单与确定的检修模式找出来,以简易的方法完成准确的判断。
如果电路的使能端在禁止状态,我们则可以将其暂时“强制为工作态”进行检修。
免责声明:本文为转载文章,转载此文目的在于传递更多信息,版权归原作者所有。本文所用视频、图片、文字如涉及作品版权问题,请电话或者邮箱联系小编进行侵删。


