桃花源qm花论坛(品茶),凤楼阁论坛官网入口网址,一品楼品凤楼论坛最新动态,风楼阁全国信息2024登录入口

你的位置:首页 > 电路保护 > 正文

如何利用二极管电路实现双线圈锁存继电器?

发布时间:2020-10-14 责任编辑:lina

【导读】继电器是电路中常见的机电器件,有两种类型:锁存或非锁存。锁存继电器即使在完全断电后仍会保持其最后的开关位置,无论单线圈还是双线圈类型都可以。单线圈锁存继电器仅使用一个线圈来设置或复位开关位置,但需要正负电压。
 
继电器是电路中常见的机电器件,有两种类型:锁存或非锁存。锁存继电器即使在完全断电后仍会保持其最后的开关位置,无论单线圈还是双线圈类型都可以。单线圈锁存继电器仅使用一个线圈来设置或复位开关位置,但需要正负电压。当施加正电压时,电流沿一个方向流动并让继电器进入设定状态(即继电器开关闭合)。若施加负电压,则反转电流方向,使继电器进入复位状态(即开关打开)。
 
而双线圈锁存继电器仅使用正电压,但需要两个电源或驱动器。这种继电器有一个设定线圈和一个复位线圈。当设定线圈通电时,继电器进入设定状态。相反,当复位线圈通电时,继电器进入复位状态。但两个线圈永远不会同时通电。
 
如果你想使用双线圈继电器,但手头可用的唯一驱动器是用于单线圈继电器的,有一个办法可以轻松地将单线圈驱动器转换为可以驱动双线圈继电器,如图1所示。这种只有正向电压驱动的转换对于继电器测试特别有用,因为它只需要一个电压极性而不是两个。这种办法可以大大简化继电器的测试设置。
 
如何利用二极管电路实现双线圈锁存继电器?
图1:二极管可将单线圈继电器驱动器转换为双线圈使用。
 
操作的原理很简单。当线圈驱动器输出电压为正时,电流流过二极管D1以激励设定线圈,而复位线圈不供电,因为D2阻断电流。继电器进入设定状态。当电压为负时,二极管D1阻断流过设定线圈的电流,二极管D2开始激励复位线圈。
 
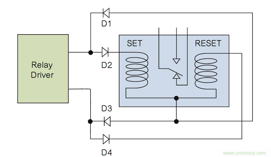
图1中的锁存继电器有两个独立的线圈连接,使用4个引脚。然而,有些双线圈继电器只使用三个引脚,还有一个公共的线圈连接,如图2所示。这时候配置稍微复杂一些,涉及四个二极管。
 
如前所述,当驱动器电压为正时,电流流过二极管D2、设定线圈和D3。二极管D1和D4反向偏置,阻止电流到复位线圈。类似地,当电压为负时,电流流过二极管D4、复位线圈和D1,同时设定线圈断电。同样,一次只能给一个线圈通电。
 
如何利用二极管电路实现双线圈锁存继电器?
图2:当线圈共用一个连接时,需要四个二极管来转换单线圈信号以便用于双线圈。
 
转换电路的另一个好处是可以比较容易地测试双线圈继电器的AC性能,例如操作时间(开启时间)、反弹时间、断开时间和最大频率等。只需用方波电压信号发生器替换继电器驱动器即可。由于许多继电器线圈需要高电压(高达48V),在某些情况下还需要从20mA到1000mA以上的大电流,只有信号发生器可能是不够的。在这种情况下,就需要一个高压函数发生器放大器,比如Accel仪器公司的TS250,以提升电压和电流(见图3)。
 
如何利用二极管电路实现双线圈锁存继电器?
图3:仅使用一个函数发生器和一个高压驱动器来测试双线圈继电器。
 
二极管电路可以提供一种简便方法,将单线圈继电器驱动信号转换为双线圈使用。这种方法可让系统设计人员选择使用单线圈或双线圈锁存继电器,而无需更换驱动器。此外,它只需一个信号驱动器即可实现双线圈锁存继电器的测试。
 
 
免责声明:本文为转载文章,转载此文目的在于传递更多信息,版权归原作者所有。本文所用视频、图片、文字如涉及作品版权问题,请电话或者邮箱联系小编进行侵删。
 
 
推荐阅读:
基于L波段单级高线性低噪声放大器的工作原理及设计
超级电容器:电信和远程信息处理应用的电源管理策略
2021中国(广州)国际医养健康产业博览会
是谁动了我的电容容量?
疫后重启,产业重塑!第96届上海电子展为供应链注入新动能
要采购线圈么,点这里了解一下价格!
特别推荐
技术文章更多>>
技术白皮书下载更多>>
热门搜索

关闭

?

关闭